Запчасти Case 9050B (8-186) - REDUCING VALVE (08) - HYDRAULICS

Схема запчастей Case 9050B - (8-186) - REDUCING VALVE (08) - HYDRAULICS
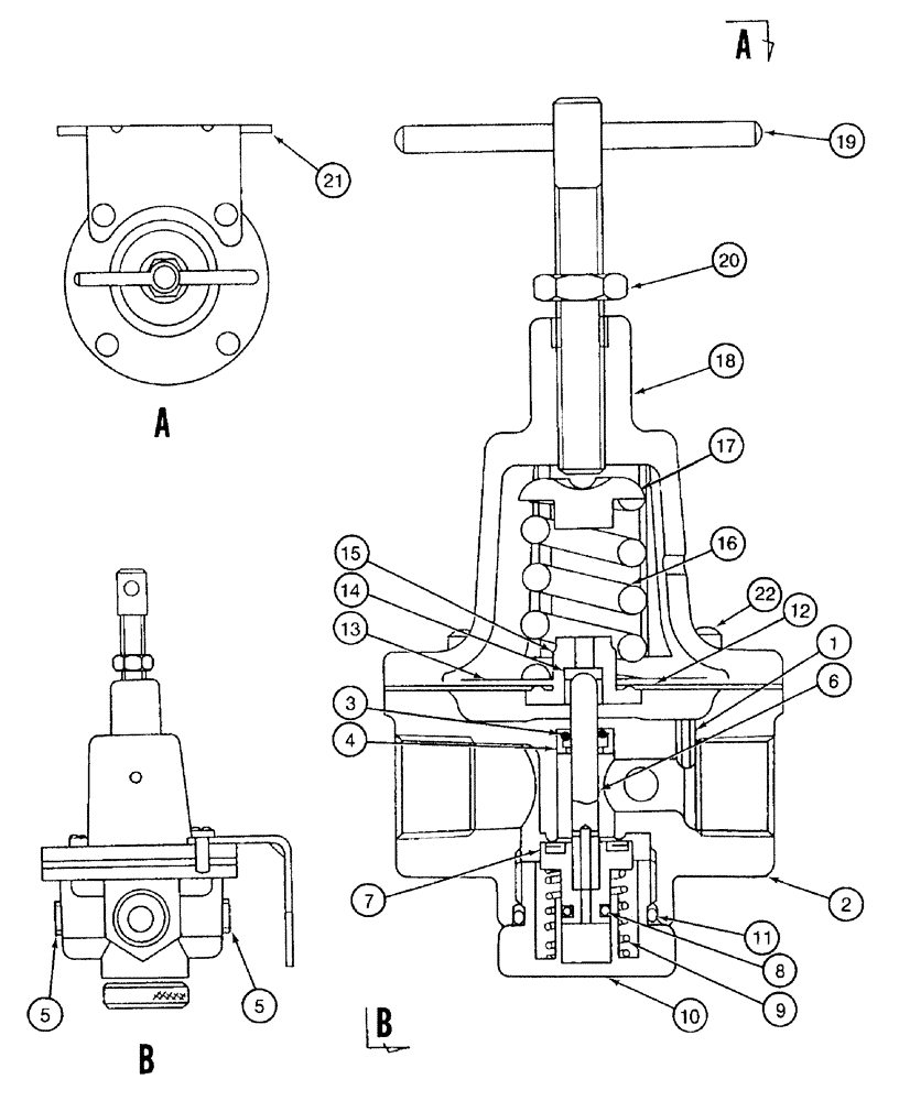
9
13
16
19
15
2
12
11
21
22
14
5
6
1
17
5
8
3
7
4
18
20
10
FIT
1:1
100%

Артикул

Название

Примечание

Количество

152845A1

VALVE

ASSEMBLY - pressure reducing, Includes: Ref. 1 - 22

1шт.

NSS

NOT SOLD SEPARAT

BODY - valve, Includes: Ref. 1 - 4

1шт.

1

NSS

NOT SOLD SEPARAT

TUBE - siphon

1шт.

2

NSS

NOT SOLD SEPARAT

HOUSING - valve body

1шт.

3

NSS

NOT SOLD SEPARAT

RING - backup

1шт.

4

NSS

NOT SOLD SEPARAT

O-RING - valve stem

1шт.

5

NSS

NOT SOLD SEPARAT

PLUG - pipe

2шт.

155846A1

PLUNGER

ASSEMBLY - valve, Includes: Ref. 6 - 7

1шт.

6

NSS

NOT SOLD SEPARAT

STEM - valve

1шт.

7

NSS

NOT SOLD SEPARAT

SEAT - valve

1шт.

8

155229A1

O-RING

valve seat

1шт.

9

NSS

NOT SOLD SEPARAT

SPRING - compression

1шт.

10

NSS

NOT SOLD SEPARAT

PLUG - valve cavity

1шт.

11

155228A1

O-RING

plug

1шт.

155845A1

DIAPHRAGM

ASSEMBLY - reducing valve, Includes: Ref. 12 - 15

1шт.

12

NSS

NOT SOLD SEPARAT

DIAPHRAGM - valve

1шт.

13

NSS

NOT SOLD SEPARAT

WASHER - spring

1шт.

14

NSS

NOT SOLD SEPARAT

SEAL - disk

1шт.

15

NSS

NOT SOLD SEPARAT

SEAT - stem

1шт.

16

NSS

NOT SOLD SEPARAT

SPRING - compression

1шт.

17

NSS

NOT SOLD SEPARAT

SEAT - spring

1шт.

18

NSS

NOT SOLD SEPARAT

COVER - valve

1шт.

19

NSS

NOT SOLD SEPARAT

HANDLE - adjusting

1шт.

20

NSS

NOT SOLD SEPARAT

NUT - locking

1шт.

21

NSS

NOT SOLD SEPARAT

BRACKET - mounting

1шт.

22

NSS

NOT SOLD SEPARAT

SCREW - drive

4шт.

Выбрано товаров: 0