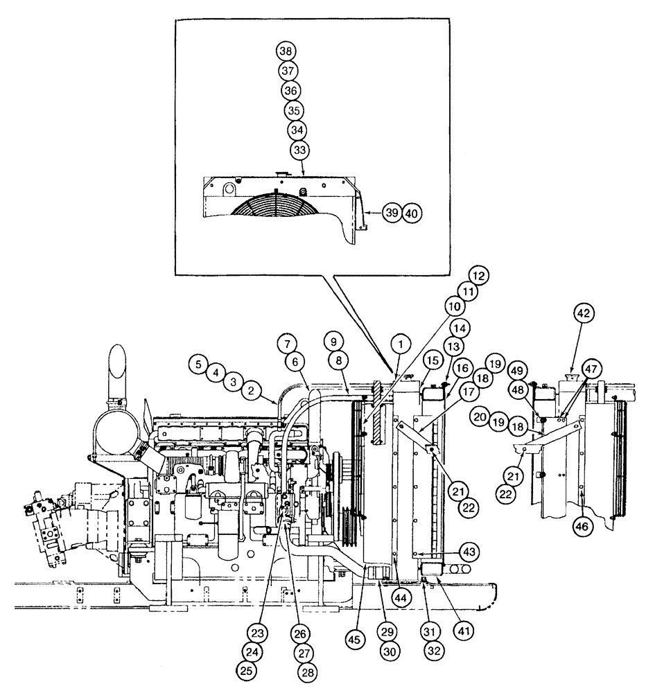
Запчасти Case 9050B (2-004) - RADIATOR MOUNTING AND ATTACHING PARTS, PRIOR TO P.I.N. EAC0501196 (02) - ENGINE

Схема запчастей Case 9050B - (2-004) - RADIATOR MOUNTING AND ATTACHING PARTS, PRIOR TO P.I.N. EAC0501196 (02) - ENGINE
45
15
30
36
16
39
43
21
17
48
37
4
9
2
25
31
49
47
1
18
19
19
32
3
29
5
27
11
22
14
10
6
41
12
21
46
42
26
20
8
38
24
35
33
13
23
44
34
18
28
22
40
7
FIT
1:1
100%

Артикул

Название

Примечание

Количество

1

171521A1

RADIATOR

engine cooling

1шт.

2

170306A1

HOSE

1400 mm (55-1/8 inch) long, Serial Range: -EAC0501126

1шт.

2

170873A1

HOSE,7.94 mm ID x 1270.00 mm

1270 mm (50 inch) long, Serial Range: EAC0501126-EAC0501196

1шт.

3

170867A1

ADAPTER

barb, special, 1/4 x 1/4 inch

1шт.

4

170069A1

CLAMP

hose

2шт.

5

173472A1

NIPPLE, LUBE

NIPPLE barb, special, 1/8 x 1/4 inch

1шт.

6

170874A1

RADIATOR HOSE,57.15 mm ID x 1244.60 mm

1шт.

7

170877A1

CLAMP

hose

2шт.

8

170872A1

HOSE,19.05 mm ID x 1117.60 mm

635 mm (25 inch) long

1шт.

9

170876A1

CLAMP

hose

2шт.

10

170889A1

GUARD ASSY.

fan

1шт.

11

173468A1

BOLT

hex, special

5шт.

12

170909A1

WASHER

special

5шт.

13

173469A1

THUMB SCREW

special

3шт.

14

170909A1

WASHER

special

3шт.

15

173477A1

SEAL

weatherstrip

1шт.

16

173063A1

SCREEN

oil cooler

1шт.

17

173717A1

BAR

STRAP - holding, front side

1шт.

18

627-10016

BOLT,Hex, M10 x 1.5 x 16mm, Cl 10.9, Full Thd

2шт.

20

173486A1

BAR

STRAP - holding, rear side

1шт.

21

627-12030

BOLT,Hex, M12 x 1.75 x 30mm, Cl 10.9, Full Thd

Full Thd

2шт.

22

150811A1

WASHER

flat, special, 12 mm

2шт.

23

170869A1

BUSHING

reducer

1шт.

24

170868A1

HYDROMETER

ELBOW - special

1шт.

25

170876A1

CLAMP

hose

1шт.

26

173510A1

TUBE,57.15 mm OD

radiator, lower

1шт.

27

170863A1

ADAPTER

ADAPTER - special

1шт.

28

170877A1

CLAMP

hose

1шт.

29

170875A1

RADIATOR HOSE,57.15 mm ID x 127.00 mm

1шт.

30

170877A1

CLAMP

hose

2шт.

31

627-16040

BOLT,Hex, M16 x 2 x 40mm, Cl 10.9, Full Thd

4шт.

32

150814A1

WASHER,17mm ID x 32mm OD x 4.5mm Thk

flat, special

4шт.

33

173067A1

COVER

special

1шт.

34

173771A1

SEALING STRIP

weatherstrip

1шт.

35

627-8050

BOLT - hex, full threads, 8 - 1.25 x 50 mm, class 10.9

5шт.

36

173178A1

SPACER

special

5шт.

37

892-11008

LOCK WASHER,8mm ID

5шт.

39

173065A1

SHEET

PLATE - retaining, seal

1шт.

40

173770A1

SEAL

cushion

1шт.

41

171522A1

COOLER, OIL

hydraulic

1шт.

42

170827A1

CAP

radiator

1шт.

43

173623A1

SCREW

hex washer head, special

5шт.

44

173625A1

SCREW

hex washer head, special

5шт.

45

173635A1

DEFLECTOR

SHROUD - radiator

1шт.

46

173625A1

SCREW

hex washer head, special

5шт.

47

173623A1

SCREW

hex washer head, special

6шт.

48

173623A1

SCREW

hex washer head, special

3шт.

49

173624A1

NUT

special

3шт.

38

895-11008

WASHER,9mm ID x 16mm OD x 1.6mm Thk

5шт.

19

895-11010

WASHER,11mm ID x 20mm OD x 2mm Thk

2шт.

Выбрано товаров: 50