Запчасти Case 9050B (8-188) - BOOM CYLINDERS (08) - HYDRAULICS

Схема запчастей Case 9050B - (8-188) - BOOM CYLINDERS (08) - HYDRAULICS
21
15
1
33
28
16
13
18
32
19
26
11
36
39
29
28
8
23
24
34
2
4
22
27
41
31
1
41
30
40
5
14
12
31
1
37
32
25
38
9
42
17
2
6
20
10
29
2
7
30
3
42
35
FIT
1:1
100%

Артикул

Название

Примечание

Количество

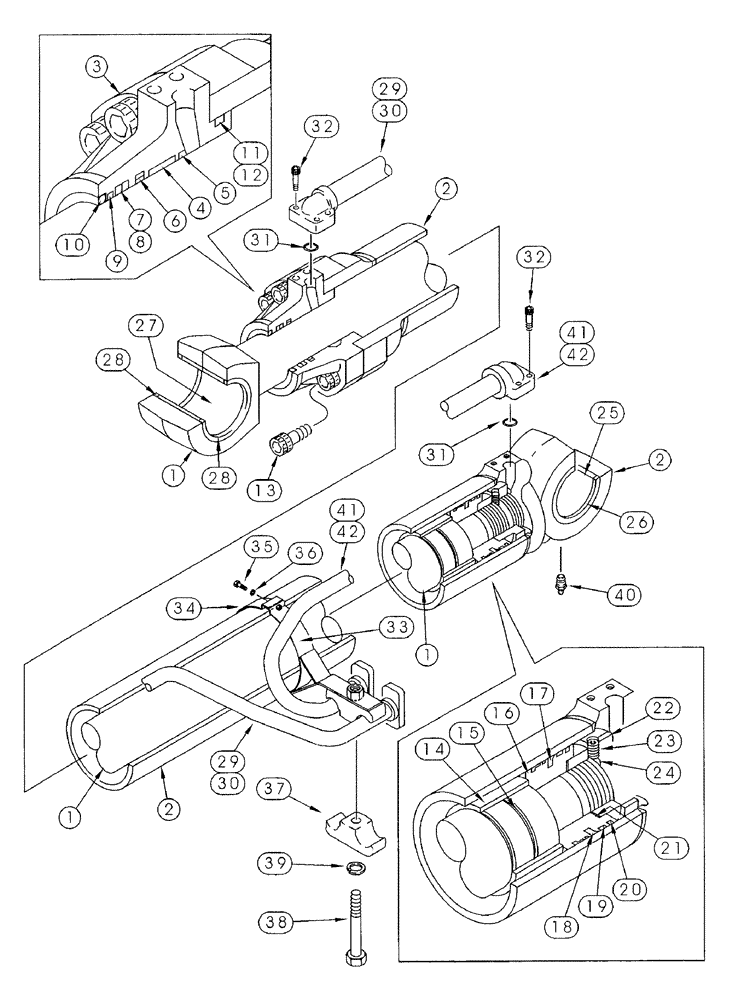
162983A1

CYLINDER ASSY.

140 (5-1/2) ID x 1480 mm (58-1/4 inch) stroke, boom, right-hand, with tube lines and clamps

1шт.

162984A1

CYLINDER ASSY.

140 (5-1/2) ID x 1480 mm (58-1/4 inch) stroke, boom, left-hand, with tube lines and clamps, Includes: Ref. 1 - 42

1шт.

173782A1

CYLINDER ASSY.

140 (5-1/2) ID x 1480 mm (58-1/4 inch) stroke, boom, left-hand or right-hand, without tube lines or clamps, Includes: Ref. 1 - 28

1шт.

1

162736A1

PISTON ROD

cylinder, includes item 27

1шт.

2

162735A1

SET OF PARTS

TUBE - cylinder, includes item 25

1шт.

3

162737A1

CYLINDER END CAP

GLAND - cylinder, includes items 4 and 5

1шт.

4

155429A1

BUSHING

gland

1шт.

5

155695A1

RING, SNAP

RING SNAP retaining

1шт.

6

155154A1

SEALING RING

buffer

1шт.

Part of the Seal Kit P/N 162734A1

1шт.

7

155115A1

RING

SEAL - U-cup, gland

1шт.

Part of the Seal Kit P/N 162734A1

1шт.

8

155236A1

BACK-UP RING

1шт.

Part of the Seal Kit P/N 162734A1

1шт.

9

155342A1

BACK-UP RING

SEAL - piston rod

1шт.

Part of the Seal Kit P/N 162734A1

1шт.

10

162699A1

WIPER SEAL

WIPER - piston rod

1шт.

Part of the Seal Kit P/N 162734A1

1шт.

11

154776A1

O-RING

piston rod

1шт.

Part of the Seal Kit P/N 162734A1

1шт.

12

155233A1

SEALING RING

1шт.

Part of the Seal Kit P/N 162734A1

1шт.

13

863-22075

HEX SOC SCREW,M22 x 75mm, Cl 12.9

hex socket, 22 - 2.5 x 75 mm, class 12.9

8шт.

14

160550A1

RING

cushion

1шт.

15

155345A1

SEALING RING

1шт.

Part of the Seal Kit P/N 162734A1

1шт.

16

155980A1

PISTON

cylinder

1шт.

17

155312A1

SEALING RING

piston, Includes: Ref. 18

1шт.

Part of the Seal Kit P/N 162734A1

1шт.

18

NSS

NOT SOLD SEPARAT

O-RING - seal

1шт.

Part of the Seal Kit P/N 162734A1

1шт.

19

155321A1

RING

slide

2шт.

Part of the Seal Kit P/N 162734A1

1шт.

20

155307A1

RING

slide

2шт.

Part of the Seal Kit P/N 162734A1

1шт.

21

155732A1

SHIM

special

1шт.

Part of the Seal Kit P/N 162734A1

1шт.

22

156229A1

NUT

piston retaining

1шт.

23

156228A1

SET SCREW

1шт.

24

155981A1

BALL

Steel

1шт.

25

155425A1

BUSHING

Tube

1шт.

26

163839A1

WIPER SEAL

WIPER - pin

2шт.

27

155426A1

BUSHING

cylinder rod

1шт.

28

163840A1

WIPER SEAL

RING - wiper

2шт.

29

163842A1

HYD TUBE

hydraulic, used on 162983A1 cylinder assembly

1шт.

30

163844A1

HYD TUBE

hydraulic, used on 162984A1 cylinder assembly

1шт.

31

154543A1

O-RING

Tube

2шт.

32

863-12035

HEX SOC SCREW,M12 x 35mm, Cl 12.9

8шт.

33

156392A1

GASKET

CLAMP - band

1шт.

34

156391A1

MOUNTING CLIP

CLAMP - band

1шт.

35

158131A1

BOLT,High Strength, M10 x 1.5 x 35mm, Cl 10.9

hex, special

2шт.

36

156227A1

WASHER

lock, special

2шт.

37

155709A1

COLLAR

tube

2шт.

38

153911A1

BOLT

special

1шт.

39

892-16014

LOCK WASHER,M14, Hvy

lock, 14 mm

1шт.

40

153630A1

LUBE NIPPLE

grease, straight

1шт.

41

163841A1

TUBE ASSY.

hydraulic, used on 162983A1 cylinder assembly

1шт.

42

163843A1

HYD TUBE

hydraulic, used on 162984A1 cylinder assembly

1шт.

162734A1

SEAL KIT

seal replacement, Includes: REF 6, 7, 8, 9, 10, 11, 12, 15, 17, 18, 19, 20 & 21

1шт.

Выбрано товаров: 59