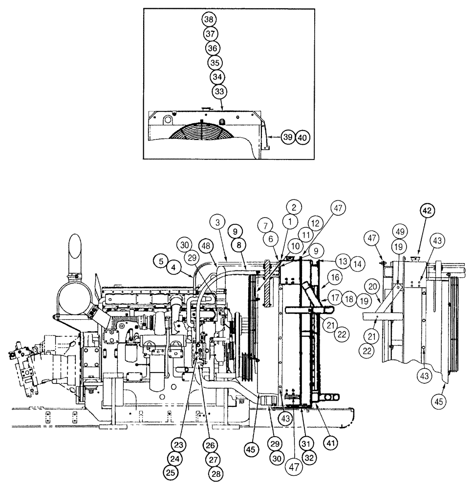
Запчасти Case 9050B (2-006) - RADIATOR MOUNTING AND ATTACHING PARTS, P.I.N. EAC0501196 AND AFTER (02) - ENGINE

Схема запчастей Case 9050B - (2-006) - RADIATOR MOUNTING AND ATTACHING PARTS, P.I.N. EAC0501196 AND AFTER (02) - ENGINE
42
14
19
27
5
30
9
17
37
13
25
21
43
12
19
22
41
36
45
43
45
4
35
26
32
9
28
39
11
30
16
24
6
22
40
47
49
29
20
1
38
23
29
33
2
47
47
3
8
48
7
43
34
10
21
31
18
FIT
1:1
100%

Артикул

Название

Примечание

Количество

1

173878A1

RADIATOR

engine cooling

1шт.

2

173872A1

BRACKET

radiator mounting

1шт.

3

170873A1

HOSE,7.94 mm ID x 1270.00 mm

1270 mm (50 inch) long

1шт.

4

170069A1

CLAMP

hose

2шт.

5

173472A1

NIPPLE, LUBE

NIPPLE barb, special, 1/8 x 1/4 inch

1шт.

6

173851A1

HOSE

, Serial Range: Engine-Radiator

1шт.

7

170877A1

CLAMP

hose

2шт.

8

170872A1

HOSE,19.05 mm ID x 1117.60 mm

635 mm (25 inch) long

1шт.

9

170876A1

CLAMP

hose

3шт.

10

170889A1

GUARD ASSY.

fan

1шт.

11

173468A1

BOLT

hex, special

5шт.

12

170909A1

WASHER

special

5шт.

13

173469A1

THUMB SCREW

special

3шт.

14

170909A1

WASHER

special

3шт.

16

173063A1

SCREEN

oil cooler

1шт.

17

173876A1

BAR

STRAP - holding, front side

1шт.

18

627-12040

BOLT,Hex, M12 x 1.75 x 40mm, Cl 10.9, Full Thd

1шт.

19

150811A1

WASHER

flat, special, 12 mm

2шт.

20

173877A1

BAR

STRAP - holding, rear side

1шт.

21

627-12030

BOLT,Hex, M12 x 1.75 x 30mm, Cl 10.9, Full Thd

Full Thd

2шт.

22

150811A1

WASHER

flat, special, 12 mm

2шт.

23

170869A1

BUSHING

reducer

1шт.

24

170868A1

HYDROMETER

ELBOW - special

1шт.

25

170876A1

CLAMP

hose

1шт.

26

173510A1

TUBE,57.15 mm OD

radiator, lower

1шт.

27

170863A1

ADAPTER

ADAPTER - special

1шт.

28

170877A1

CLAMP

hose

1шт.

29

170875A1

RADIATOR HOSE,57.15 mm ID x 127.00 mm

2шт.

30

170877A1

CLAMP

hose

4шт.

31

627-16025

BOLT,Hex, M16 x 2 x 25mm, Cl 10.9, Full Thd

4шт.

32

150814A1

WASHER,17mm ID x 32mm OD x 4.5mm Thk

flat, special

4шт.

33

173067A1

COVER

special

1шт.

34

173771A1

SEALING STRIP

weatherstrip

1шт.

35

627-8050

BOLT - hex, full threads, 8 - 1.25 x 50 mm, class 10.9

5шт.

36

173178A1

SPACER

special

5шт.

37

892-11008

LOCK WASHER,8mm ID

5шт.

39

173065A1

SHEET

PLATE - retaining, seal

1шт.

40

173770A1

SEAL

cushion

1шт.

41

171522A1

COOLER, OIL

hydraulic

1шт.

42

170827A1

CAP

radiator

1шт.

43

173623A1

SCREW

hex washer head, special

18шт.

45

173635A1

DEFLECTOR

SHROUD - radiator

1шт.

47

173625A1

SCREW

hex washer head, special

15шт.

48

173879A1

TUBE

, Serial Range: radiator-engine

1шт.

49

627-12020

BOLT,Hex, M12 x 1.75 x 20mm, Cl 10.9, Full Thd

1шт.

38

895-11008

WASHER,9mm ID x 16mm OD x 1.6mm Thk

5шт.

Выбрано товаров: 46