Запчасти Case 9050B (9-084) - CAB MISCELLANEOUS PART (09) - CHASSIS/ATTACHMENTS

Схема запчастей Case 9050B - (9-084) - CAB MISCELLANEOUS PART (09) - CHASSIS/ATTACHMENTS
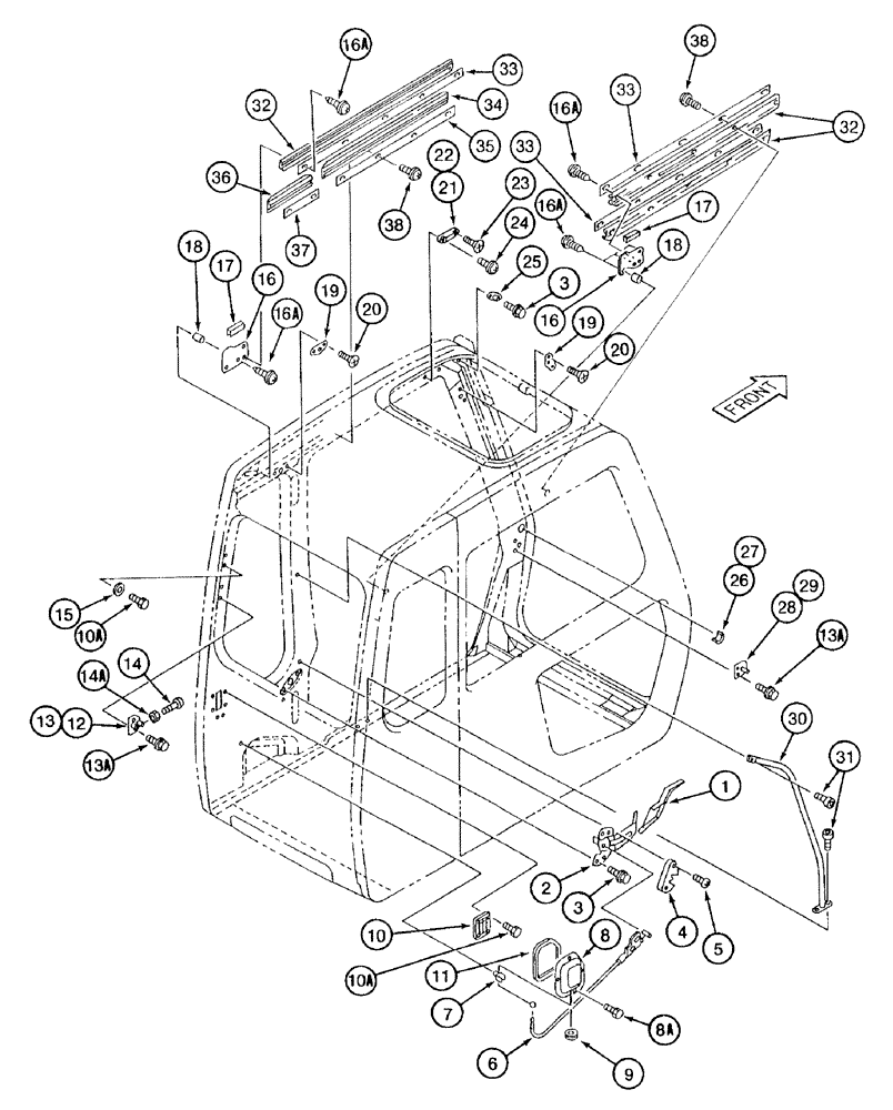
34
6
19
13a
16
21
32
10
12
16a
9
27
37
28
18
1
38
20
33
3
15
20
30
3
7
19
4
13
36
14a
31
32
8a
8
14
17
16a
33
17
26
2
16
23
18
5
16a
16a
22
10a
10a
24
33
38
11
35
29
25
13a
FIT
1:1
100%

Артикул

Название

Примечание

Количество

166114A1

CAB

ASSEMBLY - operator's, includes all parts on figures 9-80 thru 9-88 and 9-92

1шт.

1

161375A1

HANDLE

CAP - rubber, door lever

1шт.

2

161376A1

LEVER

door

1шт.

3

161377A1

BOLT

special, door lever

6шт.

4

161378A1

COVER

special, door lever

1шт.

5

161379A1

SCREW,Pan Hd

special, door lever cover

2шт.

6

161380A1

CABLE

control

1шт.

7

161381A1

COLLAR

wire

1шт.

8

161382A1

COVER

door catch

1шт.

8a

161342A1

BOLT

flange, special

4шт.

9

161383A1

GROMMET

rubber, special

1шт.

10

161384A1

RH DOOR LOCK

CATCH - door

1шт.

10a

161355A1

FLANGE BOLT

flange, special

4шт.

11

161385A1

SEAL

door catch cover

1шт.

12

161386A1

PLATE

special, right-hand

1шт.

13

161387A1

SERRATED NUT

PLATE - special, left-hand

1шт.

13a

161367A1

BOLT

door striker

2шт.

14

161388A1

STOP

rubber, special

2шт.

14a

161357A1

NUT

rubber door stopper

2шт.

15

161389A1

WASHER

flat, special

2шт.

16

161390A1

LARGE PLATE

PLATE, LARGE cover

2шт.

16a

159545A1

SELF-TAP SCREW

self-tapping, special

4шт.

17

161391A1

TRIM

TRIM - cover plate

1шт.

18

161392A1

GUIDE

spring

2шт.

19

161393A1

LARGE PLATE

PLATE, LARGE slide latch

2шт.

20

161394A1

SCREW

slide latch plate

4шт.

21

161395A1

STOP

rubber, front window, right-hand

1шт.

22

161396A1

STOP

rubber, front window, left-hand

1шт.

23

161397A1

SCREW

front window stopper

2шт.

24

161398A1

SCREW

front window stopper

2шт.

25

161399A1

PLATE

STRIKER - front window

2шт.

26

161400A1

STOP

rubber, special, right-hand

1шт.

27

161401A1

STOP

rubber, special, left-hand

1шт.

28

161402A1

PLATE ASSY.

special, right-hand

1шт.

29

161403A1

PLATE ASSY.

special, left-hand

1шт.

30

161404A1

GRAB RAIL

hand

1шт.

31

159586A1

BOLT,Hex Skt, M10 x 1.5 x 25mm

special

3шт.

32

164951A1

GUARD

spring

3шт.

33

164954A1

LARGE PLATE

PLATE, LARGE guard, retaining

3шт.

34

164952A1

GUARD

spring

1шт.

35

164955A1

LARGE PLATE

PLATE, LARGE guard, retaining

1шт.

36

164953A1

GUARD

spring

1шт.

37

164956A1

LARGE PLATE

PLATE, LARGE guard, retaining

1шт.

38

164957A1

SCREW

special

19шт.

Выбрано товаров: 44