Запчасти Case 9050B (9-090) - CAB VANDAL GUARDS (09) - CHASSIS/ATTACHMENTS

Схема запчастей Case 9050B - (9-090) - CAB VANDAL GUARDS (09) - CHASSIS/ATTACHMENTS
1
17
4
7
10
5
5
5
14
12
6a
8
15
15
16
8
10
9
10
2
17
10
16
6
3
14
1
11
13
FIT
1:1
100%

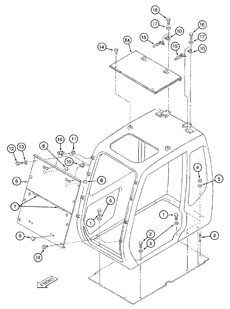
Артикул

Название

Примечание

Количество

1

827-12060

BOLT,Hex, M12 x 1.75 x 60mm, Cl 10.9

6шт.

2

862-12020

HEX SOC SCREW,M12 x 20mm, Cl 12.9

1шт.

3

159850A1

BOLT

STUD - special

2шт.

4

829-1412

NUT,M12, Cl 10.9

2шт.

5

150811A1

WASHER

flat, special, 12 mm

9шт.

6

161803A1

COVER

GUARD - vandal (installed position)

1шт.

6a

161803A1

COVER

GUARD - vandal (folded and stored position), Includes: Ref. 7

1шт.

7

152590A1

HINGE

vandal guard

2шт.

8

151756A1

PLATE WASHER

bumper, 2 inch circle

2шт.

9

161804A1

RUBBER BLOCK

CUSHION - special

4шт.

10

150856A1

STOP LOCK

top cover

4шт.

11

150469A1

FLANGE NUT

hex flange, special

4шт.

12

627-10020

BOLT,Hex, M10 x 1.5 x 20mm, Cl 10.9, Full Thd

2шт.

14

162880A1

BOLT

special

8шт.

15

150854A1

FASTENER

top cover

2шт.

16

627-8020

BOLT,Hex, M8 x 1.25 x 20mm, Cl 10.9, Full Thd

Full threads

8шт.

17

895-11008

WASHER,9mm ID x 16mm OD x 1.6mm Thk

8шт.

13

895-11010

WASHER,11mm ID x 20mm OD x 2mm Thk

2шт.

Выбрано товаров: 18