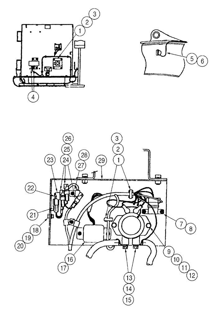
Запчасти Case 9050B (4-014) - ELECTRICAL PARTS ABOVE BATTERIES, P.I.N. EAC0501196 AND AFTER (04) - ELECTRICAL SYSTEMS

Схема запчастей Case 9050B - (4-014) - ELECTRICAL PARTS ABOVE BATTERIES, P.I.N. EAC0501196 AND AFTER (04) - ELECTRICAL SYSTEMS
19
5
25
12
1
26
22
20
13
4
11
15
16
24
2
8
18
2
23
9
6
3
27
1
29
17
10
7
21
3
28
14
FIT
1:1
100%

Артикул

Название

Примечание

Количество

1

150860A1

COLLAR

BRACKET - support, wiring harness

21шт.

2

840-168

SCREW,Pan, M6 x 1 x 8mm, Cl 4.8

21шт.

3

170308A1

BAND

STRAP - tie

21шт.

4

159599A1

PRESSURE SWITCH

3шт.

5

170308A1

BAND

STRAP - tie

4шт.

6

162579A1

HARNESS

electrical

1шт.

7

159898A1

RELAY

starter

1шт.

8

159602A1

BOLT,Sems, Hex, M6 x 16mm

special

2шт.

9

159897A1

RELAY

battery

1шт.

12

892-11008

LOCK WASHER,8mm ID

2шт.

13

614-8025

BOLT,Hex, M8 x 1.25 x 25mm, Cl 8.8, Full Thd

2шт.

15

892-11008

LOCK WASHER,8mm ID

2шт.

16

156501A1

RELAY

safety

1шт.

17

159602A1

BOLT,Sems, Hex, M6 x 16mm

special

2шт.

18

627-8012

BOLT,Hex, M8 x 1.25 x 12mm, Cl 10.9, Full Thd

1шт.

20

892-11008

LOCK WASHER,8mm ID

1шт.

21

158963A1

CLIP

wire

1шт.

22

165127A1

FUSE

75 ampere

1шт.

23

159904A1

COVER

wire

1шт.

24

159903A1

FUSE

25 amps

3шт.

25

165407A1

COVER

wire

3шт.

26

170308A1

BAND

STRAP - tie

3шт.

27

515-21159

CLAMP,15.9mm ID, 7.1mm Bolt Hole, P Type

P-type, 5/8 inch ID

1шт.

28

159602A1

BOLT,Sems, Hex, M6 x 16mm

special

1шт.

29

171379A1

CASE

BOX - relay, electrical

1шт.

10

627-8030

BOLT,Hex, M8 x 1.25 x 30mm, Cl 10.9, Full Thd

2шт.

11

895-11008

WASHER,9mm ID x 16mm OD x 1.6mm Thk

2шт.

14

895-11008

WASHER,9mm ID x 16mm OD x 1.6mm Thk

2шт.

19

895-11008

WASHER,9mm ID x 16mm OD x 1.6mm Thk

1шт.

Выбрано товаров: 29