Запчасти Case 9050B (5-002) - TRACK FRAME, DRIVE SPROCKET AND ACCESS COVERS, MODELS WITHOUT TIMBER KING (05) - STEERING

Схема запчастей Case 9050B - (5-002) - TRACK FRAME, DRIVE SPROCKET AND ACCESS COVERS, MODELS WITHOUT TIMBER KING (05) - STEERING
9
19
20
11
7
12
14
23
25
8
17
18
16
5
11
3
2
1
24
22
6
15
4
21
10
2
12
13
FIT
1:1
100%

Артикул

Название

Примечание

Количество

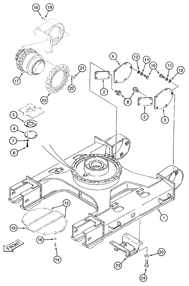
1

173508A1

CHASSIS

FRAME - lower, excavator

1шт.

2

173780A1

COVER

access, piping

2шт.

3

151805A1

COVER

access, left-hand motor

1шт.

4

150432A1

LID

COVER - access, grease fill, turntable gear

1шт.

5

150436A1

PACKING

GASKET - access cover

1шт.

6

627-8016

BOLT,Hex, M8 x 1.25 x 16mm, Cl 10.9, Full Thd

Full Thd

3шт.

7

892-11008

LOCK WASHER,8mm ID

3шт.

8

152718A1

BOLT,Spcl, Hex Wshr, M12 x 25mm, Cl 10.9

special, flange head

8шт.

9

151803A1

ADHESIVE STRIP

COVER - access, right-hand motor

1шт.

10

627-12035

BOLT,Hex, M12 x 1.75 x 35mm, Cl 10.9, Full Thd

Full Thd

10шт.

11

892-11012

LOCK WASHER,M12

10шт.

12

150811A1

WASHER

flat, special, 12 mm

10шт.

13

151283A1

COVER

access, outer, lower frame

2шт.

14

626-16040

BOLT,Hex, M16 x 2 x 40mm, Cl 10.9, Full Thd

Hex, M16 x 40, 10.9, Full Thd

12шт.

15

151289A1

COVER

access, center, lower frame

1шт.

16

896-12016

WASHER,17.5mm ID x 30mm OD x 4mm Thk

12шт.

17

162165A1

MOTOR

ASSEMBLY - track drive, see figure 6-2

2шт.

18

627-24070

BOLT,Hex, M24 x 3 x 70mm, Cl 10.9, Full Thd

36шт.

19

150822A1

WASHER,25mm ID x 48mm OD x 6mm Thk

flat, special

36шт.

20

173848A1

SPROCKET ASSY.

track drive, was 151758A1

2шт.

21

827-20065

BOLT,Hex, M20 x 2.5 x 65mm, Cl 10.9, Full Thd

48шт.

22

150817A1

WASHER,21mm ID x 40mm OD x 4.5mm Thk

flat, special

48шт.

23

151967A1

GUARD ASSY.

GUIDE - track

2шт.

24

628-20045

BOLT,Hex, M20 x 2.5 x 45mm, Cl 10.9, Full Thd

8шт.

25

150996A1

WASHER

special

8шт.

Выбрано товаров: 25