Запчасти Case 9050B (5-004) - TRACK FRAME AND DRIVE SPROCKET, TIMBER KING MODELS EAC0531007 AND AFTER (05) - STEERING

Схема запчастей Case 9050B - (5-004) - TRACK FRAME AND DRIVE SPROCKET, TIMBER KING MODELS EAC0531007 AND AFTER (05) - STEERING
11
30
6
9
3
5
22
26
28
12
22
8
19
7
18
19
21
29
31
4
1
2
27
6
20
13
10
FIT
1:1
100%

Артикул

Название

Примечание

Количество

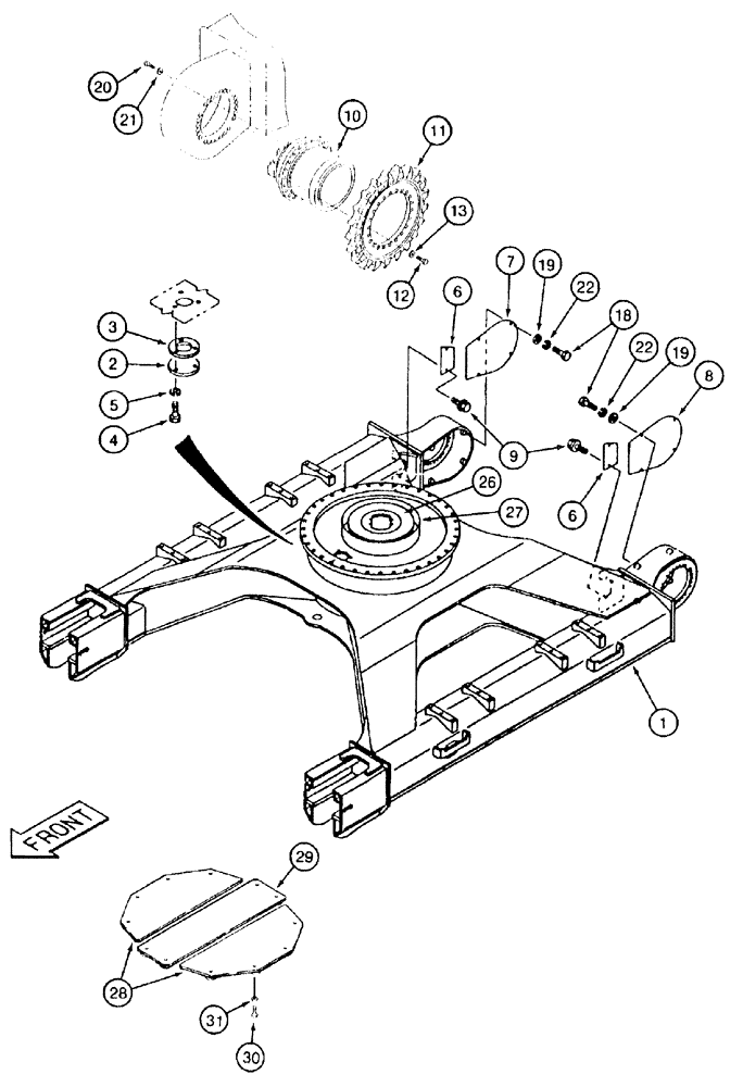
1

173688A1

FRAME

track and undercarriage

1шт.

2

150432A1

LID

COVER - access, grease fill, turntable gear

1шт.

3

150436A1

PACKING

GASKET - access cover

1шт.

4

627-8016

BOLT,Hex, M8 x 1.25 x 16mm, Cl 10.9, Full Thd

Full Thd

3шт.

5

892-11008

LOCK WASHER,8mm ID

3шт.

6

173502A1

COVER

access, hydraulic lines to track drive motor

2шт.

7

173503A1

COVER

access, track drive motor, right-hand

1шт.

8

173503A1

COVER

access, track drive motor, left-hand

1шт.

9

152718A1

BOLT,Spcl, Hex Wshr, M12 x 25mm, Cl 10.9

special

4шт.

10

162086A1

MOTOR

ASSEMBLY - track drive, see parts list figure 6-12

2шт.

11

162095A1

WHEEL GEAR

SPROCKET - track drive

2шт.

12

827-20065

BOLT,Hex, M20 x 2.5 x 65mm, Cl 10.9, Full Thd

48шт.

13

150817A1

WASHER,21mm ID x 40mm OD x 4.5mm Thk

flat, special

48шт.

18

627-12035

BOLT,Hex, M12 x 1.75 x 35mm, Cl 10.9, Full Thd

Full Thd

10шт.

19

150811A1

WASHER

flat, special, 12 mm

10шт.

20

627-24070

BOLT,Hex, M24 x 3 x 70mm, Cl 10.9, Full Thd

40шт.

21

150822A1

WASHER,25mm ID x 48mm OD x 6mm Thk

flat, special

40шт.

22

892-11012

LOCK WASHER,M12

10шт.

26

173037A1

RING

guard, inner

1шт.

27

173038A1

RING

guard, outer

1шт.

28

151283A1

COVER

access

2шт.

29

151289A1

COVER

access

1шт.

30

626-16040

BOLT,Hex, M16 x 2 x 40mm, Cl 10.9, Full Thd

Hex, M16 x 40, 10.9, Full Thd

12шт.

31

896-12016

WASHER,17.5mm ID x 30mm OD x 4mm Thk

12шт.

Выбрано товаров: 24