Запчасти Case 9050B (5-006) - TRACK CHAIN AND SHOES, MODELS WITHOUT TIMBER KING (05) - STEERING

Схема запчастей Case 9050B - (5-006) - TRACK CHAIN AND SHOES, MODELS WITHOUT TIMBER KING (05) - STEERING
9
4
10
2
6
7
8
3
5
5
11
8
1
7
9
FIT
1:1
100%

Артикул

Название

Примечание

Количество

REF

INSTRUCTION

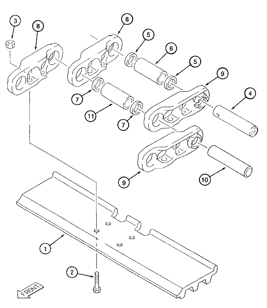
CHAIN ASSEMBLY - track, includes track shoes, Includes: Ref. 1-11

2шт.

1

173711A1

TRACK SHOE

three bar grouser, 800 mm (31-1/2 inch) wide, was 173424A1

50шт.

2

173425A1

BOLT

special, track shoe mounting

200шт.

3

173394A1

NUT

special, shoe retaining

200шт.

173423A1

TRACK CHAIN

ASSEMBLY - without track shoes, Includes: Ref. 4-11

1шт.

4

173481A1

HEADED PIN

master link

1шт.

5

173482A1

SPACER

bushing, master pin

2шт.

6

173479A1

BUSHING

master pin

1шт.

7

173483A1

SEAL

track

98шт.

8

173426A1

LINK

track, standard, right-hand

49шт.

9

173427A1

LINK

track, standard, left-hand

49шт.

10

173428A1

PIN

track, standard

49шт.

11

173480A1

BUSHING

track, standard

49шт.

Выбрано товаров: 13