Запчасти Case 9050B (5-020) - TRACK CARRIER ROLLER, TIMBER KING MODELS (05) - STEERING

Схема запчастей Case 9050B - (5-020) - TRACK CARRIER ROLLER, TIMBER KING MODELS (05) - STEERING
10
6
16
3
19
17
7
4
6
7
17
4
9
11
12
14
15
3
5
1
2
5
13
8
18
FIT
1:1
100%

Артикул

Название

Примечание

Количество

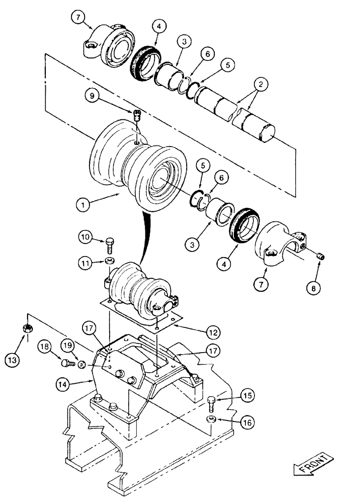
173497A1

ROLLER

ASSEMBLY - track, carrier, Includes: Ref. 1-9

4шт.

1

NSS

NOT SOLD SEPARAT

HUB - inner flanges

1шт.

2

NSS

NOT SOLD SEPARAT

SHAFT - roller

1шт.

3

NSS

NOT SOLD SEPARAT

BUSHING - roller

2шт.

4

173656A1

SEAL

face, track roller, includes two rings and two seals

2шт.

5

173657A1

O-RING

shaft

2шт.

6

173658A1

RING

retaining, shaft retaining

2шт.

7

NSS

NOT SOLD SEPARAT

BRACKET - mounting, track roller

2шт.

8

REF

INSTRUCTION

PLUG - port, not used in this application

1шт.

9

173660A1

PLUG

port

1шт.

10

827-20090

BOLT,Hex, M20 x 2.5 x 90mm, Cl 10.9

16шт.

11

150817A1

WASHER,21mm ID x 40mm OD x 4.5mm Thk

flat, special

16шт.

12

173501A1

SHIM

PLATE - shim, roller

4шт.

13

829-1420

NUT,M20, Cl 10

16шт.

14

173499A1

BRACKET

roller mounting

4шт.

15

627-16045

BOLT,Hex, M16 x 2 x 45mm, Cl 10.9, Full Thd

24шт.

16

150814A1

WASHER,17mm ID x 32mm OD x 4.5mm Thk

flat, special

24шт.

17

REF

INSTRUCTION

PLATE - guard, roller, not used in this application

1шт.

18

REF

INSTRUCTION

BOLT - hex, not used in this application

1шт.

19

REF

INSTRUCTION

WASHER - flat, not used in this application

1шт.

Выбрано товаров: 20