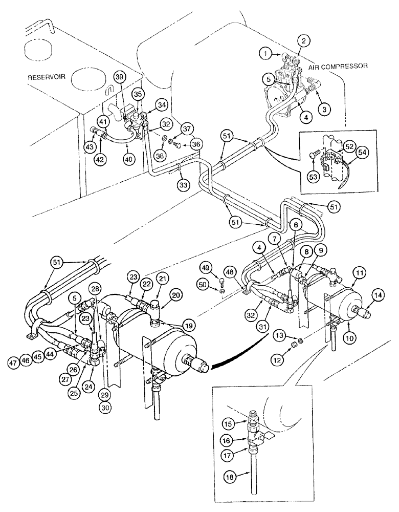
Запчасти Case 9050B (8-024) - RESERVOIR PRESSURIZATION SYSTEM, P.I.N. EAC0501196 AND AFTER (08) - HYDRAULICS

Схема запчастей Case 9050B - (8-024) - RESERVOIR PRESSURIZATION SYSTEM, P.I.N. EAC0501196 AND AFTER (08) - HYDRAULICS
51
10
15
50
31
3
26
53
7
46
2
48
18
34
4
40
19
13
5
32
33
30
6
12
23
49
47
23
45
52
21
44
35
54
24
4
14
16
9
51
36
41
51
43
38
28
5
25
11
32
22
42
17
39
37
29
27
8
1
51
20
FIT
1:1
100%

Артикул

Название

Примечание

Количество

1

170992A1

ELBOW

90 degree

1шт.

2

170993A1

ELBOW

45 degree

1шт.

3

170994A1

ELBOW

90 degree

1шт.

4

171130A1

HOSE ASSY.

2972 mm (117 inch) long, air tank supply line

1шт.

5

171131A1

HOSE ASSY.

2870 mm (113 inch) long

1шт.

6

171296A1

ADAPTER

ADAPTER - special

1шт.

7

171133A1

ELBOW

45 degree

1шт.

8

153057A1

VALVE

check, component parts not serviced separately

1шт.

9

150848A1

NIPPLE, LUBE

NIPPLE ADAPTER - straight

1шт.

10

153058A1

AIR TANK

1шт.

11

150119A1

U-BOLT,M8 x 170mm W x 105mm L

BOLT "U" tank mounting

2шт.

12

829-1408

NUT,Hex, M8 x 1.25, Cl 10.9

4шт.

13

892-11008

LOCK WASHER,8mm ID

4шт.

14

153060A1

VALVE

relief, safety

1шт.

15

150847A1

HYD CONNECTOR

CONNECTOR - straight

1шт.

16

158923A1

DRAIN VALVE

shutoff

1шт.

17

152946A1

HYD CONNECTOR

CONNECTOR ASSEMBLY - straight, component parts not serviced separately

1шт.

18

170698A1

PLASTIC-RUBBER TUBE,9.52 mm OD, 100 mm Length

nylon, drain

1шт.

19

150847A1

HYD CONNECTOR

CONNECTOR - straight

1шт.

20

152135A1

TEE

hydraulic

1шт.

21

150990A1

PLUG

tee

1шт.

22

152748A1

ADAPTER

straight

1шт.

23

153293A1

HOSE ASSY.

380 mm (15 inch) long, pressurizing supply

1шт.

24

152749A1

ADAPTER

ELBOW - 90 degree

1шт.

25

152135A1

TEE

hydraulic

1шт.

26

153065A1

SOCKET

ADAPTER - special

1шт.

27

152510A1

GASKET

adapter

1шт.

28

153063A1

GOVERNOR

air line

1шт.

30

892-11008

LOCK WASHER,8mm ID

2шт.

31

170997A1

ADAPTER

ADAPTER - straight

1шт.

32

171132A1

HOSE ASSY.

2997 mm (118 inch) long, reservoir pressurizing line

1шт.

33

170308A1

BAND

STRAP - tie

1шт.

34

171134A1

ELBOW

90 degree

1шт.

35

152845A1

VALVE

ASSEMBLY - pressure reducing, parts list figure 8-186

1шт.

36

627-6016

BOLT,Hex, M6 x 1 x 16mm, Cl 10.9, Full Thd

Full threads

2шт.

37

892-11006

LOCK WASHER,M6

2шт.

38

895-11006

WASHER,6.6mm ID x 12mm OD x 1.6mm Thk

2шт.

39

152948A1

ELBOW

ASSEMBLY - 90 degree

1шт.

40

170699A1

PLASTIC-RUBBER TUBE,9.52 mm OD, 460 mm Length

nylon, 9.5 (3/8) ID x 460 mm (18-1/8 inch) long, reservoir pressurizing line

1шт.

41

152946A1

HYD CONNECTOR

CONNECTOR ASSEMBLY - straight

1шт.

42

152460A1

VALVE

check

1шт.

43

150914A1

SOCKET

FITTING - straight

1шт.

44

153065A1

SOCKET

ADAPTER - special

1шт.

45

152510A1

GASKET

adapter

1шт.

46

150914A1

SOCKET

FITTING - straight

1шт.

47

170997A1

ADAPTER

ADAPTER - straight

1шт.

48

163259A1

CLAMP

support

1шт.

50

892-11008

LOCK WASHER,8mm ID

2шт.

51

170308A1

BAND

STRAP - tie

1шт.

52

150860A1

COLLAR

BRACKET - support

1шт.

53

840-168

SCREW,Pan, M6 x 1 x 8mm, Cl 4.8

1шт.

54

170308A1

BAND

STRAP - tie

1шт.

29

627-8025

BOLT,Hex, M8 x 1.25 x 25mm, Cl 10.9, Full Thd

2шт.

49

627-8025

BOLT,Hex, M8 x 1.25 x 25mm, Cl 10.9, Full Thd

2шт.

Выбрано товаров: 0