Запчасти Case 9050B (8-052) - BOOM PILOT LINES (08) - HYDRAULICS

Схема запчастей Case 9050B - (8-052) - BOOM PILOT LINES (08) - HYDRAULICS
3
1
12
7
10
4
13
13
14
2
5
15
6
8
8
9
3
11
FIT
1:1
100%

Артикул

Название

Примечание

Количество

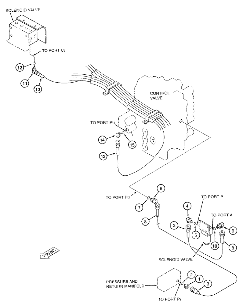
1

152127A1

HYD CONNECTOR,1/4" NPT O-Ring x 1/4" NPT

straight, Includes: Ref. 2

1шт.

2

154467A1

O-RING,10.8mm ID x 2.4mm Width

adapter

1шт.

3

152514A1

HOSE,63mm ID x 1000mm L

Boom priority signal line (Pressure and return manifold port "P8" to small solenoid valve port "P")

1шт.

4

150913A1

ELBOW,90 Degree, 1/4" O-Ring x 1/4"

90 degree, Includes: Ref. 5

1шт.

5

154467A1

O-RING,10.8mm ID x 2.4mm Width

elbow

1шт.

6

152127A1

HYD CONNECTOR,1/4" NPT O-Ring x 1/4" NPT

straight, Includes: Ref. 7

1шт.

7

154467A1

O-RING,10.8mm ID x 2.4mm Width

adapter

1шт.

8

161486A1

HOSE ASSY.

2000 mm (78-3/4 inch) long, boom priority signal line (control valve port "Pt7" to small solenoid valve port "A")

1шт.

9

150913A1

ELBOW,90 Degree, 1/4" O-Ring x 1/4"

90 degree, Includes: Ref. 10

1шт.

10

154467A1

O-RING,10.8mm ID x 2.4mm Width

elbow

1шт.

11

150913A1

ELBOW,90 Degree, 1/4" O-Ring x 1/4"

90 degree, Includes: Ref. 12

1шт.

12

154467A1

O-RING,10.8mm ID x 2.4mm Width

elbow

1шт.

13

157853A1

HOSE,6.3 mm ID x 2050.00 mm

2050 mm (80-11/16 inch) long, boom speed restriction signal line (solenoid valve port "C5" to control valve port "Pt4")

1шт.

14

150913A1

ELBOW,90 Degree, 1/4" O-Ring x 1/4"

90 degree, Includes: Ref. 15

1шт.

15

154467A1

O-RING,10.8mm ID x 2.4mm Width

elbow

1шт.

Выбрано товаров: 0