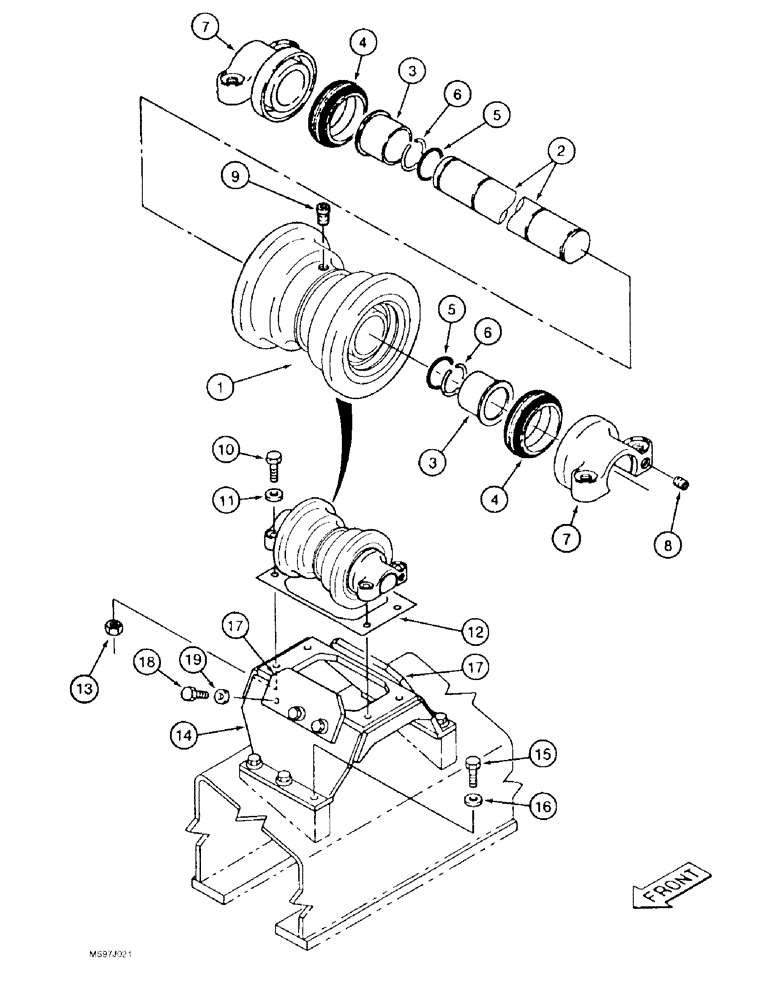
Запчасти Case 9050B (5-12) - TRACK CARRIER ROLLER, *TIMBER KING MODELS, P.I.N. DAC0531001 THRU DAC0531007 (11) - TRACKS/STEERING

Схема запчастей Case 9050B - (5-12) - TRACK CARRIER ROLLER, *TIMBER KING MODELS, P.I.N. DAC0531001 THRU DAC0531007 (11) - TRACKS/STEERING
6
4
8
5
19
15
3
18
3
12
11
17
16
13
6
14
17
7
4
5
7
10
2
9
1
FIT
1:1
100%

Артикул

Название

Примечание

Количество

162083A1

TRACK ROLLER

ROLLER ASSEMBLY - track, carrier, Includes: Ref. 1 - 9

4шт.

1

164250A1

ROLLER

HUB - inner flanges

1шт.

2

164253A1

SHAFT

- roller

1шт.

3

164251A1

BUSHING

- roller

2шт.

4

164744A1

SEAL

- face, track roller, includes two rings and two seals

2шт.

5

150200A1

O-RING

- shaft

2шт.

6

151152A1

LOCKING RING

RING - retaining, shaft retaining

2шт.

7

164254A1

COLLAR

BRACKET - mounting, track roller

2шт.

8

150821A1

PLUG

- port

2шт.

9

REF

INSTRUCTION

PLUG - port, not used in this application

1шт.

10

827-20080

BOLT,Hex, M20 x 2.5 x 80mm, Cl 10.9

- hex, 20 - 2.5 x 80 mm, class 10.9

16шт.

11

150817A1

WASHER,21mm ID x 40mm OD x 4.5mm Thk

- flat, special

16шт.

12

164256A1

BLOCK

PLATE - shim, roller

4шт.

13

REF

INSTRUCTION

NUT - hex, not used in this application

1шт.

14

164257A1

BRACKET

- roller mounting

4шт.

15

627-16045

BOLT,Hex, M16 x 2 x 45mm, Cl 10.9, Full Thd

24шт.

16

150814A1

WASHER,17mm ID x 32mm OD x 4.5mm Thk

- flat, special

24шт.

17

164255A1

PLATE

- guard, roller

8шт.

18

627-12035

BOLT,Hex, M12 x 1.75 x 35mm, Cl 10.9, Full Thd

- hex, full threads, 12 - 1.75 x 35 mm, class 10.9

24шт.

19

150811A1

WASHER

- flat, special, 12 mm

24шт.

173497A1

ROLLER

ASSEMBLY - track, carrier, Includes: Ref. 1 - 9, P.I.N. EAC0531007 AND AFTER

4шт.

1

NSS

NOT SOLD SEPARAT

HUB - inner flanges

1шт.

2

NSS

NOT SOLD SEPARAT

SHAFT - roller

1шт.

3

NSS

NOT SOLD SEPARAT

BUSHING - roller

2шт.

4

173656A1

SEAL

- face, track roller, includes two rings and two seals

2шт.

5

173657A1

O-RING

- shaft

2шт.

6

173658A1

RING

- retaining, shaft retaining

2шт.

7

NSS

NOT SOLD SEPARAT

BRACKET - mounting, track roller

2шт.

8

REF

INSTRUCTION

PLUG - port, not used in this application

1шт.

9

173660A1

PLUG

- port

1шт.

10

827-20090

BOLT,Hex, M20 x 2.5 x 90mm, Cl 10.9

- hex, 20 - 2.5 x 90 mm, class 10.9

16шт.

11

150817A1

WASHER,21mm ID x 40mm OD x 4.5mm Thk

- flat, special

16шт.

12

173501A1

SHIM

PLATE - shim, roller

4шт.

13

829-1420

NUT,M20, Cl 10

16шт.

14

173499A1

BRACKET

- roller mounting

4шт.

15

627-16045

BOLT,Hex, M16 x 2 x 45mm, Cl 10.9, Full Thd

24шт.

16

150814A1

WASHER,17mm ID x 32mm OD x 4.5mm Thk

- flat, special

24шт.

17

REF

INSTRUCTION

PLATE - guard, roller, not used in this application

1шт.

18

REF

INSTRUCTION

BOLT - hex, not used in this application

1шт.

19

REF

INSTRUCTION

WASHER - flat, not used in this application

1шт.

Выбрано товаров: 40