Запчасти Case 9060 (2-02) - ENGINE, MOUNTING AND ADAPTING PARTS (02) - ENGINE

Схема запчастей Case 9060 - (2-02) - ENGINE, MOUNTING AND ADAPTING PARTS (02) - ENGINE
FIT
1:1
100%

Артикул

Название

Примечание

Количество

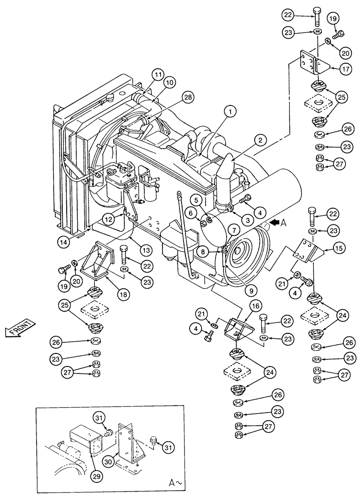
1

150984A1

ENGINE ASSEMBLY

- parts list Figures 2-10 - 2-58, 3-8 - 3-18, & 4-2 - 4-6

1шт.

2

151024A1

PIPE

- exhaust

1шт.

3

151049A1

CLAMP

- exhaust, Serial Range: pipe-muffler

1шт.

4

628-12035

BOLT,Hex, M12 x 1.75 x 35mm, Cl 10.9, Full Thd

BOLT, Hex, M12 x 35, 10.9, Full Thd

9шт.

5

892-11012

LOCK WASHER,M12

WASHER, LOCK, M12

1шт.

6

829-1412

NUT,M12, Cl 10.9

- hex, 12 mm - 1.75, class 10

1шт.

7

151252A1

NIPPLE, LUBE

ADAPTER - straight

1шт.

8

153041A1

COLLAR

CLAMP - tube

1шт.

9

150668A1

TUBE

- muffler drain

1шт.

10

150994A1

RADIATOR HOSE,60.00 mm ID, 65.00 mm ID x 280.00 mm

HOSE - radiator, to engine, upper

1шт.

11

152796A1

COLLAR

CLAMP - adjustable

1шт.

12

157720A1

HOSE CLAMP

CLAMP - hose

1шт.

13

150998A1

RADIATOR HOSE,60.00 mm ID, 68.00 mm ID

HOSE - radiator, to engine, lower

1шт.

14

152796A1

COLLAR

CLAMP - adjustable

1шт.

15

151029A1

ENGINE MOUNT

BRACKET - engine mounting, left rear

1шт.

16

151032A1

ENGINE MOUNT

BRACKET - engine mounting, left front

1шт.

17

151204A1

ENGINE MOUNT

BRACKET - engine mounting, right rear

1шт.

18

151764A1

ENGINE MOUNT

BRACKET - engine mounting, right front

1шт.

19

151387A1

SPECIAL BOLT,High Strength, Hex

BOLT - hex, special

8шт.

20

150418A1

WASHER

- flat, special

8шт.

21

150811A1

WASHER

- flat, special, 12 mm

8шт.

22

827-20130

BOLT,Hex, M20 x 2.5 x 130mm, Cl 10.9

- hex, 20 - 2.5 x 130 mm, class 10.9

4шт.

23

150817A1

WASHER,21mm ID x 40mm OD x 4.5mm Thk

- flat, special

8шт.

24

150877A1

RUBBER WASHER

INSULATOR - rubber, engine mounting, left-hand side

4шт.

25

150879A1

RUBBER WASHER

INSULATOR - rubber, engine mounting, right-hand side

4шт.

26

150874A1

WASHER

- special

4шт.

27

829-1420

NUT,M20, Cl 10

8шт.

28

157719A1

CLAMP

- hose

1шт.

29

158176A1

COVER

- solenoid

1шт.

30

158177A1

BRACKET

- cover mounting

1шт.

31

152718A1

BOLT,Spcl, Hex Wshr, M12 x 25mm, Cl 10.9

- special

7шт.

Выбрано товаров: 31