Запчасти Case 9060 (9-11A) - COUNTERWEIGHT REMOVAL SYSTEM (09) - CHASSIS/ATTACHMENTS

Схема запчастей Case 9060 - (9-11A) - COUNTERWEIGHT REMOVAL SYSTEM (09) - CHASSIS/ATTACHMENTS
FIT
1:1
100%

Артикул

Название

Примечание

Количество

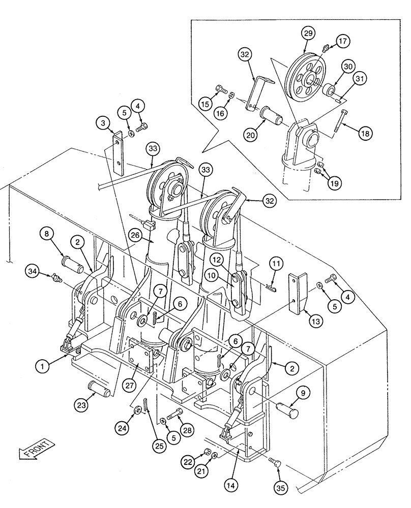
1

151109A1

BRACKET

- mounting, right-hand side

1шт.

2

151103A1

LINK

- mounting

2шт.

3

151118A1

GUIDE

- mounting, right-hand

1шт.

4

626-20040

BOLT,Hex, M20 x 2.5 x 40mm, Cl 10.9, Full Thd

- hex, full threads, 20 - 2.5 x 40 mm, class 10.9

4шт.

5

150817A1

WASHER,21mm ID x 40mm OD x 4.5mm Thk

- flat, special

12шт.

6

733-10090

COTTER PIN,M10 x 90

PIN - cotter, 10 x 90 mm

4шт.

7

896-12048

WASHER

- flat, 50 x 92 x 8 mm

4шт.

8

116499A1

HEADED PIN

PIN - clevis, at strut side bracket

2шт.

9

116500A1

HEADED PIN

PIN - clevis, link mounting

2шт.

10

151130A1

LINK

- cable attaching

8шт.

11

150085A1

COTTER PIN

- clip, clevis pin retaining

8шт.

12

116501A1

HEADED PIN

PIN - clevis, at cable retaining link

8шт.

13

151121A1

GUIDE

- mounting, left-hand

1шт.

14

151106A1

BRACKET

- mounting, left-hand side

1шт.

15

627-10025

BOLT,Hex, M10 x 1.5 x 25mm, Cl 10.9, Full Thd

- hex, full threads, 10 - 1.5 x 25 mm, class 10.9

4шт.

16

892-11010

LOCK WASHER,M10

4шт.

17

153630A1

LUBE NIPPLE

FITTING - grease, straight

2шт.

18

828-20150

BOLT,Hex, M20 x 2.5 x 150mm, Cl 10.9

- hex, 20 - 2.5 x 150 mm, class 10.9

2шт.

19

829-1420

NUT,M20, Cl 10

4шт.

20

151006A1

HEADED PIN

PIN - clevis, pulley mounting

2шт.

21

150988A1

WASHER

- flat, special, 12 mm

4шт.

22

829-1412

NUT,M12, Cl 10.9

- hex, 12 mm - 1.75, class 10

4шт.

23

116498A1

HEADED PIN

PIN - clevis, strut base

2шт.

24

896-12039

WASHER

- flat, 40 x 72 x 6 mm

2шт.

25

733-8080

COTTER PIN,M8 x 80

PIN - cotter, 8 x 80 mm

2шт.

26

151100A1

STRUT

- counterweight removal

1шт.

27

151723A1

BRACKET

- mounting, strut base

2шт.

28

828-20070

BOLT,Hex, M20 x 2.5 x 70mm, Cl 10.9

- hex, 20 - 2.5 x 70 mm, class 10.9

8шт.

150008A1

SHEAVE

PULLEY - counterweight removal, Includes: Ref. 29 - 31

2шт.

29

NSS

NOT SOLD SEPARAT

PULLEY - counterweight removal

1шт.

30

153629A1

BUSHING

- pulley, bronze

1шт.

31

112308A1

SCREW

- special, pulley key

1шт.

32

151015A1

GUARD

- cable

2шт.

33

151116A1

CABLE

- counterweight removal

2шт.

34

150708A1

NIPPLE, LUBE

FITTING - grease, 90 degree

2шт.

35

627-12045

BOLT,Hex, M12 x 1.75 x 45mm, Cl 10.9, Full Thd

- hex, full threads, 12 - 1.75 x 45 mm, class 10.9

4шт.

Выбрано товаров: 36