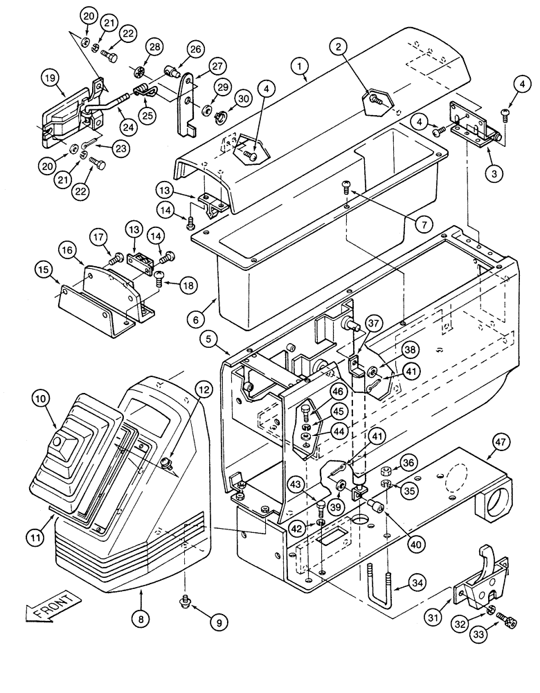
Запчасти Case 9060 (9-26) - LEFT-HAND CONTROL CONSOLE AND LINKAGE, COVER TO PLATFORM (09) - CHASSIS/ATTACHMENTS

Схема запчастей Case 9060 - (9-26) - LEFT-HAND CONTROL CONSOLE AND LINKAGE, COVER TO PLATFORM (09) - CHASSIS/ATTACHMENTS
FIT
1:1
100%

Артикул

Название

Примечание

Количество

152120A1

BOX

CONSOLE - control, left-hand, includes parts on figures 9-26 thru 9-30, Includes: Ref. 1 - 47

1шт.

1

152116A1

COVER

- console, top

1шт.

2

152025A1

SCREW,Phil Truss Hd, M3 x 5mm

- truss head, special

2шт.

3

152107A1

HINGE

- top cover

1шт.

4

152028A1

SCREW,Phil Truss Hd, M4 x 8mm

- truss head, special

10шт.

5

152106A1

BOX

CONSOLE - control, left-hand

1шт.

6

152109A1

BOX

TRAY - left-hand console

1шт.

7

151159A1

SCREW,Truss Hd, M4 x 12mm

- special

6шт.

8

151769A1

COVER

- front, left-hand console

1шт.

9

151679A1

SCREW,Phil Pan Hd, M4 x 12mm, W/ Wshr

- special

2шт.

10

152398A1

BOOT

- dust, remote control

1шт.

11

151773A1

FLANGE

BRACKET - flanged, front, left-hand console

1шт.

12

151679A1

SCREW,Phil Pan Hd, M4 x 12mm, W/ Wshr

- special

8шт.

13

152367A1

CATCH

- console top cover, two-piece

1шт.

14

151668A1

SCREW,Phil Pan Hd, M3 x 8mm, W/ Wshr

- special, pan head

4шт.

15

151779A1

BRACKET

- end cover mounting

1шт.

16

151775A1

COVER

- top end, left-hand console

1шт.

17

151159A1

SCREW,Truss Hd, M4 x 12mm

- special

2шт.

18

157549A1

SCREW

- truss head, special

4шт.

19

151348A1

HANDLE

LATCH - handle, top cover

1шт.

20

895-11006

WASHER,6.6mm ID x 12mm OD x 1.6mm Thk

3шт.

21

892-11006

LOCK WASHER,M6

WASHER, LOCK, M6

3шт.

22

627-6012

BOLT,Hex, M6 x 1 x 12mm, Cl 10.9, Full Thd

- hex, full threads, 6 - 1.0 x 12 mm, class 10.9

3шт.

23

733-2012

COTTER PIN,M2 x 12

PIN, SPLIT (COTTER), M2 x 12

1шт.

24

151912A1

ROD

- threaded, at console latch

1шт.

25

151364A1

SPRING

- latch rod

1шт.

26

151358A1

SPECIAL PIN

PIN - spring tension

1шт.

27

151918A1

LINK

BELLCRANK - door handle

1шт.

28

151389A1

WAVE WASHER

- special

1шт.

29

895-11010

WASHER,11mm ID x 20mm OD x 2mm Thk

- flat, 11 x 21 x 2 mm

1шт.

30

800-1110

SNAP RING,M10, Ext

RING - external retaining, No. 10

1шт.

31

150931A1

LATCH

- console

1шт.

32

892-11008

LOCK WASHER,8mm ID

WASHER, LOCK, M8

2шт.

33

862-8012

HEX SOC SCREW,M8 x 12mm, Cl 12.9

BOLT - hex socket, 8 - 1.25 x 12 mm, class 12.9

2шт.

34

151987A1

SPECIAL CLAMP,M4 x 40mm W x 72mm L

U-BOLT - at platform

1шт.

35

892-11004

LOCK WASHER,M4

WASHER, LOCK, M4

2шт.

36

824-1404

NUT,M4, Cl 5

- hex, 4 mm - 0.7, class 5

2шт.

37

151934A1

DAMPER

CYLINDER - air

1шт.

38

895-11008

WASHER,9mm ID x 16mm OD x 1.6mm Thk

- flat, 9 x 17 x 1.6 mm

1шт.

39

895-11008

WASHER,9mm ID x 16mm OD x 1.6mm Thk

- flat, 9 x 17 x 1.6 mm

1шт.

40

151938A1

SPECIAL PIN

PIN - retaining, air cylinder rod eye

1шт.

41

153077A1

COTTER PIN

CLIP - hair pin type

2шт.

42

892-11008

LOCK WASHER,8mm ID

WASHER, LOCK, M8

2шт.

43

627-8016

BOLT,Hex, M8 x 1.25 x 16mm, Cl 10.9, Full Thd

- hex, full threads, 8 - 1.25 x 16 mm, class 10.9

2шт.

44

895-11008

WASHER,9mm ID x 16mm OD x 1.6mm Thk

- flat, 9 x 17 x 1.6 mm

6шт.

45

892-11008

LOCK WASHER,8mm ID

WASHER, LOCK, M8

6шт.

46

627-8016

BOLT,Hex, M8 x 1.25 x 16mm, Cl 10.9, Full Thd

- hex, full threads, 8 - 1.25 x 16 mm, class 10.9

6шт.

47

152134A1

BRACKET

PLATFORM - left-hand control console

1шт.

Выбрано товаров: 48