Запчасти Case 9060 (2-52) - AIR COMPRESSOR SYSTEM (02) - ENGINE

Схема запчастей Case 9060 - (2-52) - AIR COMPRESSOR SYSTEM (02) - ENGINE
FIT
1:1
100%

Артикул

Название

Примечание

Количество

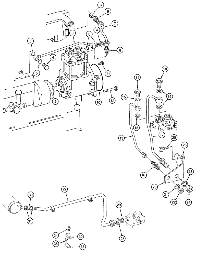
1

132554A1

COMPRESSOR

- air, parts list figure 2-54

1шт.

2

132635A1

KEY

- Woodruff, 5 x 22 mm

1шт.

3

132596A1

TUBE

- water inlet

1шт.

4

132660A1

BOLT,M16 x 29mm

- 16 x 29 mm, inlet tube

2шт.

5

132412A1

GASKET

- special, 16 mm, eyebolt

2шт.

6

132636A1

GASKET

- 14 mm, eyebolt

3шт.

7

132589A1

UNLOADING TUBE

TUBE - water outlet

1шт.

8

132650A1

FITTING

ADAPTER - at air compressor

1шт.

9

132651A1

FITTING

ADAPTER - at manifold

1шт.

10

132628A1

O-RING

- air compressor

1шт.

11

132378A1

BOLT,Hex Flg, M10 x 20mm

- hex flange, 10 x 20 mm

1шт.

12

132669A1

BOLT,Hex Flg, M10 x 85mm

- hex, flange, 10 x 85 mm

3шт.

13

134725A1

UNLOADING TUBE

TUBE - unloader

1шт.

14

132658A1

BOLT,M18 x 28mm

- 18 x 28 mm, unloader tube

1шт.

15

132639A1

GASKET

- 18 mm, eyebolt

2шт.

16

132649A1

FITTING

ADAPTER - bulkhead

1шт.

17

134722A1

TUBE

- outlet

1шт.

18

132659A1

BOLT,M24 x 36mm

- 24 x 36 mm

1шт.

19

132640A1

GASKET

- 24 mm, eyebolt

2шт.

20

132557A1

BRACKET

- tube support

1шт.

21

132622A1

WASHER

- lock, 14 mm

1шт.

22

132634A1

NUT

- hex jam, 14 mm

1шт.

23

132621A1

WASHER

- lock, 20 mm

1шт.

24

132633A1

NUT

- hex jam, 20 mm

1шт.

25

132674A1

BOLT,Hex Flg, M12 x 35mm

- hex flange, 12 x 35 mm

2шт.

26

132624A1

WASHER

- flat, 12 mm

1шт.

27

134728A1

TUBE

- suction, from air cleaner

1шт.

28

132644A1

FITTING

ADAPTER - straight

1шт.

29

132638A1

GASKET

- 27 mm, adapter

1шт.

30

134730A1

HOSE - suction, at air cleaner

1шт.

31

132292A1

CLAMP

- 30 mm diameter, suction hose

2шт.

32

132654A1

CLIP

CLAMP - P-style, 20 mm

2шт.

33

134759A1

SUPPORT

- clamp

2шт.

34

132373A1

BOLT,Hex Flg, M6 x 12mm

- hex flange, 6 x 12 mm

2шт.

35

132673A1

BOLT,Hex Flg, M8 x 35mm

BOLT - hex, flange, 8 x 35 mm

2шт.

35

133169A1

BOLT,M10 x 30mm, W/ Captive Wshr

- with captive washer, 10 x 30 mm

1шт.

Выбрано товаров: 36