Запчасти Case 9060 (4-16) - RIGHT-HAND CONSOLE AND HARNESS (04) - ELECTRICAL SYSTEMS

Схема запчастей Case 9060 - (4-16) - RIGHT-HAND CONSOLE AND HARNESS (04) - ELECTRICAL SYSTEMS
FIT
1:1
100%

Артикул

Название

Примечание

Количество

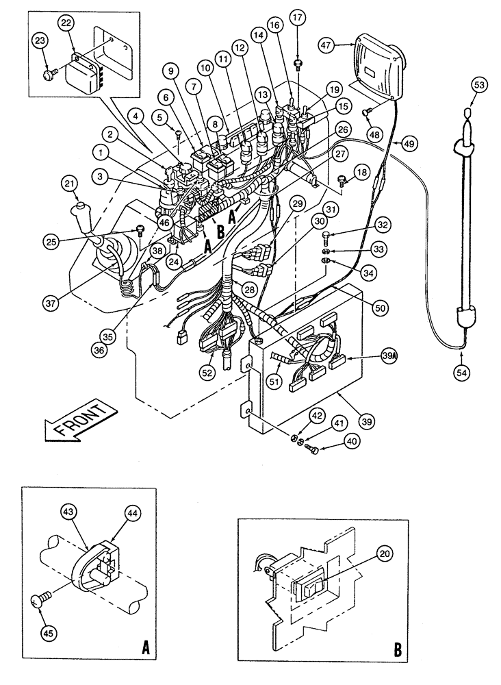
150973A1

SWITCH

- ignition, Includes: Ref. 1 & 2

1шт.

1

150981A1

ASSEMBLY

SWITCH - ignition

1шт.

2

150979A1

IGNITION KEY

KEY - ignition switch

2шт.

REF.2 (150979A1 KEY) COMES AS A SET OF 2 KEYS. IF YOU ORDER 1 PC YOU WILL GET A SET OF 2. NAPO TECH 7/1/99

1шт.

3

150788A1

SWITCH

- push button, check - stop/alarm

1шт.

4

150923A1

SWITCH

- engine throttle

1шт.

5

150875A1

SCREW,Phil Truss Hd, M4 x 12mm

- special, switch mounting

2шт.

6

152496A1

SWITCH

- rocker, cushion control

1шт.

7

152132A1

SWITCH

- rocker, attachment control

1шт.

8

152187A1

SWITCH

- rocker, travel alarm

1шт.

9

151728A1

CAP

COVER - switch location

1шт.

10

159339A1

RADIO

- AM/FM, 24 volt

1шт.

11

152672A1

SWITCH

- rotary, windshield wiper and washer

1шт.

12

150640A1

SWITCH

- rotary, lamp

1шт.

13

151848A1

SWITCH

- rotary, heater fan

1шт.

14

151858A1

SWITCH

- rotary, hydraulic mode selection

1шт.

15

151853A1

SWITCH

- rotary, selection, one touch decelerator

1шт.

16

151843A1

SWITCH

- backup bypass

1шт.

17

151668A1

SCREW,Phil Pan Hd, M3 x 8mm, W/ Wshr

- special, pan head

4шт.

18

151677A1

SCREW,Phil Pan Hd, M4 x 8mm, W/ Wshr

- special, pan head

2шт.

19

150646A1

SWITCH

- toggle, manual throttle

1шт.

20

152677A1

SWITCH

- rocker, free swing

1шт.

21

151616A1

KNOB

- control, right-hand controller

1шт.

22

150793A1

BOX, FUSE

BOX - fuse

1шт.

REF 22: PER 9030 OPS MANUAL, FUSE BOX CONTAINS 3 10 AMP FUSES AND 5 15 AMP FUSES. FUSES ARE STD GLASS TUBE TYPE PER RICK CERMAK IN TSG. 9/23/97 BW.

1шт.

23

152102A1

CAPTIVE WASHER SCREW,Phil Pan Hd, M6 x 20mm

SCREW - pan head, special

2шт.

24

150806A1

RELAY

- horn

1шт.

25

152099A1

CAPTIVE WASHER SCREW,Phil Pan Hd, M6 x 12mm

- pan head, special

1шт.

26

151054A1

HARNESS

- right-hand console

1шт.

27

150440A1

PLASTIC-RUBBER TUBE

SLEEVE - corrugated, 39-3/8 inch (1000 mm) long

1шт.

28

150067A1

MOUNTING CLIP

STRAP - tie, 150 mm long

1шт.

29

150369A1

DIODE

- electrical, right-hand console harness

6шт.

30

150949A1

RESISTOR

- right-hand console harness

1шт.

31

150952A1

CONDENSER

- right-hand console harness

1шт.

32

627-10020

BOLT,Hex, M10 x 1.5 x 20mm, Cl 10.9, Full Thd

- hex, full threads, 10 - 1.5 x 20 mm, class 10.9

1шт.

33

892-11010

LOCK WASHER,M10

1шт.

34

893-11010

LOCK WASHER,Ext Tooth, M10

WASHER, LOCK, Ext Tooth, M10

1шт.

35

150089A1

TERMINAL CONNECTOR

CONNECTOR - electrical

1шт.

36

150094A1

TERMINAL CONNECTOR

CONNECTOR - electrical

1шт.

37

151031A1

TUBE,3.6 mm ID, 200 mm Length

- vinyl, 7-7/8 inch (200 mm) long

1шт.

38

150563A1

CLIP

- wire

1шт.

158832A1

CONTROL

LER - electrical system, was 157160A1

1шт.

39

NSS

NOT SOLD SEPARAT

CONTROLLER - electrical system, was 150920A1, order 158832A1

1шт.

39a

158833A1

PRINTED CIRCUIT BOAR

MICROPROCESSOR - ROM (read only memory), was 157161A1

1шт.

40

627-8016

BOLT,Hex, M8 x 1.25 x 16mm, Cl 10.9, Full Thd

- hex, full threads, 8 - 1.25 x 16 mm, class 10.9

4шт.

41

892-11008

LOCK WASHER,8mm ID

WASHER, LOCK, M8

4шт.

42

895-11008

WASHER,9mm ID x 16mm OD x 1.6mm Thk

- flat, 9 x 17 x 1.6 mm

4шт.

43

150071A1

MOUNTING CLIP

STRAP - tie, 365 mm long, harness

2шт.

44

150860A1

COLLAR

BRACKET - support

2шт.

45

840-1612

SCREW,Pan, M6 x 12mm, Cl 4.8

- machine, pan Phillips, 6 - 1.0 x 12 mm, Bracket mounting

2шт.

46

153059A1

SWITCH

- push button, engine stop

1шт.

47

150389A1

SPEAKER

- radio

1шт.

48

840-1516

SCREW,Pan, M5 x 16mm, Cl 4.8

- machine, pan Phillips, 5 - 0.8 x 16 mm, Speaker mounting

4шт.

49

150586A1

ELECTRICAL WIRE

WIRE - speaker, at speaker

1шт.

50

151081A1

ELECTRICAL WIRE

WIRE - speaker, at console

1шт.

51

150930A1

HARNESS

- instrument cluster

1шт.

52

291943A1

HARNESS

- main electrical (replaces 151056A1)

1шт.

53

152497A1

ANTENNA

- radio

1шт.

54

152500A1

CABLE ASSY.

WIRE - antenna, radio

1шт.

Выбрано товаров: 59