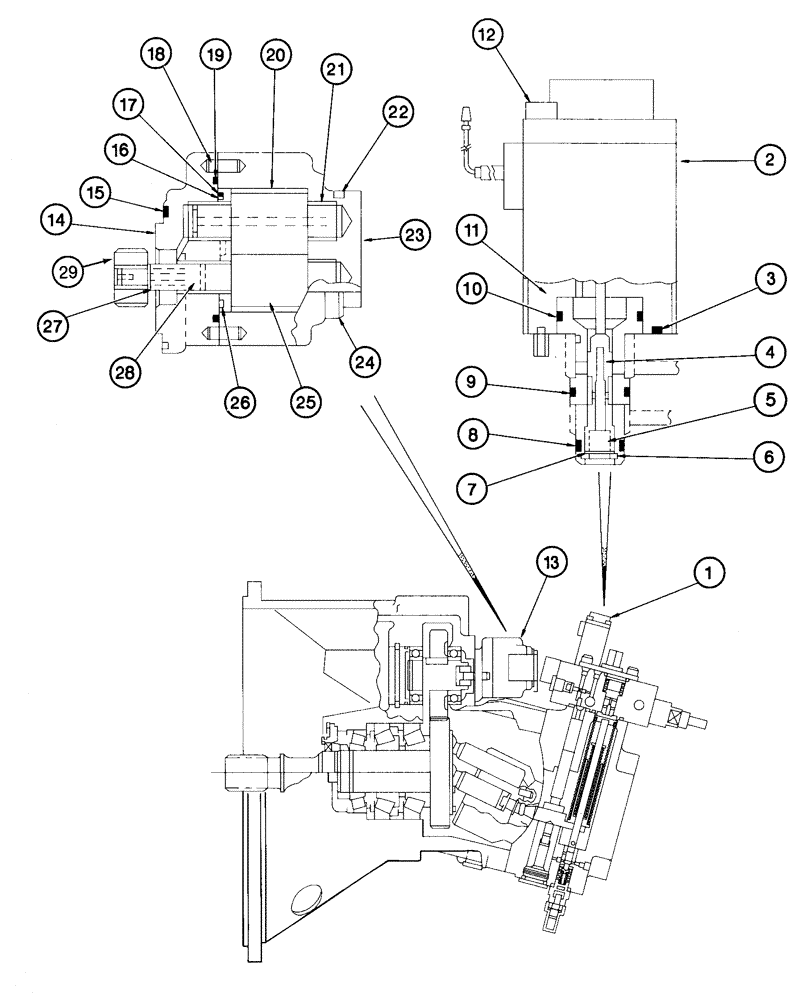
Запчасти Case 9060 (8-018) - 152813A1 & 160661A1 EQUIPMENT PUMP, PRESSURE REDUCING VALVE & PILOT GEAR PUMP (08) - HYDRAULICS

Схема запчастей Case 9060 - (8-018) - 152813A1 & 160661A1 EQUIPMENT PUMP, PRESSURE REDUCING VALVE & PILOT GEAR PUMP (08) - HYDRAULICS
FIT
1:1
100%

Артикул

Название

Примечание

Количество

152813A1

PUMP, HYDRAULIC

PUMP - hydraulic, parts list figures 8-014 - 8-022, order 160661A1 pump for service, Serial Range: -EAC0600033

1шт.

160661A1

PUMP

- hydraulic, parts list figures 8-014 - 8-022, Start Serial: EAC0600033

1шт.

1

155837A1

SOLENOID

VALVE - pressure reducing, 152813A1 pump only, Includes: Ref. 2 - 12

1шт.

1

164833A1

VALVE

- pressure reducing, 160661A1 pump only, Includes: Ref. 2 - 12

1шт.

2

NSS

NOT SOLD SEPARAT

SOLENOID - pressure reducing valve

1шт.

3

155188A1

O-RING

- solenoid to regulator cover

1шт.

4

NSS

NOT SOLD SEPARAT

PISTON - valve, pressure reducing

1шт.

5

NSS

NOT SOLD SEPARAT

SPRING - piston return, pressure reducing valve

1шт.

6

NSS

NOT SOLD SEPARAT

RING - retaining, pressure reducing valve

1шт.

7

NSS

NOT SOLD SEPARAT

WASHER - lock, 10 mm, pressure reducing valve

1шт.

8

155202A1

O-RING

- inner, pressure reducing valve

1шт.

9

155203A1

O-RING

- center, pressure reducing valve

1шт.

10

155187A1

O-RING

- outer stem, pressure reducing valve

1шт.

11

NSS

NOT SOLD SEPARAT

BODY - valve, pressure reducing valve

1шт.

12

NSS

NOT SOLD SEPARAT

BOLT - hex socket, special, solenoid mounting, pressure reducing valve

4шт.

13

155834A1

PUMP, HYDRAULIC

PUMP - pilot gear, Includes: Ref. 14 - 29

1шт.

14

NSS

NOT SOLD SEPARAT

COVER - shaft end, pilot gear pump

1шт.

15

155193A1

O-RING

- pilot gear cover to equipment pump housing

1шт.

16

NSS

NOT SOLD SEPARAT

RING - backup, pilot gear pump

1шт.

17

NSS

NOT SOLD SEPARAT

RING - seal, pilot gear pump

1шт.

18

837-5010

DOWEL,M5 x 10

PIN - dowel, 5 x 10 mm, hardened, pilot gear pump

2шт.

19

155194A1

O-RING

- cover to body, pilot gear pump

1шт.

20

NSS

NOT SOLD SEPARAT

GEAR - drive, pilot gear pump

1шт.

21

NSS

NOT SOLD SEPARAT

BUSHING - gear shaft, pilot pump

4шт.

22

NSS

NOT SOLD SEPARAT

PLUG - housing port, pilot gear pump

1шт.

23

NSS

NOT SOLD SEPARAT

HOUSING - pilot gear pump

1шт.

24

863-8065

HEX SOC SCREW,M8 x 65mm, Cl 12.9

BOLT - hex socket, 8 - 1.25 x 65 mm, class 12.9, pilot gear pump

4шт.

25

NSS

NOT SOLD SEPARAT

GEAR - drive, pilot gear pump

1шт.

26

NSS

NOT SOLD SEPARAT

PLATE - thrust, pilot gear pump

1шт.

27

800-1114

SNAP RING,M14, Ext

RING - external retaining, No.14, pilot gear pump

1шт.

28

861-8020

HEX SOC SCREW,M8 x 20mm, Cl 12.9

SCREW - hex socket, 8 - 1.25 x 20 mm, class 12.9, Pilot gear pump

2шт.

29

155258A1

COUPLING

- pilot gear pump

1шт.

Выбрано товаров: 0