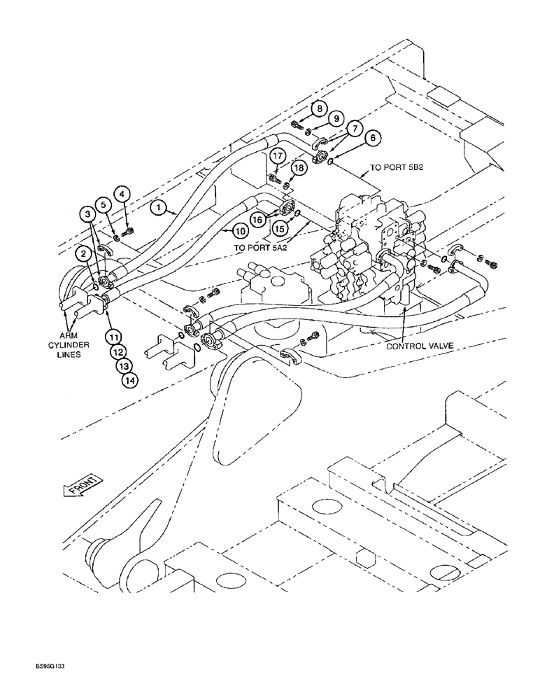
Запчасти Case 9060B (8-054) - ARM CYLINDER SUPPLY LINES - MAIN CONTROL VALVE TO ARM CYLINDER (08) - HYDRAULICS

Схема запчастей Case 9060B - (8-054) - ARM CYLINDER SUPPLY LINES - MAIN CONTROL VALVE TO ARM CYLINDER (08) - HYDRAULICS
2
16
14
11
8
15
18
3
7
9
4
5
12
6
13
17
1
10
FIT
1:1
100%

Артикул

Название

Примечание

Количество

1

163617A1

HOSE

- 1650 mm (65 inch) long, arm-out line (main control valve port \xd2 5B2\xd3 to arm cylinder line)

1шт.

2

162246A1

O-RING

- hose

1шт.

3

A12306

FLANGE

CLAMP - split flange

2шт.

4

862-10035

HEX SOC SCREW,M10 x 35mm, Cl 12.9

SCREW - hex socket, 10 - 1.5 x 35 mm, class 12.9

4шт.

5

112309A1

LOCK WASHER

- lock, special

4шт.

6

153626A1

O-RING

- hose

1шт.

7

150124A1

FLANGE

- split

2шт.

8

827-14050

BOLT,Hex, M14 x 2 x 50mm, Cl 10.9

4шт.

9

892-11014

LOCK WASHER,14.5mm ID x 24.1mm OD x 4.5mm Thk

WASHER - lock, 14 mm

4шт.

10

163633A1

HOSE

- 1450 mm (57 inch) long, arm-out line (main control valve port \xd2 5A2\xd3 to arm cylinder line), arm-in line

1шт.

11

153626A1

O-RING

- hose, arm-in lines

1шт.

12

150124A1

FLANGE

- split, arm-in lines

2шт.

13

862-14050

HEX SOC SCREW,M14 x 50mm, Cl 12.9

BOLT - hex socket, 14 - 2.0 x 50 mm, class 12.9, arm-in lines

4шт.

14

150336A1

SPRING WASHER

WASHER - lock, 14 mm, arm-in lines

4шт.

15

153626A1

O-RING

- hose, arm-in lines

1шт.

16

150124A1

FLANGE

- split, arm-in lines

2шт.

17

827-14050

BOLT,Hex, M14 x 2 x 50mm, Cl 10.9

Arm-in lines Hex, M14 x 50, 10.9, Full Thd

4шт.

18

892-11014

LOCK WASHER,14.5mm ID x 24.1mm OD x 4.5mm Thk

WASHER - lock, 14 mm, Arm-in lines

4шт.

Выбрано товаров: 18