Запчасти Case 9060B (8-141A) - BOOM CYLINDERS, MODELS WITH LOAD HOLDING OPTION (08) - HYDRAULICS

Схема запчастей Case 9060B - (8-141A) - BOOM CYLINDERS, MODELS WITH LOAD HOLDING OPTION (08) - HYDRAULICS
36
30
39
38
33
6
19
24
41
35
5
18
30
13
36
42
35
9
2
10
20
11
32
4
15
17
23
37
26
40
16
3
25
7
14
22
1
21
12
8
31
34
FIT
1:1
100%

Артикул

Название

Примечание

Количество

164969A1

CYLINDER ASSY.

CYLINDER - 160 (6-5/16) x 1580 mm (60-3/16 inch) stroke, boom, right-hand, Includes: Ref. 1 - 42

1шт.

164970A1

CYLINDER ASSY.

CYLINDER - 160 (6-5/16) x 1580 mm (60-3/16 inch) stroke, boom, left-hand, Includes: Ref. 1 - 42

1шт.

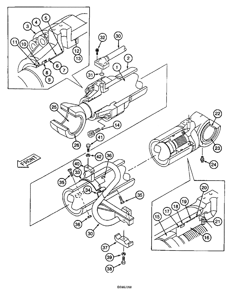
1

164046A1

PISTON ROD

ROD - cylinder, component parts not serviced separately

1шт.

2

164045A1

HYD TUBE

TUBE - cylinder, component parts not serviced separately

1шт.

3

164098A1

JACK PISTON

GLAND - cylinder

1шт.

4

155403A1

RING

BUSHING - gland

1шт.

5

155730A1

CLIP

RING - retaining

1шт.

6

155140A1

SEAL

RING - buffer

1шт.

Part of seal replacement kit P/N 164059A1

1шт.

7

163951A1

O-RING

- gland

1шт.

Part of seal replacement kit P/N 164059A1

1шт.

8

155315A1

SEAL

- U-cup

1шт.

Part of seal replacement kit P/N 164059A1

1шт.

9

163955A1

RING

- backup

1шт.

Part of seal replacement kit P/N 164059A1

1шт.

10

155331A1

SEALING RING

SEAL - piston rod

1шт.

Part of seal replacement kit P/N 164059A1

1шт.

11

155137A1

SEAL

WIPER - piston rod

1шт.

Part of seal replacement kit P/N 164059A1

1шт.

12

154813A1

O-RING

SEAL - gland

1шт.

Part of seal replacement kit P/N 164059A1

1шт.

13

154215A1

BACK-UP RING

RING - backup

1шт.

Part of seal replacement kit P/N 164059A1

1шт.

14

862-27090

HEX SOC SCREW,M27 x 90mm, Cl 12.9

SCREW - hex socket, 27 - 3.25 x 90 mm, class 12.9

8шт.

15

164047A1

RING

- cushion

1шт.

16

164039A1

PISTON

- cylinder

1шт.

17

164040A1

RING

- slide

1шт.

Part of seal replacement kit P/N 164059A1

1шт.

18

163946A1

PACKING

SEAL - special

1шт.

Part of seal replacement kit P/N 164059A1

1шт.

19

155318A1

SEALING RING

RING - wear

1шт.

Part of seal replacement kit P/N 164059A1

1шт.

20

164040A1

RING

- slide

1шт.

Part of seal replacement kit P/N 164059A1

1шт.

21

156214A1

SCREW

- set

1шт.

22

163958A1

BUSHING

- mounting pin, cylinder end

1шт.

23

163944A1

SEAL

WIPER - pin, cylinder end

2шт.

Part of seal replacement kit P/N 164059A1

1шт.

24

153630A1

LUBE NIPPLE

FITTING - grease, straight

1шт.

25

163959A1

BUSHING

- mounting pin, rod end

1шт.

26

165186A1

SEAL

WIPER - pin, rod end

2шт.

Part of seal replacement kit P/N 164059A1

1шт.

30

163968A1

HYD TUBE

TUBE ASSEMBLY - hydraulic, retraction supply, right-hand

1шт.

30

163967A1

HYD TUBE

TUBE ASSEMBLY - hydraulic, retraction supply, left-hand

1шт.

31

154549A1

O-RING

- tube assembly

1шт.

Part of seal replacement kit P/N 164059A1

1шт.

32

861-12040

HEX SOC SCREW,M12 x 40mm, Cl 12.9

SCREW - hex socket 12 - 1.75 x 40 mm, class 12.9

4шт.

33

164101A1

MOUNTING CLIP

CLAMP - band

1шт.

34

164099A1

MOUNTING CLIP

CLAMP - band

1шт.

35

626-12040

BOLT,Hex, M12 x 1.75 x 40mm, Cl 10.9, Full Thd

2шт.

36

829-1412

NUT,M12, Cl 10.9

- hex, 12 mm - 1.75, class 10

2шт.

37

164972A1

CLAMP

- tube

1шт.

38

828-12070

BOLT,Hex, M12 x 1.75 x 70mm, Cl 10.9

- hex, 12 - 1.75 x 70 mm, class 10.9

1шт.

39

892-10012

LOCK WASHER,M12

WASHER - lock, 12 mm

1шт.

40

165384A1

CLAMP

- tube

1шт.

41

828-12060

BOLT,Hex, M12 x 1.75 x 60mm, Cl 10.9

- hex, 12 - 1.75 x 60 mm, class 10.9

1шт.

42

892-10012

LOCK WASHER,M12

WASHER - lock, 12 mm

1шт.

164059A1

SEAL KIT

KIT - seal replacement, Includes: Refs. 6 - 13, 17 - 20, 23, 26, 31

1шт.

Выбрано товаров: 58