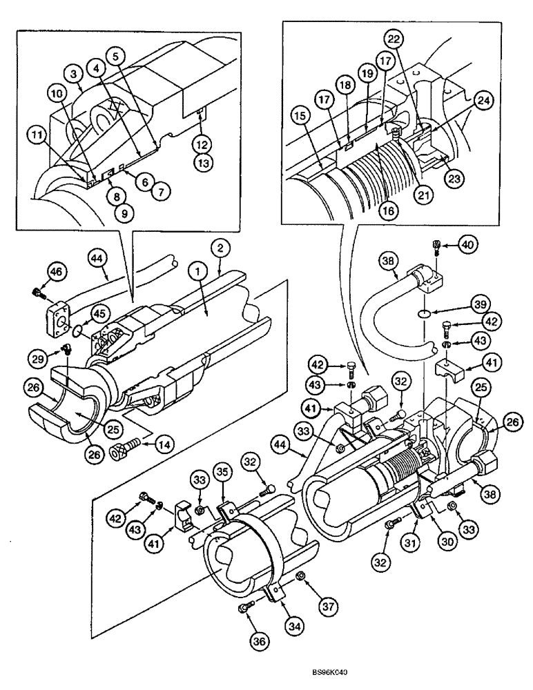
Запчасти Case 9060B (8-144) - ARM CYLINDER, STANDARD MODELS WITHOUT LOAD HOLDING OPTION (08) - HYDRAULICS

Схема запчастей Case 9060B - (8-144) - ARM CYLINDER, STANDARD MODELS WITHOUT LOAD HOLDING OPTION (08) - HYDRAULICS
2
9
40
43
35
4
38
1
29
34
33
36
12
10
16
46
41
3
43
41
43
26
25
42
14
25
15
17
33
32
32
26
44
23
17
44
30
19
6
37
33
7
24
39
41
11
21
38
13
5
45
32
42
18
31
42
22
26
8
FIT
1:1
100%

Артикул

Название

Примечание

Количество

164919A1R

CYLINDER

ASSEMBLY - remanufactured, 180 (7-1/16) ID x 1910 mm (75-3/16 inch) stroke, arm, for standard models without load holding option, Includes: Ref. 1 - 46

1шт.

163938A1

CYLINDER

ASSEMBLY - 180 (7-1/16) ID x 1910 mm (75-3/16 inch) stroke arm, for standard models without load holding option, order 164919A1 cylinder for service shown on figure 8-144, Includes: Ref. 1 - 46

1шт.

164919A1C

CYLINDER

CORE - return, arm cylinder

1шт.

164919A1

CYLINDER ASSY.

CYLINDER ASSEMBLY - 180 (7-1/16) ID x 1910 mm (75-3/16 inch) stroke, arm, new, for standard models without load holding option

1шт.

1

165176A1

PISTON ROD

ROD - cylinder

1шт.

2

165175A1

HYD TUBE

TUBE - cylinder

1шт.

3

164100A1

COVER

GLAND - cylinder

1шт.

4

155404A1

RING

BUSHING - gland, replaces 163942A1 bushing

1шт.

5

155731A1

CLIP

RING - retaining

1шт.

6

155141A1

SEAL

RING - buffer

1шт.

Part of seal kit P/N 165179A1

1шт.

7

163952A1

O-RING

- gland

1шт.

Part of seal kit P/N 165179A1

1шт.

8

163948A1

PACKING

SEAL - U-cup

1шт.

Part of seal kit P/N 165179A1

1шт.

9

163956A1

RING

- backup

1шт.

Part of seal kit P/N 165179A1

1шт.

10

164048A1

RING

- slide

1шт.

Part of seal kit P/N 165179A1

1шт.

11

155138A1

SEAL

WIPER - piston rod

1шт.

Part of seal kit P/N 165179A1

1шт.

12

154845A1

O-RING

- gland

1шт.

Part of seal kit P/N 165179A1

1шт.

13

154239A1

BACK-UP RING

RING - backup

1шт.

Part of seal kit P/N 165179A1

1шт.

14

164937A1

HEX SOC SCREW

BOLT - hex socket

8шт.

15

164044A1

RING

- cushion

1шт.

16

164037A1

PISTON

- cylinder

1шт.

17

164038A1

RING

- slide

2шт.

Part of seal kit P/N 165179A1

1шт.

18

163947A1

PACKING

SEAL - special

1шт.

Part of seal kit P/N 165179A1

1шт.

19

155333A1

SEALING RING

RING - wear

1шт.

Part of seal kit P/N 165179A1

1шт.

21

156214A1

SCREW

- set

1шт.

22

164041A1

RING

- cushion

1шт.

23

165177A1

BOSS

RING - retaining, cushion

1шт.

24

165178A1

SET SCREW

- set

1шт.

25

163957A1

BUSHING

- mounting pin, closed end

2шт.

26

163944A1

SEAL

WIPER - pin, closed end

4шт.

Part of seal kit P/N 165179A1

1шт.

29

153912A1

LUBE NIPPLE,90 Degree, 1/8"-27 NPT x 21.5mm lg

1шт.

30

164095A1

MOUNTING CLIP

CLAMP - band

1шт.

31

164096A1

MOUNTING CLIP

CLAMP - band

1шт.

32

626-12040

BOLT,Hex, M12 x 1.75 x 40mm, Cl 10.9, Full Thd

4шт.

33

829-1012

NUT,M12, Cl 10

- hex, 12 mm - 1.75, class 10

4шт.

34

164094A1

MOUNTING CLIP

CLAMP - tube

1шт.

35

164097A1

MOUNTING CLIP

CLAMP - tube

1шт.

38

163964A1

HYD TUBE

TUBE ASSEMBLY - hydraulic, extension supply

1шт.

39

154569A1

O-RING

- tube assembly

1шт.

Part of seal kit P/N 165179A1

1шт.

40

153864A1

BOLT,Hex Skt

- hex socket

4шт.

41

165375A1

CLAMP

- tube

3шт.

42

827-12065

BOLT,Hex, M12 x 1.75 x 65mm, Cl 10.9

- hex, 12 - 1.75 x 65 mm, class 10.9

3шт.

43

892-10012

LOCK WASHER,M12

WASHER - lock, 12 mm

3шт.

44

163960A1

HYD TUBE

TUBE ASSEMBLY - hydraulic

1шт.

45

154569A1

O-RING

- tube assembly

1шт.

Part of seal kit P/N 165179A1

1шт.

46

153864A1

BOLT,Hex Skt

- hex socket

4шт.

165179A1

SEAL KIT

KIT - seal, Includes: Refs. 6 - 13, 17 - 19, 26, 39 & 45

1шт.

Выбрано товаров: 60