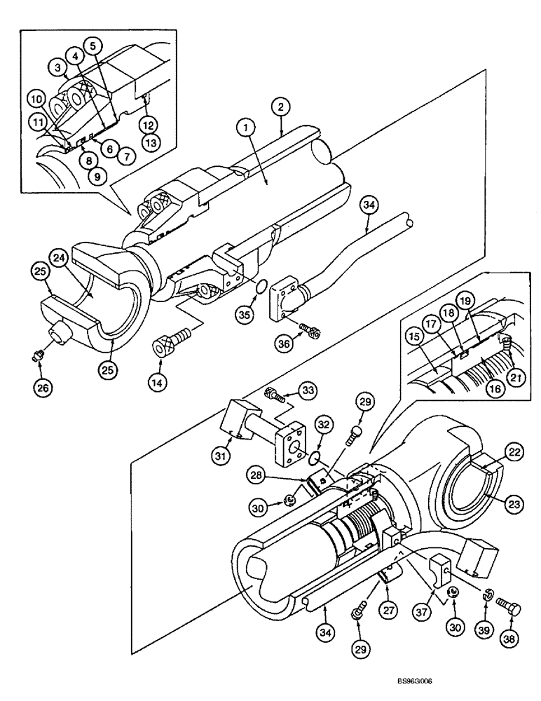
Запчасти Case 9060B (8-146) - BUCKET CYLINDER (08) - HYDRAULICS

Схема запчастей Case 9060B - (8-146) - BUCKET CYLINDER (08) - HYDRAULICS
35
3
2
4
5
33
18
34
7
36
9
26
6
14
29
17
28
38
24
25
32
11
10
8
30
21
16
15
12
23
37
34
1
27
25
19
31
29
13
22
30
39
FIT
1:1
100%

Артикул

Название

Примечание

Количество

163939A1

HYDRAULIC CYLINDER

CYLINDER ASSEMBLY - 140 (5-1/2) ID x 1275 mm (50-1/8 inch) stroke, bucket, Includes: Ref. 1 - 39

1шт.

1

164934A1

SCREW

ROD - cylinder

1шт.

2

164933A1

HYD CYL SLEEVE

TUBE - cylinder

1шт.

3

164098A1

JACK PISTON

GLAND - cylinder

1шт.

4

155403A1

RING

BUSHING - gland

1шт.

5

155730A1

CLIP

RING - retaining

1шт.

6

155140A1

SEAL

RING - buffer

1шт.

Part of seal kit P/N 164058A1

1шт.

7

163951A1

O-RING

- gland

1шт.

Part of seal kit P/N 164058A1

1шт.

8

155315A1

SEAL

- U-cup

1шт.

Part of seal kit P/N 164058A1

1шт.

9

163955A1

RING

- backup

1шт.

Part of seal kit P/N 164058A1

1шт.

10

155331A1

SEALING RING

SEAL - piston rod

1шт.

Part of seal kit P/N 164058A1

1шт.

11

155137A1

SEAL

WIPER - piston rod

1шт.

Part of seal kit P/N 164058A1

1шт.

12

154813A1

O-RING

SEAL - gland, piston rod

1шт.

Part of seal kit P/N 164058A1

1шт.

13

154215A1

BACK-UP RING

RING - backup

1шт.

Part of seal kit P/N 164058A1

1шт.

14

862-27090

HEX SOC SCREW,M27 x 90mm, Cl 12.9

SCREW - hex socket, 27 - 3.25 x 90 mm, class 12.9

8шт.

15

164047A1

RING

- cushion

1шт.

16

164039A1

PISTON

- cylinder

1шт.

17

164040A1

RING

- slide

1шт.

Part of seal kit P/N 164058A1

1шт.

18

163946A1

PACKING

SEAL - special

1шт.

Part of seal kit P/N 164058A1

1шт.

19

155318A1

SEALING RING

RING - wear

1шт.

Part of seal kit P/N 164058A1

1шт.

21

156214A1

SCREW

- set

1шт.

22

163957A1

BUSHING

- mounting pin, closed end

1шт.

23

163943A1

SEAL

WIPER - mounting pin, closed end

2шт.

Part of seal kit P/N 164058A1

1шт.

24

163957A1

BUSHING

- mounting pin, rod end

1шт.

25

163943A1

SEAL

WIPER - mounting pin, rod end

2шт.

Part of seal kit P/N 164058A1

1шт.

26

153630A1

LUBE NIPPLE

FITTING - grease, straight

1шт.

27

164790A1

MOUNTING CLIP

CLAMP - band

1шт.

28

164789A1

MOUNTING CLIP

CLAMP - band

1шт.

29

861-12040

HEX SOC SCREW,M12 x 40mm, Cl 12.9

SCREW - hex socket 12 - 1.75 x 40 mm, class 12.9

2шт.

30

829-1012

NUT,M12, Cl 10

- hex, 12 mm - 1.75, class 10

2шт.

31

163962A1

HYD TUBE

TUBE ASSEMBLY - hydraulic, extension supply, component parts not serviced separately

1шт.

32

154549A1

O-RING

- tube

1шт.

Part of seal kit P/N 164058A1

1шт.

33

861-12040

HEX SOC SCREW,M12 x 40mm, Cl 12.9

SCREW - hex socket 12 - 1.75 x 40 mm, class 12.9

4шт.

34

163961A1

HYD TUBE

TUBE ASSEMBLY - hydraulic, retraction supply, component parts not serviced separately

1шт.

35

154549A1

O-RING

- tube

1шт.

Part of seal kit P/N 164058A1

1шт.

36

861-12040

HEX SOC SCREW,M12 x 40mm, Cl 12.9

SCREW - hex socket 12 - 1.75 x 40 mm, class 12.9

4шт.

37

165384A1

CLAMP

- tube

1шт.

38

861-12060

HEX SOC SCREW,M12 x 60mm, Cl 12.9

BOLT - hex socket, 12 - 1.75 x 60 mm, class 12.9

1шт.

39

892-10012

LOCK WASHER,M12

WASHER - lock, 12 mm

1шт.

164058A1

SEAL KIT

KIT - seal, Includes: Refs. 6 - 13, 17 - 19, 23, 25, 32 and 35

1шт.

Выбрано товаров: 55