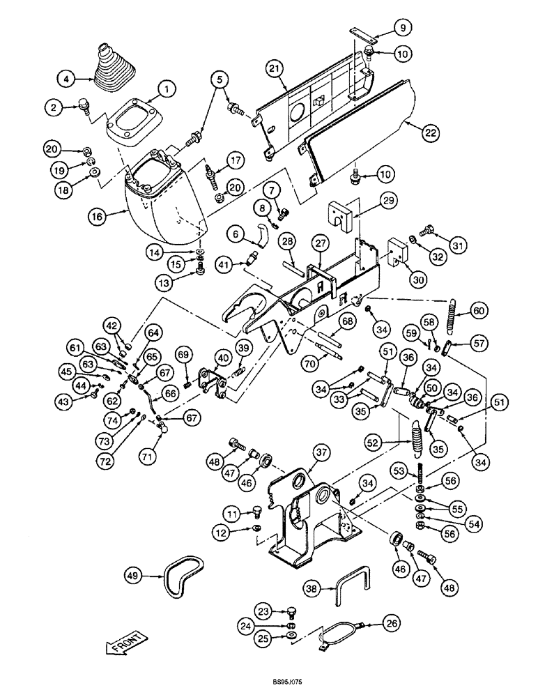
Запчасти Case 9060B (9-026) - RIGHT-HAND CONTROL CONSOLE ASSEMBLY (09) - CHASSIS

Схема запчастей Case 9060B - (9-026) - RIGHT-HAND CONTROL CONSOLE ASSEMBLY (09) - CHASSIS
73
10
52
39
47
9
50
57
35
62
32
36
29
34
48
44
48
58
11
67
49
12
72
34
34
19
60
33
64
27
71
37
22
8
10
54
7
65
16
17
66
28
47
25
23
35
42
36
1
2
20
38
68
45
4
56
14
40
74
69
53
56
20
59
15
63
24
46
70
67
43
51
26
60
63
61
34
21
5
31
34
46
51
41
13
18
6
55
34
FIT
1:1
100%

Артикул

Название

Примечание

Количество

1

159318A1

SHIN

FLANGE - boot retainer

1шт.

2

156559A1

BOLT,High Strength, Hex, M6 x 12mm, W/ LW

BOLT - hex, special

4шт.

3

REF

INSTRUCTION

VALVE ASSEMBLY - remote control, right-hand, parts list Figure 9-38

1шт.

4

159506A1

BELLOWS

BOOT - dust protection

1шт.

5

156559A1

BOLT,High Strength, Hex, M6 x 12mm, W/ LW

BOLT - hex, special

8шт.

6

159321A1

HANDLE

- control

1шт.

7

862-8035

HEX SOC SCREW,M8 x 35mm, Cl 12.9

SCREW - hex socket, 8 - 1.25 x 35 mm, class 12.9

1шт.

8

892-11008

LOCK WASHER,8mm ID

WASHER, LOCK, M8

1шт.

9

159319A1

BRACKET

STRAP - mounting

1шт.

10

156559A1

BOLT,High Strength, Hex, M6 x 12mm, W/ LW

BOLT - hex, special

2шт.

11

627-10016

BOLT,Hex, M10 x 1.5 x 16mm, Cl 10.9, Full Thd

- hex, full threads, 10 - 1.5 x 16 mm, class 10.9

4шт.

12

150409A1

WASHER

- flat, special, 10.5 x 21 x 3.2 mm

4шт.

13

159507A1

CARRIAGE BOLT,M6 x 12mm

BOLT - special

2шт.

14

895-11006

WASHER,6.6mm ID x 12mm OD x 1.6mm Thk

- flat, 6.6 x 12.5 x 1.6 mm

2шт.

15

892-11006

LOCK WASHER,M6

WASHER, LOCK, M6

2шт.

16

159510A1

COVER

HOUSING - controller

1шт.

17

159509A1

BOLT,Spcl, M6 x 38mm

STUD - special

2шт.

18

895-11006

WASHER,6.6mm ID x 12mm OD x 1.6mm Thk

- flat, 6.6 x 12.5 x 1.6 mm

2шт.

19

892-11006

LOCK WASHER,M6

WASHER, LOCK, M6

2шт.

20

829-1406

NUT,Hex, M6 x 1, Cl 10.9

4шт.

21

159511A1

COVER

- side, right-hand

1шт.

22

159512A1

COVER

- side, left-hand

1шт.

23

627-8016

BOLT,Hex, M8 x 1.25 x 16mm, Cl 10.9, Full Thd

- hex, full threads, 8 - 1.25 x 16 mm, class 10.9

2шт.

24

892-11008

LOCK WASHER,8mm ID

WASHER, LOCK, M8

2шт.

26

159320A1

GUIDE

- hose

1шт.

164551A1

FRAME

CONSOLE ASSEMBLY - control, right-hand, replaces 159520A1 console assembly, Includes: Ref. 27 - 74

1шт.

27

164549A1

FRAME

- tilt, replaces 159521A1 frame

1шт.

28

159310A1

GASKET

TRIM - edge, 85 mm (3-3/8 inch) long

1шт.

29

159311A1

STIFFENER

PLATE - console

1шт.

30

159312A1

STIFFENER

PLATE - console

1шт.

31

828-10055

BOLT,Hex, M10 x 1.5 x 55mm, Cl 10.9

- hex, 10 - 1.5 x 55 mm, class 10.9

2шт.

32

150409A1

WASHER

- flat, special, 10.5 x 21 x 3.2 mm

2шт.

33

159304A1

COTTER PIN

PIN - special

2шт.

34

800-436

CIRCLIP,M6

RING - E-type, external retaining, No. 6

6шт.

35

159307A1

LINK

- front

2шт.

36

159303A1

COTTER PIN

LINK - rear

2шт.

37

159522A1

FRAME

- console

1шт.

38

159309A1

TRIM

- edge, 390 mm (15-3/8 inch) long

1шт.

39

159594A1

SPRING

- latch return

1шт.

40

159300A1

BRACKET

- tilt

1шт.

41

159295A1

COTTER PIN

PIN - special

1шт.

42

159296A1

BUSHING

- special

2шт.

43

627-8016

BOLT,Hex, M8 x 1.25 x 16mm, Cl 10.9, Full Thd

- hex, full threads, 8 - 1.25 x 16 mm, class 10.9

1шт.

44

892-11008

LOCK WASHER,8mm ID

WASHER, LOCK, M8

1шт.

46

159504A1

BEARING, BALL,20 mm ID x 42 mm OD x 12 mm

BEARING - special

2шт.

47

159294A1

COTTER PIN

PIN - special

2шт.

48

862-6030

HEX SOC SCREW,M6 x 30mm, Cl 12.9

SCREW - hex socket, 6 - 1.0 x 30 mm, class 12.9

2шт.

49

159308A1

TRIM

- edge, 390 mm (15-3/8 inch) long

1шт.

50

159306A1

COLLAR

- special

1шт.

51

159305A1

COTTER PIN

PIN - special

2шт.

52

159523A1

SPRING

- tension

1шт.

53

164508A1

HOOK

ANCHOR - spring, threaded

1шт.

54

892-11010

LOCK WASHER,M10

1шт.

57

159316A1

PITMAN

LINK - connecting, lower

1шт.

59

153077A1

COTTER PIN

CLIP - hair pin type

1шт.

60

159524A1

SPRING

- counterbalance

1шт.

61

159297A1

BRACKET

- console

1шт.

62

159505A1

COTTER PIN

PIN - headed, special

1шт.

63

159508A1

WASHER

- nylon

1шт.

64

733-1616

COTTER PIN,M1.6 x 16

PIN - cotter, 1.6 x 16 mm

1шт.

65

159298A1

FORK

END - yoke

1шт.

66

159299A1

ROD,THREADED

ROD - threaded

1шт.

67

829-1406

NUT,Hex, M6 x 1, Cl 10.9

2шт.

68

159302A1

COTTER PIN

PIN - lock

1шт.

69

878-1046

SET SCREW,Hex Skt, M4 x 6mm, Cup Pt

Hex Socket, 4 - 0.7 x 6 mm, Cup Point

2шт.

70

159301A1

COTTER PIN

PIN - special

1шт.

71

157155A1

BALL JOINT

JOINT - ball

1шт.

72

895-11006

WASHER,6.6mm ID x 12mm OD x 1.6mm Thk

- flat, 6.6 x 12.5 x 1.6 mm

1шт.

73

892-11006

LOCK WASHER,M6

WASHER, LOCK, M6

1шт.

74

829-1406

NUT,Hex, M6 x 1, Cl 10.9

1шт.

56

829-1410

NUT,M10 x 1.5, Cl 10.9

2шт.

25

895-11008

WASHER,9mm ID x 16mm OD x 1.6mm Thk

- flat, 9 x 17 x 1.6 mm

2шт.

45

895-11008

WASHER,9mm ID x 16mm OD x 1.6mm Thk

- flat, 9 x 17 x 1.6 mm

1шт.

58

895-11008

WASHER,9mm ID x 16mm OD x 1.6mm Thk

- flat, 9 x 17 x 1.6 mm

1шт.

55

895-11010

WASHER,11mm ID x 20mm OD x 2mm Thk

- flat, 11 x 21 x 2 mm

2шт.

Выбрано товаров: 75