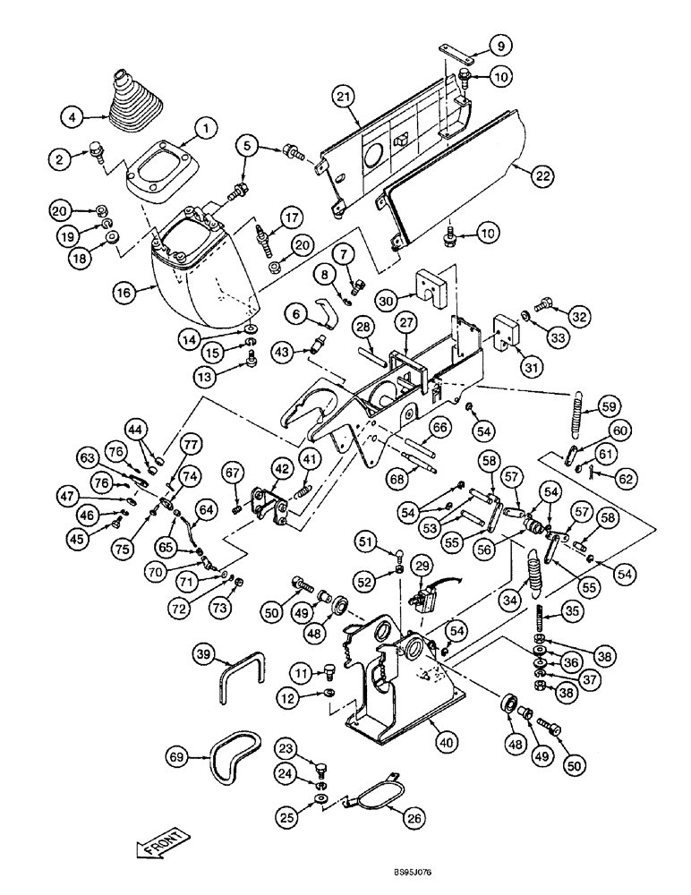
Запчасти Case 9060B (9-030) - LEFT-HAND CONTROL CONSOLE ASSEMBLY (09) - CHASSIS

Схема запчастей Case 9060B - (9-030) - LEFT-HAND CONTROL CONSOLE ASSEMBLY (09) - CHASSIS
1
34
58
77
22
48
49
25
53
55
12
62
17
8
54
6
51
5
10
50
40
4
45
70
21
38
42
60
50
44
58
26
18
69
11
46
61
49
9
55
48
20
13
30
32
35
28
24
20
23
37
10
14
7
38
76
56
2
29
33
36
72
65
76
43
19
15
75
54
16
71
54
57
54
68
66
73
52
27
64
67
74
31
41
57
54
47
63
59
39
FIT
1:1
100%

Артикул

Название

Примечание

Количество

1

159318A1

SHIN

FLANGE - boot retainer

1шт.

2

156559A1

BOLT,High Strength, Hex, M6 x 12mm, W/ LW

BOLT - hex, special

4шт.

3

REF

INSTRUCTION

VALVE ASSEMBLY - remote control, left-hand, parts list Figure 9-38

1шт.

4

159506A1

BELLOWS

BOOT - dust protection

1шт.

5

156559A1

BOLT,High Strength, Hex, M6 x 12mm, W/ LW

BOLT - hex, special

8шт.

6

159321A1

HANDLE

- control

1шт.

7

862-8035

HEX SOC SCREW,M8 x 35mm, Cl 12.9

SCREW - hex socket, 8 - 1.25 x 35 mm, class 12.9

1шт.

8

892-11008

LOCK WASHER,8mm ID

WASHER, LOCK, M8

1шт.

9

159319A1

BRACKET

STRAP - mounting

1шт.

10

156559A1

BOLT,High Strength, Hex, M6 x 12mm, W/ LW

BOLT - hex, special

2шт.

11

627-10016

BOLT,Hex, M10 x 1.5 x 16mm, Cl 10.9, Full Thd

- hex, full threads, 10 - 1.5 x 16 mm, class 10.9

4шт.

12

150409A1

WASHER

- flat, special, 10.5 x 21 x 3.2 mm

4шт.

13

159507A1

CARRIAGE BOLT,M6 x 12mm

BOLT - special

2шт.

14

895-11006

WASHER,6.6mm ID x 12mm OD x 1.6mm Thk

- flat, 6.6 x 12.5 x 1.6 mm

2шт.

15

892-11006

LOCK WASHER,M6

WASHER, LOCK, M6

2шт.

16

159510A1

COVER

HOUSING - controller

1шт.

17

159509A1

BOLT,Spcl, M6 x 38mm

STUD - special

2шт.

18

895-11006

WASHER,6.6mm ID x 12mm OD x 1.6mm Thk

- flat, 6.6 x 12.5 x 1.6 mm

2шт.

19

892-11006

LOCK WASHER,M6

WASHER, LOCK, M6

2шт.

20

829-1406

NUT,Hex, M6 x 1, Cl 10.9

4шт.

21

159511A1

COVER

- side, right-hand

1шт.

22

159512A1

COVER

- side, left-hand

1шт.

23

627-8016

BOLT,Hex, M8 x 1.25 x 16mm, Cl 10.9, Full Thd

- hex, full threads, 8 - 1.25 x 16 mm, class 10.9

2шт.

24

892-11008

LOCK WASHER,8mm ID

WASHER, LOCK, M8

2шт.

26

159320A1

GUIDE

- hose

1шт.

164552A1

FRAME

CONSOLE ASSEMBLY - control, left-hand, replaces 164552A1 console assembly, Includes: Ref. 27 - 77

1шт.

27

164550A1

FRAME

- tilt, replaces 159313A1 frame

1шт.

28

159310A1

GASKET

TRIM - edge, 85 mm (3-3/8 inch) long

1шт.

29

159538A1

LIMIT SWITCH

SWITCH - limit

1шт.

30

159311A1

STIFFENER

PLATE - console

1шт.

31

159312A1

STIFFENER

PLATE - console

1шт.

32

828-10055

BOLT,Hex, M10 x 1.5 x 55mm, Cl 10.9

- hex, 10 - 1.5 x 55 mm, class 10.9

2шт.

33

150409A1

WASHER

- flat, special, 10.5 x 21 x 3.2 mm

2шт.

34

159523A1

SPRING

- tension

1шт.

35

164508A1

HOOK

ANCHOR - spring, threaded

1шт.

37

892-11010

LOCK WASHER,M10

1шт.

39

159309A1

TRIM

- edge, 390 mm (15-3/8 inch) long

1шт.

40

159536A1

FRAME

- console

1шт.

41

159594A1

SPRING

- latch return

1шт.

42

159300A1

BRACKET

- tilt

1шт.

43

159295A1

COTTER PIN

PIN - special

1шт.

44

159296A1

BUSHING

- special

2шт.

159538A1 console limit switch has two wire leads (one is white and one is black) that are each 100 mm long. This switch is wired normally open. The Sumitomo part # is probably stamped somewhere on the switch body. The Sumitomo part # is KHN1432.

1шт.

There is another limit switch used for the gate lock control. This limit switch is part # 159541A1. It has two wire leads (both are green) that are each 150 mm long. This switch is wired normally closed. The Sumitomo part # is probably stamped somewhere on the switch body. The Sumitomo part # is KHN1439.

1шт.

45

627-8016

BOLT,Hex, M8 x 1.25 x 16mm, Cl 10.9, Full Thd

- hex, full threads, 8 - 1.25 x 16 mm, class 10.9

1шт.

46

892-11008

LOCK WASHER,8mm ID

WASHER, LOCK, M8

1шт.

48

159504A1

BEARING, BALL,20 mm ID x 42 mm OD x 12 mm

BEARING - special

2шт.

49

159294A1

COTTER PIN

PIN - special

2шт.

50

862-6030

HEX SOC SCREW,M6 x 30mm, Cl 12.9

SCREW - hex socket, 6 - 1.0 x 30 mm, class 12.9

2шт.

51

159091A1

STOP

PER - rubber

1шт.

53

159304A1

COTTER PIN

PIN - special

2шт.

54

800-436

CIRCLIP,M6

RING - E-type, external retaining, No. 6

2шт.

55

159307A1

LINK

- front

2шт.

56

159306A1

COLLAR

- special

1шт.

57

159303A1

COTTER PIN

LINK - rear

2шт.

58

159305A1

COTTER PIN

PIN - special

2шт.

59

159524A1

SPRING

- counterbalance

1шт.

60

159316A1

PITMAN

LINK - connecting, lower

1шт.

62

153077A1

COTTER PIN

CLIP - hair pin type

1шт.

63

159297A1

BRACKET

- console

1шт.

64

159299A1

ROD,THREADED

ROD - threaded

1шт.

65

829-1406

NUT,Hex, M6 x 1, Cl 10.9

2шт.

66

159301A1

COTTER PIN

PIN - special

1шт.

67

878-1046

SET SCREW,Hex Skt, M4 x 6mm, Cup Pt

Hex Socket, 4 - 0.7 x 6 mm, Cup Point

2шт.

68

159302A1

COTTER PIN

PIN - lock

1шт.

69

159308A1

TRIM

- edge, 390 mm (15-3/8 inch) long

1шт.

70

157155A1

BALL JOINT

JOINT - ball

1шт.

71

895-11006

WASHER,6.6mm ID x 12mm OD x 1.6mm Thk

- flat, 6.6 x 12.5 x 1.6 mm

1шт.

72

892-11006

LOCK WASHER,M6

WASHER, LOCK, M6

1шт.

73

829-1406

NUT,Hex, M6 x 1, Cl 10.9

1шт.

74

159298A1

FORK

END - yoke

1шт.

75

159505A1

COTTER PIN

PIN - headed, special

1шт.

76

159508A1

WASHER

- nylon

2шт.

77

733-1616

COTTER PIN,M1.6 x 16

PIN - cotter, 1.6 x 16 mm

1шт.

38

829-1410

NUT,M10 x 1.5, Cl 10.9

2шт.

52

829-1410

NUT,M10 x 1.5, Cl 10.9

1шт.

25

895-11008

WASHER,9mm ID x 16mm OD x 1.6mm Thk

- flat, 9 x 17 x 1.6 mm

2шт.

47

895-11008

WASHER,9mm ID x 16mm OD x 1.6mm Thk

- flat, 9 x 17 x 1.6 mm

1шт.

61

895-11008

WASHER,9mm ID x 16mm OD x 1.6mm Thk

- flat, 9 x 17 x 1.6 mm

1шт.

36

895-11010

WASHER,11mm ID x 20mm OD x 2mm Thk

- flat, 11 x 21 x 2 mm

2шт.

Выбрано товаров: 80