Запчасти Case 9060B (9-076) - ARMS AND LINKAGE (09) - CHASSIS

Схема запчастей Case 9060B - (9-076) - ARMS AND LINKAGE (09) - CHASSIS
7
26
30
1
6
6
33
16
27
12
28
23
22
3
29
23
8
13
7
3
32
4
14
19
2
21
20
18
28
23
26
25
27
5
11
24
22
32
17
29
21
24
29
5
23
10
4
24
9
31
15
33
2
FIT
1:1
100%

Артикул

Название

Примечание

Количество

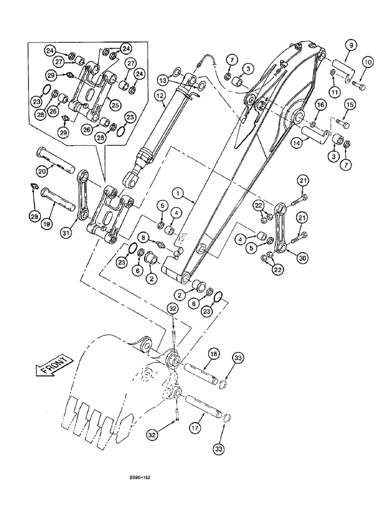
1

171145A1

ARM

ASSEMBLY - excavator, 5.4 M (17 ft 8 in) long, was 170554A1, Includes: Ref. 2 - 4

1шт.

1

171115A1

ARM

ASSEMBLY - excavator, 4 M (13 ft 1 inch) long, was 170170A1, Includes: Ref. 2 - 4

1шт.

1

171144A1

DIPPER

ARM ASSEMBLY - excavator, 3.36 M (11 ft) long, was 170172A1, Includes: Ref. 2 - 4

1шт.

1

171143A1

DIPPER

ARM ASSEMBLY - excavator, 2.5 M (8 ft 3 inch) long, was 170552A1, Includes: Ref. 2 - 4

1шт.

2

170152A1

BUSHING,100mm ID x 194mm OD x 130mm L

- special

2шт.

3

170168A1

BUSHING

- arm, special

2шт.

4

170154A1

BUSHING

- special

2шт.

5

150044A1

SEAL

- dust

2шт.

6

150050A1

SEAL

- dust

2шт.

7

150331A1

SEAL

SEAL - dust

2шт.

8

153630A1

LUBE NIPPLE

FITTING - grease, straight

1шт.

9

170166A1

PIN

- special, cylinder mounting, both ends of arm cylinder

2шт.

10

170232A1

CAPSCREW

SCREW - cap, hex head

2шт.

11

170219A1

WASHER

- special

2шт.

12

163939A1

HYDRAULIC CYLINDER

CYLINDER ASSEMBLY - 140 (5-1/2) ID x 1275 mm (50-1/8 inch) stroke, bucket, parts list Figure 8-146

1шт.

13

151443A1

SHIM,111mm ID x 190mm OD x 1.2mm Thk

- .04 inch thick

1шт.

14

170166A1

PIN

- special, cylinder mounting, bucket cylinder

1шт.

15

628-20030

SCREW,Hex, M20 x 2.5 x 30mm, Cl 10.9, Full Thd

BOLT - hex, full threads, 20 - 2.5 x 30 mm, class 10.9

1шт.

16

170219A1

WASHER

- special

1шт.

17

170151A1

PIN

- attaching, special, lower bucket mount

1шт.

18

170153A1

PIN

- attaching, special, upper bucket mount

1шт.

19

170155A1

PIN

- attaching, special

1шт.

20

151406A1

PIN

- attaching, outer links on arm

1шт.

21

827-24200

BOLT,Hex, M24 x 3 x 200mm, Cl 10.9

- hex, 24 - 3.0 x 200 mm, class 10.9

2шт.

22

829-13424

NUT,M24 x 2, Cl 10

- hex, 24 mm - 2.0, class 10

4шт.

23

162996A1

O-RING

- grease seal

4шт.

24

150055A1

SEAL

- dust

4шт.

25

164444A1

POWER ARM

LINK - bucket, inner, Includes: Ref. 26 & 27

1шт.

26

153807A1

RING

BUSHING - bucket link, bucket end

2шт.

27

151345A1

BUSHING,110mm ID x 125mm OD x 130mm L

- bucket link, cylinder end

2шт.

28

150055A1

SEAL

- dust

2шт.

29

153630A1

LUBE NIPPLE

FITTING - grease, straight

4шт.

30

164224A1

LINKAGE YOKE

LINK - bucket, outer, left-hand

1шт.

31

164223A1

LINKAGE YOKE

LINK - bucket, outer, right-hand

1шт.

32

163674A1

PIN,24mm OD x 160mm L

- headed, special

2шт.

33

163675A1

RING

- retaining, spiral type

2шт.

Выбрано товаров: 0