Запчасти Case 9060B (3-06) - THROTTLE AND FUEL SHUTOFF CONTROLS (03) - FUEL SYSTEM

Схема запчастей Case 9060B - (3-06) - THROTTLE AND FUEL SHUTOFF CONTROLS (03) - FUEL SYSTEM
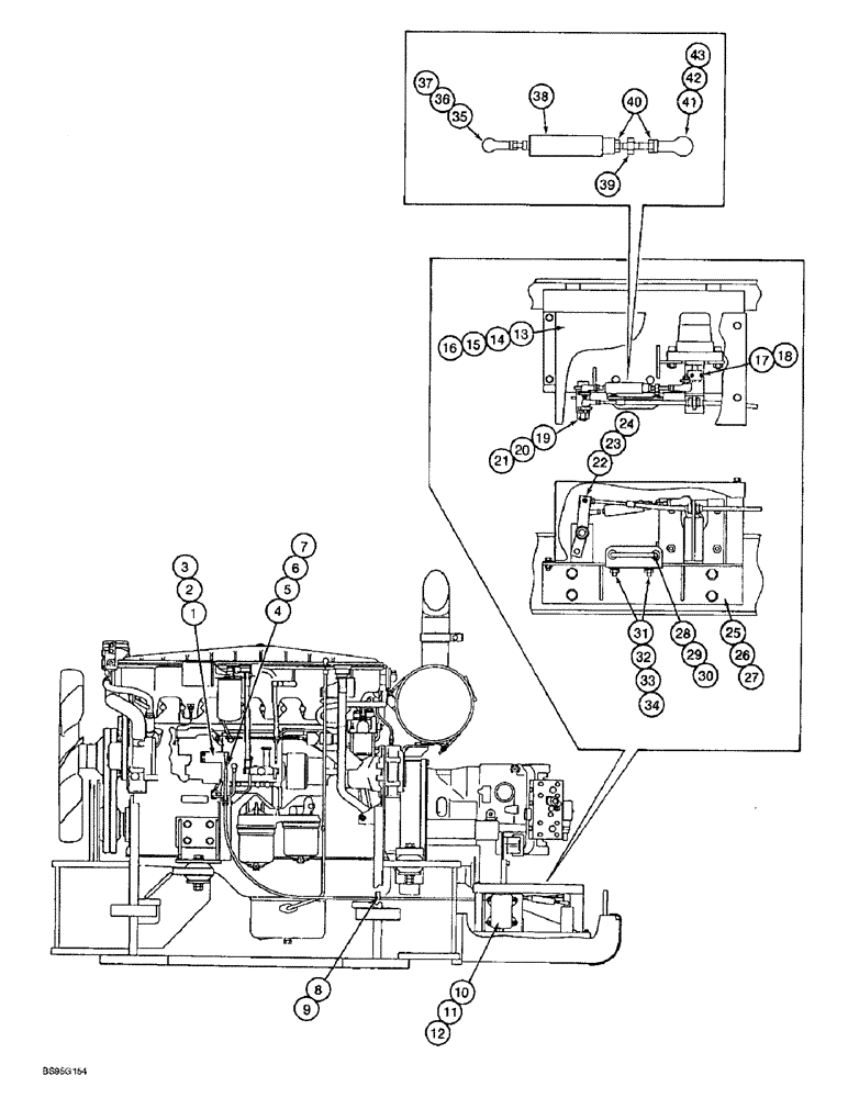
1
34
28
41
35
18
33
11
38
29
25
12
36
22
42
9
23
13
43
6
31
19
40
4
5
24
27
21
8
15
3
16
20
39
32
17
30
14
7
37
26
2
10
FIT
1:1
100%

Артикул

Название

Примечание

Количество

1

162297A1

STAY

LEVER - control

1шт.

2

627-6025

BOLT,Hex, M6 x 1 x 25mm, Cl 10.9, Full Thd

- hex, full threads, 6 - 1.0 x 25 mm, class 10.9

2шт.

3

892-11006

LOCK WASHER,M6

WASHER, LOCK, M6

2шт.

4

170238A1

CABLE

- control

1шт.

5

150054A1

BALL JOINT

JOINT - ball

2шт.

6

892-11006

LOCK WASHER,M6

WASHER, LOCK, M6

2шт.

7

829-1406

NUT,Hex, M6 x 1, Cl 10.9

2шт.

8

153039A1

CLAMP

- P-type, 12 mm ID

1шт.

9

156559A1

BOLT,High Strength, Hex, M6 x 12mm, W/ LW

BOLT - hex, special

1шт.

10

160614A1

MOTOR, ELECTRIC

MOTOR - throttle control, piece parts not serviced separately

1шт.

10

160614A1R

REMAN-ELECTRIC MOTOR

9060BCASE CRAWLER EXCAVATOR, MOTOR, Throttle Control (9/95-)

1шт.

10

160614A1C

CORE-ELECTRIC MOTOR

Return Number

1шт.

11

862-10040

HEX SOC SCREW,M10 x 40mm, Cl 12.9

SCREW - hex socket, 10 - 1.5 x 40 mm, class 12.9

4шт.

12

150409A1

WASHER

- flat, special, 10.5 x 21 x 3.2 mm

4шт.

13

170585A1

COVER

- throttle motor, replaces 170234A1 cover

1шт.

15

892-11008

LOCK WASHER,8mm ID

WASHER, LOCK, M8

4шт.

17

170586A1

LEVER

LINK - control, replaces 170235A1 link

1шт.

18

878-10812

SET SCREW,Hex Skt, M8 x 12mm, Cup Pt

SCREW - set, hex socket, 8 - 1.25 x 12 mm, cup point

1шт.

19

895-11016

WASHER,17.5mm ID x 30mm OD x 3mm Thk

Flat M16 x 30 x 3

1шт.

20

895-11014

WASHER,M14 x 28 x 2.5

- flat, 15.5 x 28 x 2.5 mm

1шт.

21

170297A1

NUT

- hex, special

1шт.

170236A1

LINK

ASSEMBLY - control, Includes: Ref. 22 & 23

1шт.

22

170451A1

PITMAN

LINK - control

1шт.

23

170452A1

BUSHING

- special, control link

2шт.

24

170587A1

BRACKET

- mounting, replaces 170237A1 bracket

1шт.

25

627-12020

BOLT,Hex, M12 x 1.75 x 20mm, Cl 10.9, Full Thd

- hex, full threads, 12 - 1.75 x 20 mm, class 10.9

4шт.

26

150811A1

WASHER

- flat, special, 12 mm

4шт.

27

162296A1

STAY

- special

1шт.

29

153181A1

COTTER PIN

CLIP - hair pin

2шт.

30

170239A1

PLATE

- special

1шт.

33

892-11010

LOCK WASHER,M10

2шт.

35

150054A1

BALL JOINT

JOINT - ball

1шт.

36

892-11006

LOCK WASHER,M6

WASHER, LOCK, M6

1шт.

37

829-1406

NUT,Hex, M6 x 1, Cl 10.9

2шт.

38

150535A1

SPRING

ASSEMBLY - cable return, piece parts not serviced separately

1шт.

39

150547A1

ROD,THREADED

ROD - threaded

1шт.

40

829-1408

NUT,Hex, M8 x 1.25, Cl 10.9

- hex, 8 mm - 1.25, class 10

2шт.

41

153235A1

BALL JOINT

JOINT - ball

1шт.

42

892-11008

LOCK WASHER,8mm ID

WASHER, LOCK, M8

1шт.

43

829-1408

NUT,Hex, M8 x 1.25, Cl 10.9

- hex, 8 mm - 1.25, class 10

1шт.

14

627-8025

BOLT,Hex, M8 x 1.25 x 25mm, Cl 10.9, Full Thd

- hex, full threads, 8 - 1.25 x 25 mm, class 10.9

4шт.

31

627-10030

BOLT,Hex, M10 x 1.5 x 30mm, Cl 10.9, Full Thd

2шт.

34

829-1410

NUT,M10 x 1.5, Cl 10.9

2шт.

16

895-11008

WASHER,9mm ID x 16mm OD x 1.6mm Thk

- flat, 9 x 17 x 1.6 mm

4шт.

28

895-11010

WASHER,11mm ID x 20mm OD x 2mm Thk

- flat, 11 x 21 x 2 mm

4шт.

32

895-11010

WASHER,11mm ID x 20mm OD x 2mm Thk

- flat, 11 x 21 x 2 mm

2шт.

Выбрано товаров: 46