Качественные детали и логистика
Оригинальные и аналоговые запчасти с доставкой по России, Казахстану и Беларуси
©2022 PartSell ООО "Система" ИНН 2463123282 ОГРН 1212400004838
Центральный офис: г. Красноярск, Академика Киренского, д.87, пом.4
Телефон: 8 (800) 777-65-74 Email: zakaz@partsell.ru
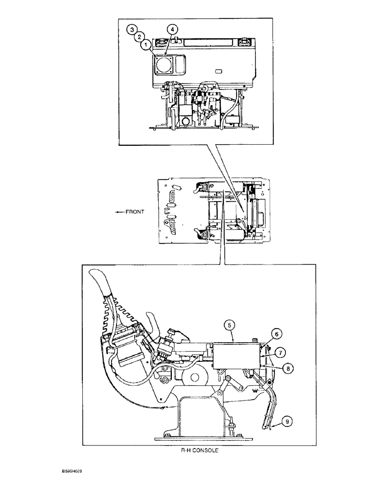
(4-32) - CAB RADIO
№
Артикул
Название
Примечание
Количество
1
159947A1
SCREW,Phil Pan Head, M4 x 12mm
- special
4шт.
2
160383A1
SPRING WASHER
WASHER - lock, special
3
160384A1
WASHER
- flat, special
4
159946A1
SPEAKER
- radio
1шт.
5
159940A1
RADIO
- AM/FM, individual piece parts are not serviced
6
159945A1
SCREW,Truss Hd
7
159944A1
SUPPORT
BRACKET - radio mounting
2шт.
8
157537A1
SCREW
9
152500A1
CABLE ASSY.
WIRE - antenna
10
161372A1
ANTENNA
- cab radio, not shown, see Figure 4-7A
Выбрано товаров: 0