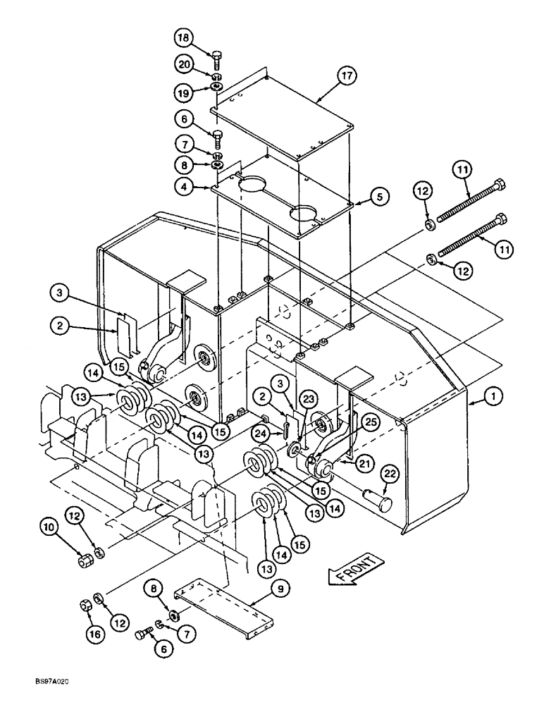
Запчасти Case 9060B (9-010) - COUNTERWEIGHT (09) - CHASSIS

Схема запчастей Case 9060B - (9-010) - COUNTERWEIGHT (09) - CHASSIS
13
2
14
12
14
14
8
5
11
1
2
15
13
12
24
13
11
12
25
17
3
14
6
3
15
20
7
13
9
7
19
18
12
10
8
23
22
4
21
16
6
15
15
FIT
1:1
100%

Артикул

Название

Примечание

Количество

1

170122A1

WEIGHT PACKAGE

COUNTERWEIGHT - cast, 8650 kgs (19,030 lbs)

1шт.

2

151191A1

SHIM

PLATE - shim, 2 mm (0.08 inch)

1шт.

3

151195A1

SHIM

PLATE - shim, 3.2 mm (0.128 inch)

1шт.

4

170123A1

COVER

- counterweight, with removal option

1шт.

5

170124A1

COVER

- counterweight, with removal option

1шт.

6

627-10020

BOLT,Hex, M10 x 1.5 x 20mm, Cl 10.9, Full Thd

- hex, full threads, 10 - 1.5 x 20 mm, class 10.9

9шт.

7

892-11010

LOCK WASHER,M10

9шт.

9

170125A1

COVER

- counterweight bottom

1шт.

10

151268A1

NUT

- lock, 42 mm - 4.5

2шт.

11

163649A1

BOLT,High Strength, Hex, M42 x 700mm

- cap, hex head, high strength

4шт.

12

150400A1

WASHER

- flat, special

8шт.

13

151020A1

ADJUSTING PLATE

PLATE - shim, 2 mm (0.08 inch)

1шт.

14

151023A1

ADJUSTING PLATE

PLATE - shim, 3.2 mm (0.128 inch)

1шт.

15

151028A1

ADJUSTING PLATE

PLATE - shim, 4.5 mm (0.18 inch)

1шт.

16

825-1042

NUT,M42, Cl 8

- hex, 42 - 4.5 mm, Cl 8

2шт.

17

170126A1

COVER

- counterweight, without removal option

1шт.

18

627-10020

BOLT,Hex, M10 x 1.5 x 20mm, Cl 10.9, Full Thd

- hex, full threads, 10 - 1.5 x 20 mm, class 10.9, Without removal option

9шт.

20

892-11010

LOCK WASHER,M10

Without removal option M10

9шт.

21

170807A1

LINK

- mounting

1шт.

22

116500A1

HEADED PIN

PIN - clevis

1шт.

23

896-12048

WASHER

- flat, 50 x 92 x 8 mm

1шт.

24

733-10090

COTTER PIN,M10 x 90

PIN - cotter, 10 x 90 mm

1шт.

25

150708A1

NIPPLE, LUBE

FITTING - grease, 90 degree

1шт.

8

895-11010

WASHER,11mm ID x 20mm OD x 2mm Thk

- flat, 11 x 20 x 2 mm

9шт.

19

895-11010

WASHER,11mm ID x 20mm OD x 2mm Thk

- flat, 11 x 20 x 2 mm, Without removal option

9шт.

Выбрано товаров: 25