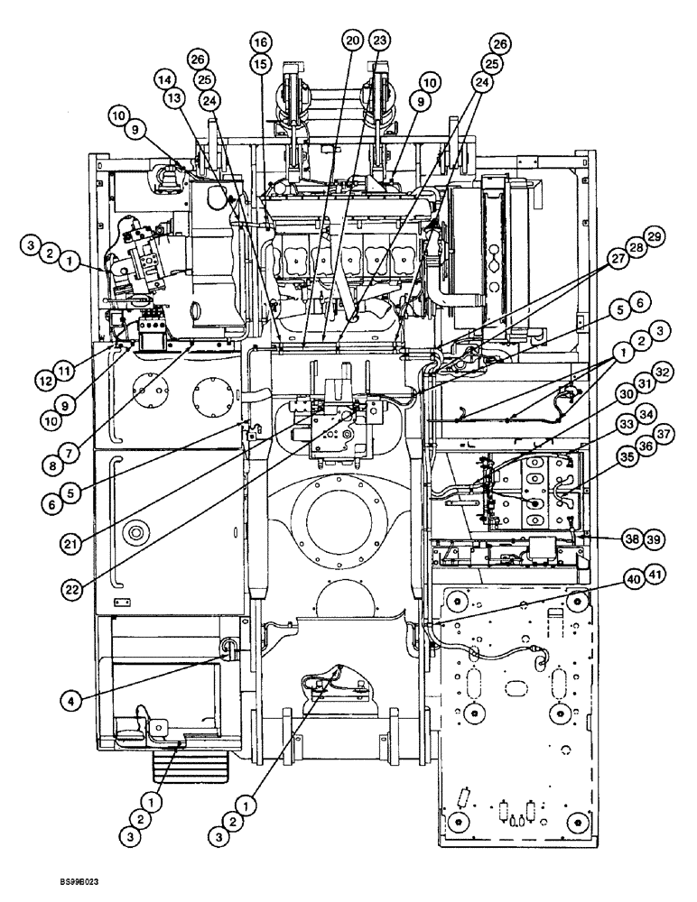
Запчасти Case 9060B (4-08) - ELECTRICAL PARTS OUTSIDE CAB, PRESSURE SWITCHES, RETAINING CLAMPS AND HARDWARE, PIN EAC0601026 (04) - ELECTRICAL SYSTEMS

Схема запчастей Case 9060B - (4-08) - ELECTRICAL PARTS OUTSIDE CAB, PRESSURE SWITCHES, RETAINING CLAMPS AND HARDWARE, PIN EAC0601026 (04) - ELECTRICAL SYSTEMS
25
24
38
3
3
1
12
34
1
26
1
11
10
6
2
7
25
10
21
26
20
2
3
22
36
5
41
24
33
30
16
23
14
8
2
9
10
2
29
40
37
32
35
6
4
9
5
3
39
9
1
28
13
15
31
27
FIT
1:1
100%

Артикул

Название

Примечание

Количество

1

150860A1

COLLAR

BRACKET - support

23шт.

2

840-168

SCREW,Pan, M6 x 1 x 8mm, Cl 4.8

- machine, pan Phillips, 6 - 1.0 x 8 mm

23шт.

3

170308A1

BAND

STRAP - tie

23шт.

4

153590A1

GROMMET

- rubber

1шт.

5

153039A1

CLAMP

- P-type, 12 mm ID

8шт.

6

159602A1

BOLT,Sems, Hex, M6 x 16mm

BOLT - special

8шт.

7

159149A1

COLLAR

CLAMP - P-type

4шт.

8

159602A1

BOLT,Sems, Hex, M6 x 16mm

BOLT - special

4шт.

9

157806A1

COLLAR

CLAMP - P-type

20шт.

10

159602A1

BOLT,Sems, Hex, M6 x 16mm

BOLT - special

20шт.

11

153039A1

CLAMP

- P-type, 12 mm ID

6шт.

12

159602A1

BOLT,Sems, Hex, M6 x 16mm

BOLT - special

6шт.

13

159024A1

COLLAR

CLAMP - P-type

1шт.

14

159602A1

BOLT,Sems, Hex, M6 x 16mm

BOLT - special

1шт.

15

158970A1

COLLAR

CLAMP - P-type

3шт.

16

159602A1

BOLT,Sems, Hex, M6 x 16mm

BOLT - special

3шт.

20

173107A1

CABLE ASSY.

CABLE - battery

1шт.

21

159900A1

PRESSURE SWITCH

SWITCH - pressure, travel pilot pressure

1шт.

22

159899A1

PRESSURE SWITCH

SWITCH - pressure, upper pilot

1шт.

23

171341A1

HARNESS

- wire

1шт.

24

158970A1

COLLAR

CLAMP - P-type, 30 mm

3шт.

25

159149A1

COLLAR

CLAMP - P-type, 22 mm

3шт.

26

159602A1

BOLT,Sems, Hex, M6 x 16mm

BOLT - special

3шт.

27

162970A1

CLAMP

- P-type, 35 mm

3шт.

28

159149A1

COLLAR

CLAMP - P-type, 22mm

3шт.

29

159602A1

BOLT,Sems, Hex, M6 x 16mm

BOLT - special

3шт.

30

156462A1

COLLAR

CLAMP - P-type, 18 mm

1шт.

31

159149A1

COLLAR

CLAMP - P-type, 22 mm

1шт.

32

159602A1

BOLT,Sems, Hex, M6 x 16mm

BOLT - special

1шт.

33

170589A1

CABLE ASSY.

CABLE - battery

1шт.

34

150360A1

CAP

COVER - terminal

1шт.

35

170590A1

CABLE ASSY.

CABLE - battery, special

1шт.

36

150360A1

CAP

COVER - terminal

1шт.

37

150364A1

CAP

COVER - terminal

1шт.

38

170591A1

CABLE ASSY.

CABLE - battery, special

1шт.

39

150366A1

CAP

COVER - terminal

1шт.

40

162970A1

CLAMP

- P-type

4шт.

41

159602A1

BOLT,Sems, Hex, M6 x 16mm

BOLT - special

4шт.

Выбрано товаров: 0