Запчасти Case 9060B (6-16) - TRACK DRIVE CONTROLS, *PEDALS AND LEVERS - P.I.N EAC0601027 AND AFTER (06) - POWER TRAIN

Схема запчастей Case 9060B - (6-16) - TRACK DRIVE CONTROLS, *PEDALS AND LEVERS - P.I.N EAC0601027 AND AFTER (06) - POWER TRAIN
4
18
8
5
13
36
38
17
24
27
33
16
15
29
11
12
7
22
10
6
30
35
37
1
32
31
40
2
14
3
21
20
9
39
28
26
19
34
FIT
1:1
100%

Артикул

Название

Примечание

Количество

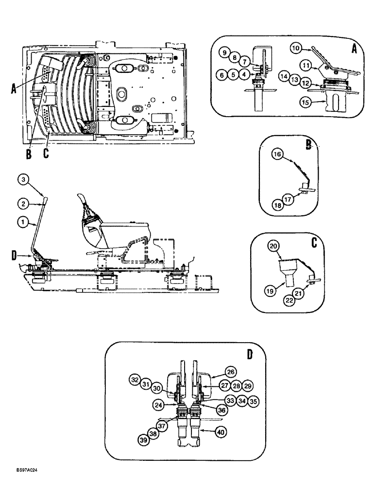
1

159261A1

LEVER

- control

2шт.

2

150373A1

NUT

- hex, 12 mm - 1.25, class 12.9

2шт.

3

165805A1

KNOB

- control lever, replaces 159262A1

2шт.

4

150548A1

BOLT,High Strength, Hex, M10 x 20mm

BOLT - hex, 10 - 1.5 x 20 mm, class 10.9

2шт.

5

159488A1

CAP

- special

2шт.

6

150604A1

WASHER

- special

2шт.

7

150552A1

BOLT,High Strength, Hex, M10 x 25mm

BOLT - hex, 10 - 1.5 x 25 mm, class 10.9

2шт.

8

159488A1

CAP

- special

2шт.

9

150604A1

WASHER

- special

2шт.

10

159030A1

PEDAL

- foot control

1шт.

11

161843A1

BRACKET

- pedal mounting

1шт.

12

150552A1

BOLT,High Strength, Hex, M10 x 25mm

BOLT - hex, 10 - 1.5 x 25 mm, class 10.9

2шт.

13

159488A1

CAP

- special

2шт.

14

150604A1

WASHER

- special

2шт.

15

162079A1

CONTROL BLOCK

VALVE ASSEMBLY - remote control, parts list Figure 8-212

1шт.

16

159265A1

SUPPORT

FOOTREST - right-hand

1шт.

17

627-10025

BOLT,Hex, M10 x 1.5 x 25mm, Cl 10.9, Full Thd

- hex, full threads, 10 - 1.5 x 25 mm, class 10.9

2шт.

18

150409A1

WASHER

- flat, special, 10.5 x 21 x 3.2 mm

2шт.

19

159267A1

COVER

- travel speed selector switch

1шт.

20

159266A1

SUPPORT

FOOTREST - left-hand

1шт.

21

627-10025

BOLT,Hex, M10 x 1.5 x 25mm, Cl 10.9, Full Thd

- hex, full threads, 10 - 1.5 x 25 mm, class 10.9

2шт.

22

150409A1

WASHER

- flat, special, 10.5 x 21 x 3.2 mm

2шт.

24

165403A1

BRACKET

- pedal and valve mounting, right-hand

1шт.

26

159030A1

PEDAL

- foot control

2шт.

27

150552A1

BOLT,High Strength, Hex, M10 x 25mm

BOLT - hex, 10 - 1.5 x 25 mm, class 10.9

4шт.

28

159488A1

CAP

- special

4шт.

29

150604A1

WASHER

- special

4шт.

30

150552A1

BOLT,High Strength, Hex, M10 x 25mm

BOLT - hex, 10 - 1.5 x 25 mm, class 10.9

4шт.

31

159488A1

CAP

- special

4шт.

32

150604A1

WASHER

- special

4шт.

33

165404A1

BOLT,Hex Skt, M10 x 20mm

BOLT - special

4шт.

34

159488A1

CAP

- special

4шт.

35

150604A1

WASHER

- special

4шт.

36

165402A1

BRACKET

- pedal and valve mounting, left-hand

1шт.

37

150552A1

BOLT,High Strength, Hex, M10 x 25mm

BOLT - hex, 10 - 1.5 x 25 mm, class 10.9

4шт.

38

159488A1

CAP

- special

4шт.

39

150604A1

WASHER

- special

4шт.

40

165193A1

VALVE

ASSEMBLY - remote control, parts list Figure 8-214

1шт.

Выбрано товаров: 38