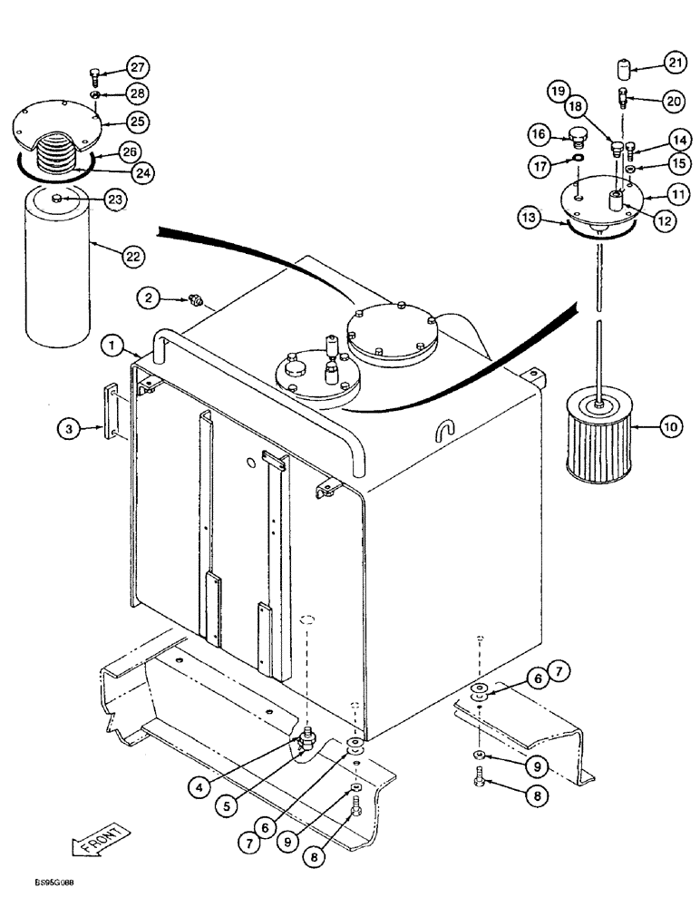
Запчасти Case 9060B (8-002) - HYDRAULIC RESERVOIR (08) - HYDRAULICS

Схема запчастей Case 9060B - (8-002) - HYDRAULIC RESERVOIR (08) - HYDRAULICS
28
18
2
24
26
3
21
17
7
12
10
19
5
8
9
7
13
25
4
6
16
14
11
8
9
22
27
23
6
1
15
20
FIT
1:1
100%

Артикул

Название

Примечание

Количество

1

170132A1

TANK, HYDRAULIC OIL

RESERVOIR - hydraulic oil

1шт.

2

152723A1

PRESSURE SWITCH

SWITCH - pressure

1шт.

3

163560A1

SIGHTGLASS

GAUGE ASSEMBLY - sight, oil level, component parts not serviced separately.

1шт.

4

159279A1

SOCKET

REDUCER - hydraulic port

1шт.

5

150962A1

COCK, DRAIN

VALVE - drain, reservoir

1шт.

6

170002A1

FRICTION WASHER

PLATE - shim, 0.8 mm (1/32 inch) thick

1шт.

7

170003A1

FRICTION WASHER

PLATE - shim, 2.0 mm (5/64 inch) thick

1шт.

8

828-16070

BOLT,Hex, M16 x 2 x 70mm, Cl 10.9

6шт.

9

162301A1

SPACER

- special, mounting

6шт.

10

152721A1

FUEL FILTER

STRAINER - hydraulic oil

1шт.

11

151095A1

COVER

- air breather, includes: Ref. 12

1шт.

12

152931A1

FITTING

ADAPTER - straight

1шт.

13

154835A1

O-RING

- cover

1шт.

14

627-10025

BOLT,Hex, M10 x 1.5 x 25mm, Cl 10.9, Full Thd

- hex, full threads, 10 - 1.5 x 25 mm, class 10.9

4шт.

16

152193A1

PLUG

- port, includes: Ref. 17

1шт.

17

152197A1

O-RING

- plug

1шт.

18

152800A1

PLUG

- port, includes: Ref. 19

1шт.

19

154487A1

O-RING

- plug

1шт.

20

152927A1

VALVE

BREATHER - hydraulic reservoir

1шт.

21

152936A1

CAP

- rubber, breather

1шт.

22

153030A1

HYDRAULIC OIL FILTER

FILTER - return

1шт.

23

153037A1

VALVE

- relief

1шт.

24

153343A1

SPRING

- compression

1шт.

25

153340A1

COVER

- return filter

1шт.

26

154875A1

O-RING

- cover

1шт.

27

627-10025

BOLT,Hex, M10 x 1.5 x 25mm, Cl 10.9, Full Thd

- hex, full threads, 10 - 1.5 x 25 mm, class 10.9

6шт.

15

895-11010

WASHER,11mm ID x 20mm OD x 2mm Thk

- flat, 11 x 20 x 2 mm

4шт.

28

895-11010

WASHER,11mm ID x 20mm OD x 2mm Thk

- flat, 11 x 20 x 2 mm

6шт.

Выбрано товаров: 28