Запчасти Case 9060B (8-059A) - ARM CYLINDER SUPPLY LINES, P.I.N. EAC0601060 AND AFTER, ARM-OUT LINES (08) - HYDRAULICS

Схема запчастей Case 9060B - (8-059A) - ARM CYLINDER SUPPLY LINES, P.I.N. EAC0601060 AND AFTER, ARM-OUT LINES (08) - HYDRAULICS
6
5
18
16
3
11
9
15
17
12
8
14
1
13
7
10
4
2
FIT
1:1
100%

Артикул

Название

Примечание

Количество

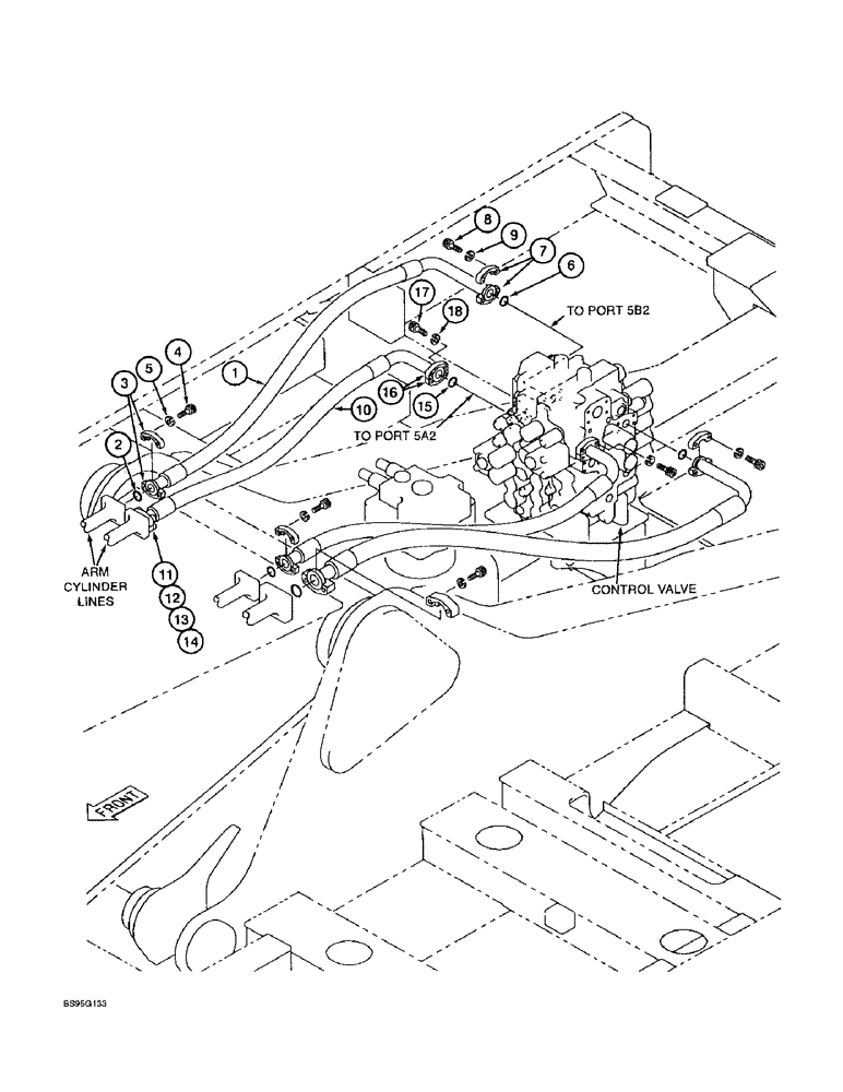
1

171704A1

HOSE ASSY.

HOSE - arm-out line (main control valve port "5B2" to arm cylinder line)

1шт.

2

164450A1

O-RING

- hose

1шт.

3

150124A1

FLANGE

- split

2шт.

4

861-14055

HEX SOC SCREW,M14 x 55mm, Cl 12.9

SCREW - hex socket, 14 - 2.0 x 55 mm, class 12.9

4шт.

5

150336A1

SPRING WASHER

WASHER - lock, 14 mm

4шт.

6

164450A1

O-RING

- hose

1шт.

7

150124A1

FLANGE

- split

2шт.

8

827-14055

BOLT,Hex, M14 x 2 x 55mm, Cl 10.9

Hex, M14 x 3 x 55, 10.9

4шт.

9

892-11014

LOCK WASHER,14.5mm ID x 24.1mm OD x 4.5mm Thk

WASHER - lock, 14 mm

4шт.

10

171103A1

HOSE ASSY.

HOSE - 1450 mm (57-1/8 inch) long, arm-out line (main control valve port "5A2" to arm cylinder line)

1шт.

11

164450A1

O-RING

- hose, arm-in lines

1шт.

12

150124A1

FLANGE

- split, arm-in lines

2шт.

13

861-14055

HEX SOC SCREW,M14 x 55mm, Cl 12.9

SCREW - hex socket, 14 - 2.0 x 55 mm, class 12.9, Arm-in lines

4шт.

14

150336A1

SPRING WASHER

WASHER - lock, 14 mm, arm-in lines

4шт.

15

164450A1

O-RING

- hose, arm-in lines

1шт.

16

150124A1

FLANGE

- split, arm-in lines

2шт.

17

827-14055

BOLT,Hex, M14 x 2 x 55mm, Cl 10.9

arm-in lines Hex, M14 x 3 x 55, 10.9

4шт.

18

892-11014

LOCK WASHER,14.5mm ID x 24.1mm OD x 4.5mm Thk

WASHER - lock, 14 mm, arm-in lines

4шт.

Выбрано товаров: 18