Запчасти Case 9060B (8-100) - AUXILIARY EQUIPMENT - DOUBLE ACTION, BASIC HYDRAULICS (08) - HYDRAULICS

Схема запчастей Case 9060B - (8-100) - AUXILIARY EQUIPMENT - DOUBLE ACTION, BASIC HYDRAULICS (08) - HYDRAULICS
1
10
6
6
3
1
3
3
6
7
7
5
3
3
11
7
8
7
5
3
6
10
12
5
5
3
7
3
6
9
2
5
2
6
7
5
4
FIT
1:1
100%

Артикул

Название

Примечание

Количество

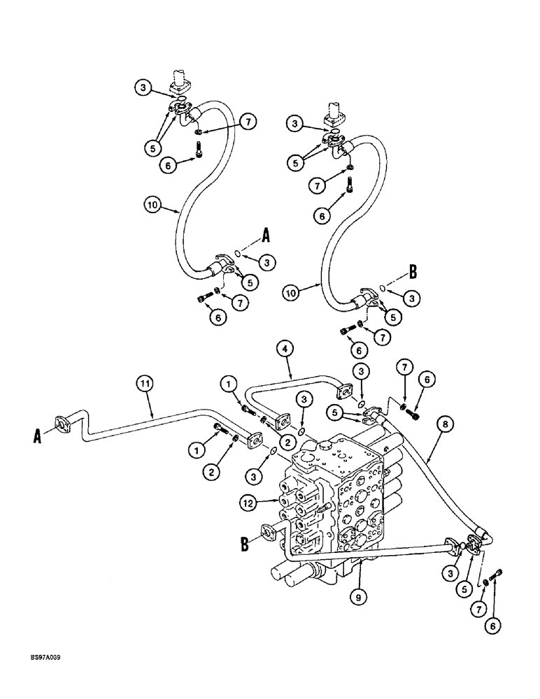
1

862-10035

HEX SOC SCREW,M10 x 35mm, Cl 12.9

SCREW - hex socket, 10 - 1.5 x 35 mm, class 12.9

8шт.

2

112309A1

LOCK WASHER

- lock, special

8шт.

3

162246A1

O-RING

- tube

8шт.

4

171155A1

TUBE

- control valve supply

1шт.

5

150561A1

FLANGE

- split, tube

12шт.

6

862-12050

HEX SOC SCREW,M12 x 50mm, Cl 12.9

BOLT - hex socket, 12 - 1.75 x 50 mm, class 12.9

24шт.

7

112312A1

LOCK WASHER

- lock, 12 mm

24шт.

8

171154A1

HOSE ASSY.

HOSE - 700 mm (27-1/2 inch) long

1шт.

9

171157A1

TUBE

- control valve supply

1шт.

10

171172A1

HOSE ASSY.

HOSE - 2300 mm (90-1/2 inch) long

2шт.

11

171158A1

TUBE

- auxiliary return at valve

1шт.

12

171225A1

VALVE

ASSEMBLY - control, parts list Figure 8-178 - 8-198

1шт.

Выбрано товаров: 12