Запчасти Case 1280 (200) - FOUR SPOOL CONTROL VALVE - INSIDE (07) - HYDRAULIC SYSTEM

Схема запчастей Case 1280 - (200) - FOUR SPOOL CONTROL VALVE - INSIDE (07) - HYDRAULIC SYSTEM
FIT
1:1
100%

Артикул

Название

Примечание

Количество

S514301

VALVE

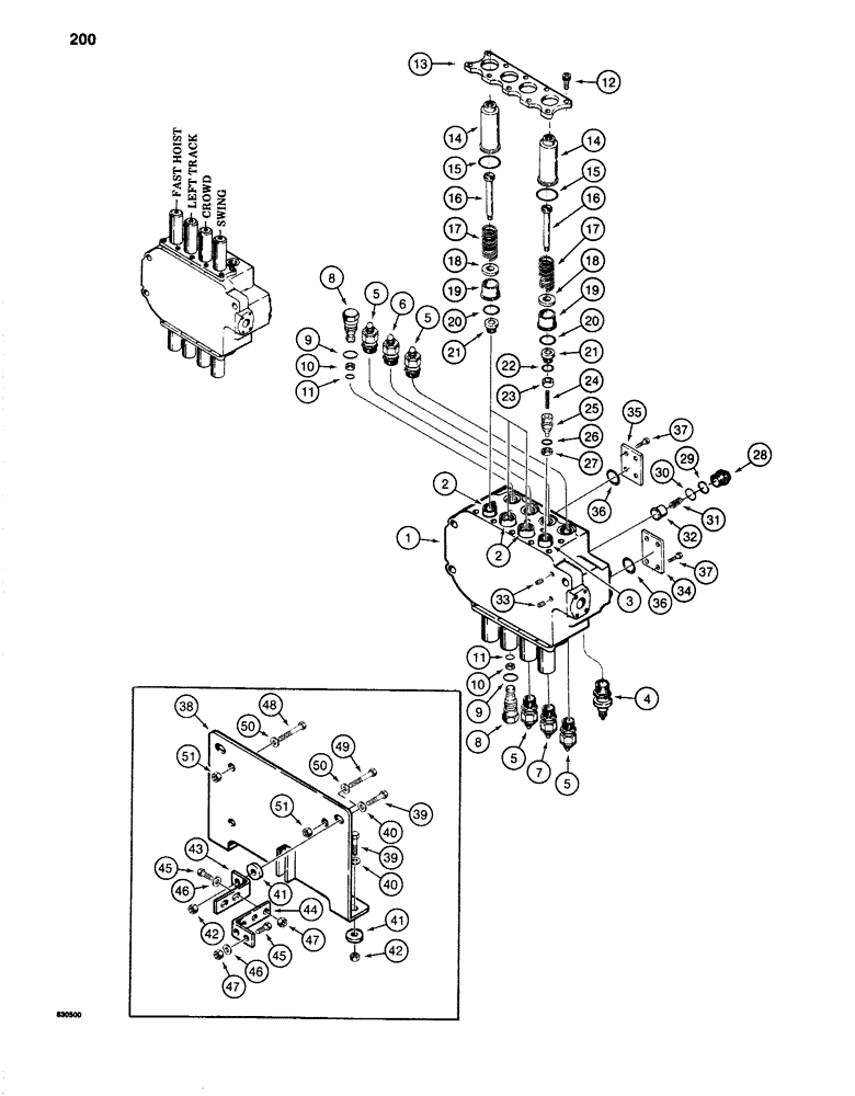
CONTROL VALVE ASSEMBLY - inside, Includes: Ref. 1 - 37

1шт.

1

NSS

NOT SOLD SEPARAT

HOUSING - control valve

1шт.

2

NSS

NOT SOLD SEPARAT

SPOOL - fast hoist, left-hand track, and crowd circuits

3шт.

3

NSS

NOT SOLD SEPARAT

SPOOL - swing circuit

1шт.

4

S237783

VALVE

MAIN RELIEF VALVE - set at 3300 psi, parts list Figure 210

1шт.

5

S616868

VALVE

CIRCUIT RELIEF VALVE - set at 2500 psi, parts list Figure 212

4шт.

6

S616865

VALVE

CIRCUIT RELIEF VALVE - set at 3400 psi, parts list Figure 212

1шт.

7

S616860

VALVE, PRESSURE RELI

CIRCUIT RELIEF VALVE - special R series, set at 3400 psi, parts list Figure 212

1шт.

S81690

PLUG

ASSEMBLY - fast hoist circuit, Includes: Ref. 8 - 11

2шт.

8

NSS

NOT SOLD SEPARAT

PLUG - fast hoist circuit

1шт.

9

218-5010

O-RING,0.116" Thk x 1.171" ID, -916, Cl 6, 90 Duro

- plug, outer

1шт.

10

S93829

BACK-UP RING,0.609" ID x 0.052" Width

BACKUP RING - inner O-ring

1шт.

11

A64436

O-RING,0.549" ID x 0.755" OD

- inner

1шт.

12

61-632

HEX SOC SCREW,3/8"-16 x 2"

BOLT - hex socket head, 3/8" - 16 NC x 2", grade 8

20шт.

13

S109884

PLATE - retaining

2шт.

14

S109519

PLUNGER

CAP - spool

8шт.

15

D26820

O-RING,0.103" Thk x 1.549" ID, -129, Cl 5, 75 Duro

- cap

8шт.

16

S109518

RETAINER

- spring

8шт.

17

S109516

SPRING

- spool

8шт.

18

S109520

SPACER

- spring

8шт.

19

S109522

CAP

SLEEVE - spool

8шт.

20

S109515

O-RING

O-RING - sleeve

8шт.

21

S109517

PLUG

- spool end

8шт.

22

237-6010

O-RING,0.097" Thk x 0.755" ID, -910, Cl 6, 90 Duro

- plug, swing spool only

2шт.

23

N60319

SPACER

- swing spool only

2шт.

24

S90244

SPRING

- swing spool only

2шт.

25

S90246

VALVE POPPET

POPPET - swing spool only

2шт.

26

A64436

O-RING,0.549" ID x 0.755" OD

- swing spool only

2шт.

27

S111878

BACK-UP RING

BACKUP RING - swing spool only

2шт.

S104993

PLUG

ASSEMBLY - check valve, Includes: Ref. 28 - 30

4шт.

28

S105092

PLUG

- check valve

1шт.

29

S105091

OIL SEAL

BACKUP RING - check valve plug

1шт.

30

S90254

O-RING

- check valve plug

1шт.

31

S13715

SPRING

- check valve poppet

1шт.

32

S13808

VALVE POPPET

POPPET - check valve

1шт.

33

221-843

PLUG,Hex Soc, 3/8"-18

- hex socket head, 3/8" NPT

2шт.

34

S236440

COVER

- optional inlet port

1шт.

35

S231589

COVER

- optional outlet port

1шт.

36

S6586

O-RING,0.139" Thk x 1.484" ID, -222, Cl 6, 90 Duro

- optional port seal

2шт.

37

113-312

BOLT,Hex, 7/16" - 14 x 1-1/4", Gr 5

8шт.

38

S513395

BRACKET - valve mounting

1шт.

39

113-441

BOLT,Hex, 1/2" - 13 x 2-1/4", Gr 5

Hex, 1/2"-13 x 2 1/4", G5

4шт.

40

S95569

WASHER

- flat, 1/2", hardened

4шт.

41

S113313

SPACER

- mounting bracket

4шт.

42

131-70

NUT,1/2"-13, GB

NUT - hex, self-locking, 1/2" - 13 NC

4шт.

43

S237793

BRACKET - 90 degree

2шт.

44

S236439

BRACKET - 90 degree

2шт.

45

113-412

BOLT,Hex, 1/2" - 13 x 1-3/4", Gr 5

8шт.

46

S95569

WASHER

- flat, 1/2", hardened

8шт.

47

131-70

NUT,1/2"-13, GB

NUT - hex, 1/2" - 13 NC

8шт.

48

13-1076

BOLT,Hex, 5/8" - 11 x 4-3/4", Gr 5

- hex head, 5/8" - 11 NC x 4-3/4"

2шт.

49

113-627

BOLT,Hex, 5/8" - 11 x 3-1/4", Gr 5

1шт.

50

195-41

WASHER,5/8"

- flat, 5/8"

3шт.

51

131-14

LOCK NUT,5/8"-11, GC

NUT, LOCK, 5/8"-11, GC

3шт.

Выбрано товаров: 54