Запчасти Case 1280 (204) - FOUR SPOOL CONTROL VALVE - OUTSIDE (07) - HYDRAULIC SYSTEM

Схема запчастей Case 1280 - (204) - FOUR SPOOL CONTROL VALVE - OUTSIDE (07) - HYDRAULIC SYSTEM
FIT
1:1
100%

Артикул

Название

Примечание

Количество

S514302

VALVE

CONTROL VALVE ASSEMBLY - outside, models without leveler or auxiliary hydraulic circuits, Includes: Ref. 1 - 37

1шт.

S514303

VALVE

CONTROL VALVE ASSEMBLY - outside, models with leveler and without auxiliary hydraulic circuits, Includes: Ref. 1 - 37

1шт.

S514304

VALVE

CONTROL VALVE ASSEMBLY - outside, models with leveler and auxiliary hydraulic circuits, Includes: Ref. 1 - 37

1шт.

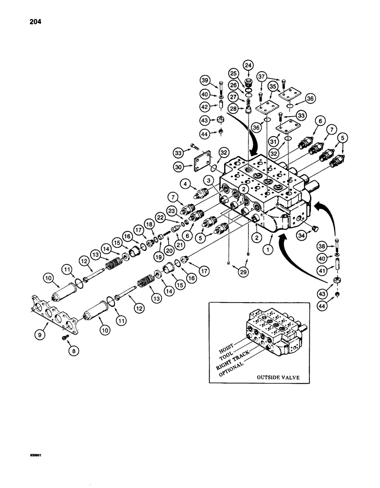
1

NSS

NOT SOLD SEPARAT

HOUSING - control valve

1шт.

2

NSS

NOT SOLD SEPARAT

SPOOL - tool, right-hand track, and auxiliary hydraulic circuits

3шт.

3

NSS

NOT SOLD SEPARAT

SPOOL - hoist, circuit

1шт.

4

S237783

VALVE

MAIN RELIEF VALVE - set at 3300 psi, parts list Figure 210

1шт.

5

S616868

VALVE

CIRCUIT RELIEF VALVE - set at 2500 psi, parts list Figure 212

4шт.

6

S616865

VALVE

CIRCUIT RELIEF VALVE - set at 3400 psi, parts list Figure 212

2шт.

7

S616860

VALVE, PRESSURE RELI

CIRCUIT RELIEF VALVE - special R series, set at 3400 psi, parts list Figure 212

2шт.

8

61-632

HEX SOC SCREW,3/8"-16 x 2"

BOLT - hex socket head, 3/8" - 16 NC x 2", grade 8

20шт.

9

S109884

PLATE - retaining

2шт.

10

S109519

PLUNGER

CAP - spool

8шт.

11

D26820

O-RING,0.103" Thk x 1.549" ID, -129, Cl 5, 75 Duro

- cap

8шт.

12

S109518

RETAINER

- spring

8шт.

13

S109516

SPRING

- spool

8шт.

14

S109520

SPACER

- spring

8шт.

15

S109522

CAP

SLEEVE - spool

8шт.

16

S109515

O-RING

O-RING - sleeve

8шт.

17

S109517

PLUG

- spool end

8шт.

18

237-6010

O-RING,0.097" Thk x 0.755" ID, -910, Cl 6, 90 Duro

- plug, hoist spool only

2шт.

19

N60319

SPACER

- hoist spool only

2шт.

20

S90244

SPRING

- hoist spool only

2шт.

21

S90246

VALVE POPPET

POPPET - hoist spool only

2шт.

22

A64436

O-RING,0.549" ID x 0.755" OD

- hoist spool only

2шт.

23

S111878

BACK-UP RING

BACKUP RING - swing spool only

2шт.

S104993

PLUG

ASSEMBLY - check valve, Includes: Ref. 24 - 26

4шт.

24

S105092

PLUG

- check valve

1шт.

25

S105091

OIL SEAL

BACKUP RING - check valve plug

1шт.

26

S90254

O-RING

- check valve plug

1шт.

27

S13715

SPRING

- check valve poppet

1шт.

28

S13808

VALVE POPPET

POPPET - check valve

1шт.

29

221-843

PLUG,Hex Soc, 3/8"-18

- hex socket head, 3/8" NPT

2шт.

30

S236440

COVER

- optional inlet port, all control valves

1шт.

31

S231589

COVER

- optional outlet port, S514302 and S514303 control valves only

1шт.

32

S6586

O-RING,0.139" Thk x 1.484" ID, -222, Cl 6, 90 Duro

- optional port seal

1-2шт.

33

113-312

BOLT,Hex, 7/16" - 14 x 1-1/4", Gr 5

4-8шт.

34

221-846

PLUG,Hex Soc, 1"-11 1/2

- hex socket head, 1" NPT, S514304 control valve only

1шт.

35

S231603

COVER

- working port, S514302 control valve only

2шт.

36

S6583

O-RING,0.139" Thk x 1.296" ID, -219, Cl 6, 90 Duro

- working port seal, S514302 control valve only

2шт.

37

113-208

BOLT,Hex, 3/8" - 16 x 1-1/4", Gr 5

If used Hex, 3/8"-16 x 1 1/4", G5, Full Thd

8шт.

38

113-2428

BOLT,Hex, 1/2" - 13 x 5-1/4", Gr 5

2шт.

39

113-447

BOLT,Hex, 1/2" - 13 x 3-1/2", Gr 5

- hex head, 1/2" - 13 NC x 4-1/4"

1шт.

40

95-8

WASHER,1/2"

flat 1/2"

3шт.

41

S108315

SPACER

- long bolt

2шт.

42

S108316

SPACER

- short bolt

1шт.

43

S113313

SPACER

- between valve and turntable

3шт.

44

131-70

NUT,1/2"-13, GB

NUT - hex, self-locking, 1/2" - 13 NC

3шт.

Выбрано товаров: 48