Запчасти Case 1280 (040) - CYLINDER HEAD AND COVER, 504BDT DIESEL ENGINE (01) - ENGINE

Схема запчастей Case 1280 - (040) - CYLINDER HEAD AND COVER, 504BDT DIESEL ENGINE (01) - ENGINE
FIT
1:1
100%

Артикул

Название

Примечание

Количество

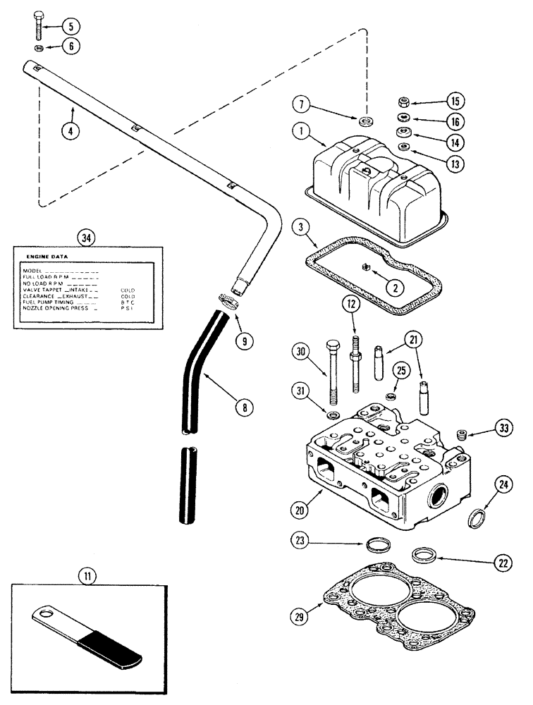
1

A58929

COVER

COVER ASSEMBLY - cylinder head, Includes: Ref. 2

3шт.

2

131-114

SPRING NUT,Rtnr, 1/4" - 20, 0.25" High

NUT - cage, Tinnerman, 1/4 inch NC

1шт.

3

REF

INSTRUCTION

GASKET - cylinder head (See Figure 56)

3шт.

4

A66640

TUBE

TUBE - breather

1шт.

5

13-440

BOLT,Hex, 1/4" - 20 x 2-1/2", Gr 5

3шт.

6

A34133

GASKET

GASKET - bolt to tube, 9/32 x 1/2 x 3/64 inch (714 x 127 119 mm)

3шт.

7

A58635

GASKET,17.27mm ID x 32mm OD x 6.6mm Thk

GASKET - tube to cover, 11/16 x 1 1/4 x 1/4 inch (17. 53 x 31. 75 x 6.35 mm)

3шт.

8

A156416

HOSE,25.4 mm ID x 1016.00 mm, SAE J200F

Breather

1шт.

9

214-12

CLAMP

CLAMP - hose, 1 1/8 to 1 5/16 inch

1шт.

11

D34033

CLAMP

CLAMP - breather, Serial Range: hose-block

1шт.

12

A67121

STUD

STUD - cover and rocker arm bracket

6шт.

13

A142098

GROMMET

GROMMET - cover stud

6шт.

14

A156097

WASHER,11.94mm ID x 31.22mm OD x 1.32mm Thk

WASHER - cover nut

6шт.

15

25-107

NUT,7/16"-14, G5

NUT - hex, 7/16 inch NC

6шт.

16

195-29

WASHER,7/16"

WASHER - 15/32 x 59/64 x 1/16 inch (11.91 x 23. 42 x 1.59 mm)

6шт.

20

A138261

HEAD (CYLINDER)

HEAD ASSEMBLY - cylinder (Casting No. A152437)

3шт.

20

AR152265

REMAN-CYLINDER HEAD

Cylinder Head

3шт.

20

AC152265

CORE-CYLINDER HEAD

Return Number

3шт.

21

A41783

GUIDE

GUIDE - valve

4шт.

22

A66192

INSERT

INSERT - exhaust valve seat

2шт.

23

A66191

INSERT

INSERT - intake valve seat

2шт.

24

A34124

PLUG,Cup, 1 5/8", Stainless

PLUG - cup, 1 5/8 inch (41.27 mm)

2шт.

25

A58620

PLUG,Cup, 3/4", Stainless

PLUG - cup, 3/4 inch (19.05 mm)

3шт.

29

REF

INSTRUCTION

GASKET - head to block (Includes fire rings) (See Figure 56)

3шт.

30

A76638

BOLT

BOLT - head to block, hex, 5/8 NC x 6 1/4 inch

30шт.

31

A58629

BEARING WASHER,16.66mm ID x 25.4mm OD x 3.04mm Thk

WASHER - head bolt, 21/32 x 1 x 1/8 inch (1667 x 254 x 318 mm)

30шт.

33

221-843

PLUG,Hex Soc, 3/8"-18

6шт.

34

321-3972

DECAL

DECAL - engine data

1шт.

Выбрано товаров: 28