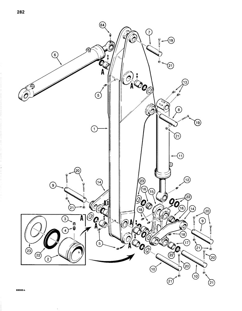
Запчасти Case 1280B (282) - ARM, LINKS AND MOUNTING PINS (09) - CHASSIS/ATTACHMENTS

Схема запчастей Case 1280B - (282) - ARM, LINKS AND MOUNTING PINS (09) - CHASSIS/ATTACHMENTS
FIT
1:1
100%

Артикул

Название

Примечание

Количество

1

S956680

DIPPER

ARM ASSEMBLY - excavator, 9' (2.74 m), Includes: Ref. 2 - 5

1шт.

1

S956555

DIPPER

ARM ASSEMBLY - excavator, 10'-5" (3.17 m), Includes: Ref. 2 - 5

1шт.

1

S956678

DIPPER

ARM ASSEMBLY - excavator, 12' (3.66 m), Includes: Ref. 2 - 5

1шт.

2

S240344

BUSHING

- arm to boom, arm to tool links, Serial Range: arm-tool

6шт.

3

83-66

SET SCREW,Hex Soc, 3/8"-16 x 3/8"

- 3/8" - 16 NC x 3/8", cup point, top

6шт.

4

178-53

SET SCREW,Hex Soc, 3/8"-16 x 3/8"

- 3/8" - 16 NC x 3/8", cone point, bottom

6шт.

5

219-1

LUBE NIPPLE,1/8" - 27 NPTF

GREASE FITTING - straight, 1/8" NPT

3шт.

6

S956722

CYLINDER

- arm, parts list Figure 236

1шт.

6a

219-1

LUBE NIPPLE,1/8" - 27 NPTF

GREASE FITTING - straight, 1/8" NPT

1шт.

7

S240363

PIN

- arm, Serial Range: cylinder-arm

1шт.

8

S240368

PIN

- tool, Serial Range: cylinder-arm

1шт.

9

S240367

PIN

- arm to tool links, tool links to tool attachment

2шт.

10

S240343

PIN

- tool attachment to tool, Serial Range: arm-tool

2шт.

11

S956747

CYLINDER

- tool, parts list Figure 238

1шт.

12

219-1

LUBE NIPPLE,1/8" - 27 NPTF

GREASE FITTING - straight, 1/8" NPT

1шт.

13

219-36

LUBE NIPPLE,45 Degree Elbow, 1/8" - 27 NPTF

GREASE FITTING - 45 degree, 1/8" NPT

2шт.

14

S240358

LINK

- tool

2шт.

15

S515755

LINK ASSY.

ATTACHMENT ASSEMBLY - tool, Includes: Ref. 16 - 18

1шт.

16

S240357

BUSHING

- link and cylinder end

2шт.

17

S240344

BUSHING

- tool attachment end

2шт.

18

219-1

LUBE NIPPLE,1/8" - 27 NPTF

GREASE FITTING - straight, 1/8" NPT

3шт.

19

826-12160

BOLT,Hex, M12 x 1.75 x 160mm, Cl 10.9

- hex head, 12 mm - 1.75 x 160 mm (8.8)

2шт.

20

826-12150

BOLT,Hex, M12 x 1.75 x 150mm, Cl 10.9

BOLT - hex head, 12 mm - 1.75 x 150 mm (8.8)

6шт.

21

S118774

NUT

- hex, self-locking, 12 mm - 1.75

8шт.

22

S240665

OIL SEAL

- grease

12шт.

23

S119238

SHIM,3mm Thk

Used with Reference numbers 7, 8, 9, and 10 3mm Thk

1шт.

24

S241940

BLOCK

- tapped, welded to arm on models with auxiliary hydraulics, not shown

3шт.

Выбрано товаров: 27