Запчасти Case 1280B (096) - DETROIT DIESEL ENGINE ELECTRICAL SYSTEM (04) - ELECTRICAL SYSTEMS

Схема запчастей Case 1280B - (096) - DETROIT DIESEL ENGINE ELECTRICAL SYSTEM (04) - ELECTRICAL SYSTEMS
FIT
1:1
100%

Артикул

Название

Примечание

Количество

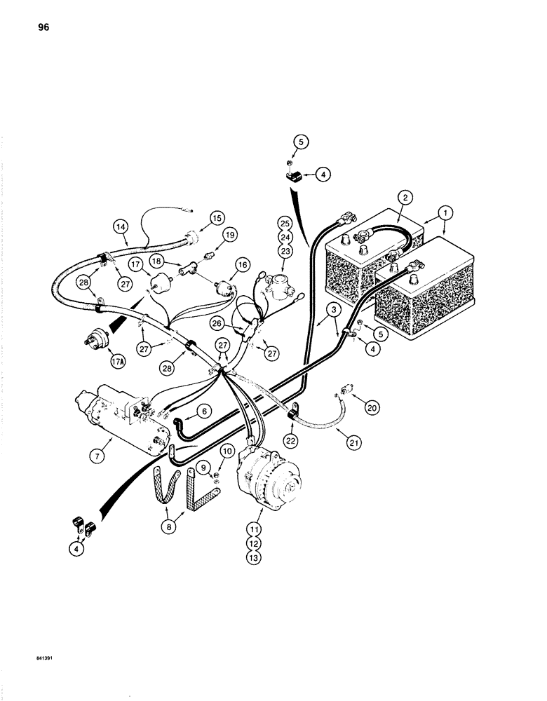
1

L13308

DRY BATTERY

- 12 volt, see Figure 90 for battery mounting parts

2шт.

2

S237885

NEG BATTERY CABLE

CABLE -, Serial Range: battery-battery

1шт.

3

S241695

CABLE

-, Serial Range: battery-starter

2шт.

4

515-23159

CLAMP,5/8", Insul, 3/8" Bolt

- cables to frame and rear of engine

4шт.

5

131-52

NUT,3/8"-16, GC

NUT - hex, self-locking, 3/8" - 16 NC

2шт.

6

S115407

BOOT

- rubber

1шт.

7

REF

INSTRUCTION

STARTER - furnished with engine, for service, see an authorized Detroit Diesel Allison service outlet

1шт.

8

S226940

ELECTRICAL WIRE

CABLE - ground, starter to engine and, Serial Range: engine-turntable

2шт.

9

195-525

WASHER,3/8", SAE

- flat, 3/8", ground cable to turntable frame

1шт.

10

131-52

NUT,3/8"-16, GC

NUT - hex, self-locking, 3/8" - 16 NC, ground cable to turntable frame

1шт.

11

REF

INSTRUCTION

ALTERNATOR - electrical, parts list Figures 80 and 82, mounting brackets figure 90

1шт.

12

192-19

LOCK WASHER,Helical Spring, 0.256" ID, CST, ZND

WASHER, LOCK, , Alternator output terminal, not shown 1/4"

1шт.

13

7770

NUT,Hex, 1/4 - 20, Cl 5

1/4"-20, G5, Alternator output terminal, not shown

1шт.

14

S614354

HARNESS

- engine, used on units with engine oil pressure gauge and with starter solenoid mounted on engine

1шт.

14

S618793

HARNESS

- engine, used on units with low oil pressure lamp and buzzer and with starter solenoid mounted on turntable, Includes: Ref. 15 and 15A

1шт.

15

S107265

PLUG

CONNECTOR - harness, Includes: Ref. 15A

1шт.

15a

S99513

CONTACT

- connector, not shown

8шт.

16

S63884

SWITCH

- hourmeter, oil pressure activated

1шт.

17

S108398

TRANSMITTER

SENDER - engine oil pressure, used on units with engine oil pressure gauge

1шт.

17a

S242648

SWITCH

- engine oil pressure, used on units with low oil pressure lamp and buzzer

1шт.

18

217-1160

TEE,1/8"-27 Female

- 1/8" NPT

1шт.

19

217-1079

HYD CONNECTOR,1/8" - 27 NPTF

CONNECTOR - straight, 1/8" NPT

1шт.

20

S108396

SENDER UNIT

SENDER - engine temperature

1шт.

21

REF

INSTRUCTION

LOOM - engine temperature sending wire, 24" (610 mm) long, cut from S118377, see below

1шт.

22

S64985

CLAMP

- engine temperature sending, Serial Range: wire-engine

1шт.

23

S240588

SOLENOID SWITCH

SOLENOID - starter

1шт.

24

113-4

BOLT,Hex, 1/4" - 20 x 1", Gr 5

Solenoid mounting, if used, see Ref. No. 25, Figure 90 Hex, 1/4"-20 x 1", G5

2шт.

25

86625061

NUT,1/4"-20, GB

NUT - hex, self-locking, 1/4" - 20 NC, solenoid mounting, if used, see Ref. No. 26, Figure 90

2шт.

26

S237284

RESISTOR

- alternator circuit

1шт.

27

L18337

CABLE TIE,9.95"-12.1" lg

STRAP - tie, 15 inch, nylon

1шт.

28

R14668

CLAMP

- harness and cable

3шт.

S118377

LOOM

- bulk roll, 240" (6096 mm) long

1шт.

Выбрано товаров: 32