Запчасти Case 1280B (098) - INSTRUMENT PANELS (04) - ELECTRICAL SYSTEMS

Схема запчастей Case 1280B - (098) - INSTRUMENT PANELS (04) - ELECTRICAL SYSTEMS
FIT
1:1
100%

Артикул

Название

Примечание

Количество

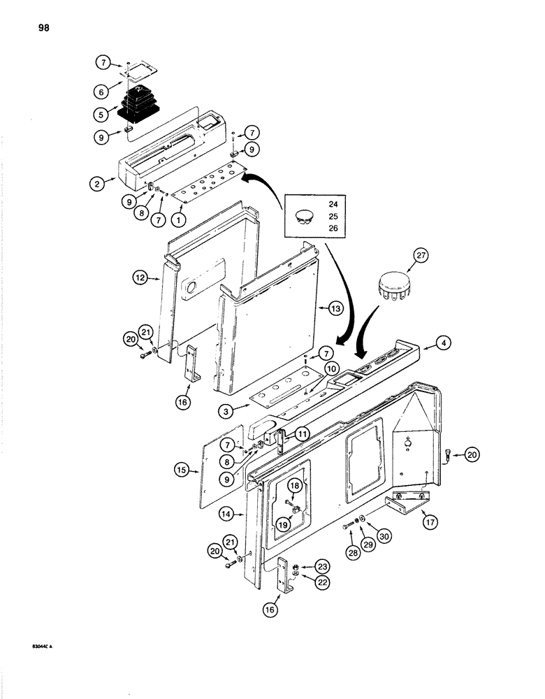
1

321-6098

PANEL

- instrument, left-hand

1шт.

2

S956663

COVER

- left-hand console

1шт.

3

321-6097

PANEL

- instrument, right-hand

1шт.

4

S956661

COVER

- right-hand console

1шт.

5

S615715

BOOT

- control lever

2шт.

6

S239340

FLANGE

- boot retaining

2шт.

7

179-156

SCREW,Cross Oval Hd, #10 - 24 x 3/4"

MACHINE SCREW - No 10 - 24 NC x 3/4"

27-28шт.

8

F64315

WASHER

- special finishing, No 10

13-14шт.

9

S117167

CLIP

NUT - U-type, No 10 - 24 NC

23-24шт.

10

86632551

NUT,#10-24, GB

NUT, LOCK, #10-24, GB

4шт.

11

S118869

BAR

- right-hand, Serial Range: cover-console

1шт.

12

S956664

PANEL

CONSOLE - left-hand, outside

1шт.

13

S956665

PANEL

CONSOLE - left-hand, inside

1шт.

14

S956662

PANEL, SIDE

CONSOLE - right-hand

1шт.

15

S516014

COVER

- access, right-hand console

2шт.

16

S239381

BRACKET

- console support, rear

2шт.

17

S514941

BRACKET

- console support, right-hand front

1шт.

18

179-156

SCREW,Cross Oval Hd, #10 - 24 x 3/4"

MACHINE SCREW - No. 10 - 24 NC x 3/4"

8шт.

19

S117167

CLIP

NUT - U-type, No. 10 - 24 NC

8шт.

20

187-575

SELF-TAP SCREW,Hex Washer, 1/4" - 20 x 3/4"

BOLT - hex head, 1/4" - 20 NC x 3/4"

16шт.

21

195-2250

WASHER,.266" x 13/16" x .083"

- flat, 1/4"

6шт.

22

196-5

WASHER,13/32" x 1 1/16" x .095", HDN

- flat, 3/8"

2шт.

23

131-52

NUT,3/8"-16, GC

NUT - hex, 3/8" - 16 NC

2шт.

24

353-404

PLUG,Dome, .500" hole, Nylon

(13 mm), Used to plug hole in instrument panel when optional work lamp or windshield washer switches are not used Dome, .500" hole, Nylon

1-2шт.

25

353-407

PLUG,Dome, .687" hole, Nylon

- 11/16" (18 mm) diameter, used to plug hole in instrument panel when optional cold start switch is not used

1шт.

26

353-402

PLUG,Dome, .375" hole, Nylon

(10 mm), Used to plug hole in instrument panel when circuit breaker for optional work lamps is not used Dome, .375" hole, Nylon

1шт.

27

S242662

PLUG

- 2.09" (53 mm) diameter, used to plug oil pressure gauge hole when warning lamp and buzzer are used

1шт.

28

113-3

BOLT,Hex, 1/4" - 20 x 3/4", Gr 5

2шт.

29

192-19

LOCK WASHER,Helical Spring, 0.256" ID, CST, ZND

WASHER, LOCK, 1/4"

2шт.

30

195-2250

WASHER,.266" x 13/16" x .083"

- flat, 3/16" bolt size

2шт.

Выбрано товаров: 30