Запчасти Case 1280B (136) - TRACK DRIVE HYDRAULIC MOTORS (06) - POWER TRAIN

Схема запчастей Case 1280B - (136) - TRACK DRIVE HYDRAULIC MOTORS (06) - POWER TRAIN
FIT
1:1
100%

Артикул

Название

Примечание

Количество

S617341

MOTOR

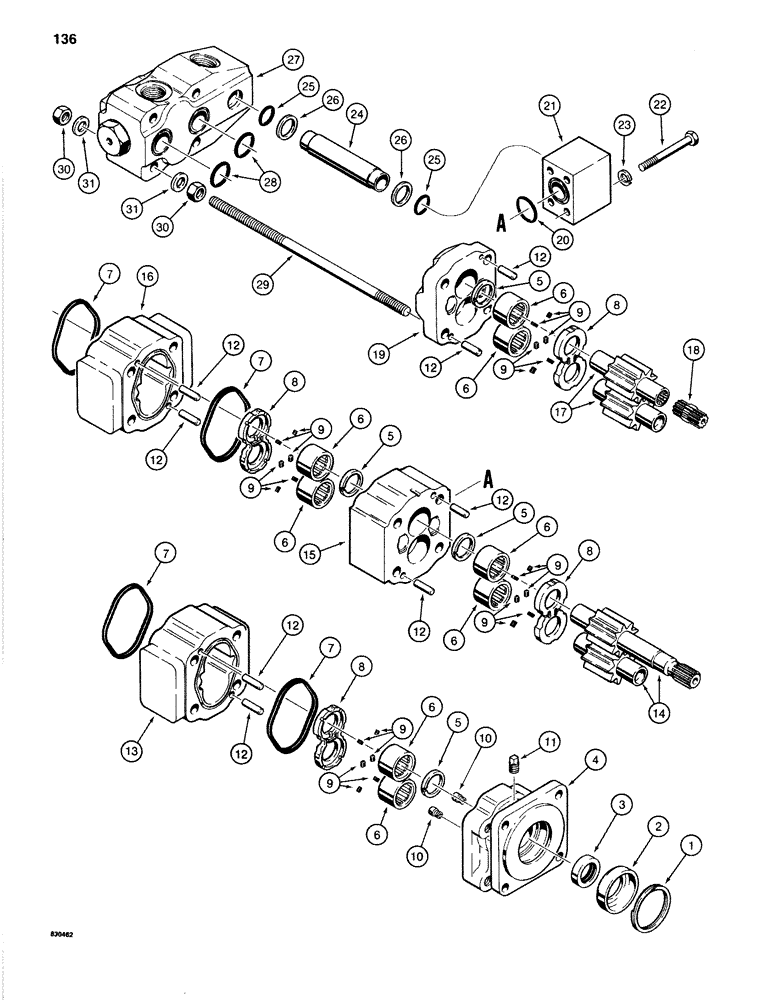
HYDRAULIC MOTOR ASSEMBLY - left-hand, Includes: Ref. 1 - 31

1шт.

S617342

MOTOR

HYDRAULIC MOTOR ASSEMBLY - right-hand, Includes: Ref. 1 - 31

1шт.

1

S88756

SNAP RING,#283, 3.009", Int, Spiral

- end cover

1шт.

2

N8516

RETAINER

- seal

1шт.

3

S94907

SEAL

- shaft, outer

1шт.

4

S114837

COVER

- shaft end

1шт.

5

L32319

SEALING RING,32.68mm ID x 44.88mm OD x 3.81mm Thk

- shaft, inner

4шт.

6

D31942

ROLLER BEARING,1.29" ID x 1.9375" OD x 1.125"

- motor

8шт.

7

D41391

O-RING

SEAL - between housings

4шт.

8

D31955

PLATE

- thrust

4шт.

9

L32099

SEAL

- thrust plate

24шт.

10

S61749

VALVE

CHECK ASSEMBLY - motor

2шт.

11

221-841

PLUG

- shaft end cover, 1/4" NPT

1шт.

12

W16323

DOWEL

PIN - motor

8шт.

13

N8507

HOUSING

- gear, next to shaft end cover

1шт.

14

N8508

GEAR-SET

GEAR SET - including output shaft

1шт.

15

N8515

CARRIER

- bearing, center, left-hand motor only

1шт.

15

N8509

CARRIER

- bearing, center, right-hand motor only

1шт.

16

N8510

HOUSING

- gear, next to port end cover

1шт.

17

N8511

GEAR-SET

GEAR SET - next to port end cover

1шт.

18

N8512

SHAFT

- connecting

1шт.

19

N8506

VALVE SPRING

COVER - next to port end

1шт.

20

T13224

O-RING,1.484" ID x 1.762" OD x 0.139"

- port block

1шт.

21

N8514

BLOCK

- port

1шт.

22

113-321

BOLT,Hex, 7/16" - 14 x 4", Gr 5

4шт.

23

194-7

WASHER

- lock, special

4шт.

24

N8517

PIPE

- block to relief valve

1шт.

25

A27577

O-RING,0.139" Thk x 1.234" ID, -218, Cl 5, 75 Duro

- pipe seal

2шт.

26

T22277

OIL SEAL

BACKUP RING - pipe seal O-ring

2шт.

27

N8513

VALVE

ASSEMBLY - two speed, parts list Figure 138

1шт.

28

N8504

SEALING RING

- end cover to valve housing

2шт.

29

N8518

STUD

- motor tie

4шт.

30

129-183

NUT,5/8"-11, G8

8шт.

31

D31957

WASHER

- flat, 5/8", hardened

8шт.

Выбрано товаров: 34