Запчасти Case 1280B (166) - HYDRAULIC CIRCUIT FOR CONTROLS, MANIFOLD AND HAND CONTROL VALVE LINES (08) - HYDRAULICS

Схема запчастей Case 1280B - (166) - HYDRAULIC CIRCUIT FOR CONTROLS, MANIFOLD AND HAND CONTROL VALVE LINES (08) - HYDRAULICS
FIT
1:1
100%

Артикул

Название

Примечание

Количество

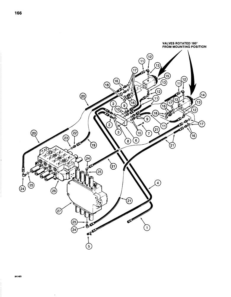
1

S241220

HOSE ASSY.

HOSE - from tee in solenoid valve line to manifold, 70" (1778 mm) long

1шт.

2

218-5057

HYD CONNECTOR,9/16" - 18 JIC x 9/16" - 18 ORB

ADAPTER - straight, manifold inlet and outlet, Incl. Ref. 3

2шт.

3

218-5005

O-RING,0.078" Thk x 0.468" ID, -906, Cl 6, 90 Duro

6-1, 90 Duro, .468" ID x .078" Thk, adapter

1шт.

4

S241222

HOSE ASSY.

HOSE - manifold return, 100" (2540 mm) long

1шт.

5

218-5222

TEE,37 Degree, 9/16"-18, x 9/16"-18, Fem Sw Run

at reservoir drain tube 37º, 9/16"-18, x 9/16"-18, Fem Sw Run

1шт.

6

S236862

BLOCK

MANIFOLD - control circuits

1шт.

7

113-119

BOLT,Hex, 5/16" - 18 x 2-3/4", Gr 5

2шт.

8

131-176

LOCK NUT,Prev Torque, Hex, 5/16" - 18, Gr A

NUT - hex, self-locking, 5/16" - 18 NC

2шт.

9

218-5057

HYD CONNECTOR,9/16" - 18 JIC x 9/16" - 18 ORB

ADAPTER - straight, manifold ports, Incl. Ref. 10

4шт.

10

218-5005

O-RING,0.078" Thk x 0.468" ID, -906, Cl 6, 90 Duro

6-1, 90 Duro, .468" ID x .078" Thk, adapter

1шт.

11

S241217

HOSE ASSY.

HOSE - to hand control valves, 21" (533 mm) long

4шт.

12

218-5105

ELBOW,90 Degree Elbow, 9/16" - 18 Male JIC x 9/16" - 18 Male ORB

- 90 degree, at hand control valves, Includes: Ref. 13

4шт.

13

218-5005

O-RING,0.078" Thk x 0.468" ID, -906, Cl 6, 90 Duro

6-1, 90 Duro, .468" ID x .078" Thk, elbow

1шт.

14

S516632

VALVE

CONTROL VALVE - hand lever, right-hand, parts list Figure 216

1шт.

15

S516631

VALVE

CONTROL VALVE - hand lever, left-hand, parts list Figure 216

1шт.

16

218-5057

HYD CONNECTOR,9/16" - 18 JIC x 9/16" - 18 ORB

ADAPTER - straight, control valve ports, Incl. Ref. 17

8шт.

17

218-5005

O-RING,0.078" Thk x 0.468" ID, -906, Cl 6, 90 Duro

6-1, 90 Duro, .468" ID x .078" Thk, adapter

1шт.

18

218-754

CAP,37 Degree, 9/16"-18

Adapter, if used 37º, 9/16"-18

2-4шт.

19

S241220

HOSE ASSY.

HOSE - to outside valve, 70" (1778 mm) long

1шт.

20

S241222

HOSE ASSY.

HOSE - to outside valve, 100" (2540 mm) long

1шт.

21

S241223

HOSE ASSY.

HOSE - to inside valve, 125" (3175 mm) long

2шт.

22

218-5057

HYD CONNECTOR,9/16" - 18 JIC x 9/16" - 18 ORB

ADAPTER - straight, outside valve, Incl. Ref. 23

1шт.

23

218-5005

O-RING,0.078" Thk x 0.468" ID, -906, Cl 6, 90 Duro

6-1, 90 Duro, .468" ID x .078" Thk, adapter

1шт.

24

218-5105

ELBOW,90 Degree Elbow, 9/16" - 18 Male JIC x 9/16" - 18 Male ORB

- 90 degree, inside and outside valves, Includes: Ref. 25

3шт.

25

218-5005

O-RING,0.078" Thk x 0.468" ID, -906, Cl 6, 90 Duro

6-1, 90 Duro, .468" ID x .078" Thk, elbow

1шт.

26

REF

INSTRUCTION

CONTROL VALVE - outside, see Figure 206 for correct valve and component parts

1шт.

27

S514301

VALVE

CONTROL VALVE - inside, parts list Figure 202

1шт.

Выбрано товаров: 27