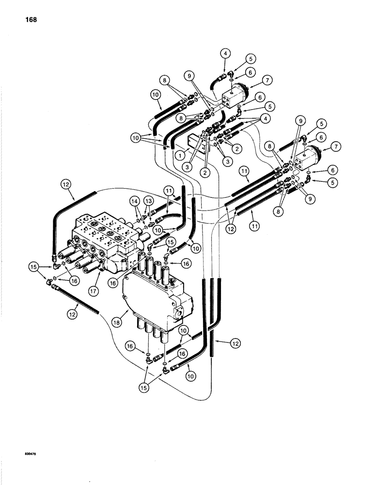
Запчасти Case 1280B (168) - HYDRAULIC CIRCUIT FOR CONTROLS, FOOT CONTROL VALVE LINES (08) - HYDRAULICS

Схема запчастей Case 1280B - (168) - HYDRAULIC CIRCUIT FOR CONTROLS, FOOT CONTROL VALVE LINES (08) - HYDRAULICS
FIT
1:1
100%

Артикул

Название

Примечание

Количество

1

S236862

BLOCK

MANIFOLD - control circuits, see Figure 166 for manifold lines and attaching hardware

1шт.

2

218-5057

HYD CONNECTOR,9/16" - 18 JIC x 9/16" - 18 ORB

ADAPTER - straight, manifold ports, Incl. Ref. 3

4шт.

3

218-5005

O-RING,0.078" Thk x 0.468" ID, -906, Cl 6, 90 Duro

6-1, 90 Duro, .468" ID x .078" Thk, adapter

1шт.

4

S241217

HOSE ASSY.

HOSE - to foot control valves, 21" (533 mm) long

4шт.

5

218-5105

ELBOW,90 Degree Elbow, 9/16" - 18 Male JIC x 9/16" - 18 Male ORB

- 90 degree, at foot control valves, Includes: Ref. 6

4шт.

6

218-5005

O-RING,0.078" Thk x 0.468" ID, -906, Cl 6, 90 Duro

6-1, 90 Duro, .468" ID x .078" Thk, elbow

1шт.

7

S513193

VALVE

CONTROL VALVE - foot pedal, parts list Figure 216

2шт.

8

218-5057

HYD CONNECTOR,9/16" - 18 JIC x 9/16" - 18 ORB

ADAPTER - straight, control valve ports, Incl. Ref. 9

8шт.

9

218-5005

O-RING,0.078" Thk x 0.468" ID, -906, Cl 6, 90 Duro

6-1, 90 Duro, .468" ID x .078" Thk, adapter

1шт.

10

S241223

HOSE ASSY.

HOSE - from left foot valve to inside control valve, 125" (3175 mm) long

4шт.

11

S241220

HOSE ASSY.

HOSE - from right foot valve to outside control valve, 70" (1778 mm) long

2шт.

12

S241222

HOSE ASSY.

HOSE - from right foot valve to outside control valve, 100" (2540 mm) long

2шт.

13

218-5057

HYD CONNECTOR,9/16" - 18 JIC x 9/16" - 18 ORB

ADAPTER - straight, outside valve, Incl. Ref. 14

2шт.

14

218-5005

O-RING,0.078" Thk x 0.468" ID, -906, Cl 6, 90 Duro

6-1, 90 Duro, .468" ID x .078" Thk, adapter

1шт.

15

218-5105

ELBOW,90 Degree Elbow, 9/16" - 18 Male JIC x 9/16" - 18 Male ORB

- 90 degree, inside and outside valves, Includes: Ref. 16

6шт.

16

218-5005

O-RING,0.078" Thk x 0.468" ID, -906, Cl 6, 90 Duro

6-1, 90 Duro, .468" ID x .078" Thk, elbow

1шт.

17

REF

INSTRUCTION

CONTROL VALVE - outside, see Figure 206 for correct valve and component parts

1шт.

18

S514301

VALVE

CONTROL VALVE - inside, parts list Figure 202

1шт.

Выбрано товаров: 18