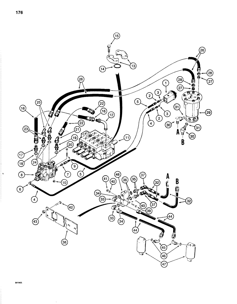
Запчасти Case 1280B (176) - HYDRAULIC LEVELER LINES, MODELS WITH AUXILIARY HYDRAULIC CIRCUIT (08) - HYDRAULICS

Схема запчастей Case 1280B - (176) - HYDRAULIC LEVELER LINES, MODELS WITH AUXILIARY HYDRAULIC CIRCUIT (08) - HYDRAULICS
FIT
1:1
100%

Артикул

Название

Примечание

Количество

1

S513193

VALVE

CONTROL VALVE - right-hand lever, parts list Figure 216

1шт.

2

218-5057

HYD CONNECTOR,9/16" - 18 JIC x 9/16" - 18 ORB

ADAPTER - straight, control valve ports, Incl. Ref. 3

2шт.

3

218-5005

O-RING,0.078" Thk x 0.468" ID, -906, Cl 6, 90 Duro

6-1, 90 Duro, .468" ID x .078" Thk, adapter

1шт.

4

S241223

HOSE ASSY.

HOSE - to one spool control valve, 125" (3175 mm) long

1шт.

5

S241222

HOSE ASSY.

HOSE - to one spool control valve, 100" (2540 mm) long

1шт.

6

218-492

90 ELBOW,90 Degree Elbow, 9/16" - 18 Male JIC x 1/8" - 27 Male NPTF

- 90 degree

1шт.

7

218-453

HYD CONNECTOR,9/16" - 18 Male JIC x 1/8" - 27 Male NPTF

CONNECTOR, HYD., , Adapter, Straight 9/16"-18, 37º x 1/8"-27, NPTF

1шт.

8

REF

INSTRUCTION

CONTROL VALVE - one spool, see Figure 210 for valve and connecting parts

1шт.

9

86505993

BOLT,Hex, 1/2" - 13 x 4", Gr 5

3шт.

10

131-70

NUT,1/2"-13, GB

NUT - hex, 1/2" - 13 NC

3шт.

11

REF

INSTRUCTION

CONTROL VALVE - outside, see Figure 206 for correct valve and component parts

1шт.

12

S231594

TUBE ASSY.,1.25" OD x 6.2, 4.04" L

TUBE - from valve

1шт.

13

A12301

CLAMP,Half

SPLIT FLANGE - tube

2шт.

14

S6586

O-RING,0.139" Thk x 1.484" ID, -222, Cl 6, 90 Duro

- tube

1шт.

15

113-312

BOLT,Hex, 7/16" - 14 x 1-1/4", Gr 5

4шт.

16

S401530

HOSE ASSY.

HOSE - outside control valve to one spool control valve, 20" (508 mm) long

1шт.

17

218-5069

HYD CONNECTOR,1-5/16" - 12 Male JIC x 1-5/16" - 12 Male ORB

Adapter - straight, at one spool valve, in port, Incl. Ref. 18

1шт.

18

218-5010

O-RING,0.116" Thk x 1.171" ID, -916, Cl 6, 90 Duro

- adapter

1шт.

19

218-5034

HYD CONNECTOR,1-5/16" - 12 Male JIC x 1-5/16" - 12 Male ORB

ADAPTER - straight, at one spool valve, return port, Includes: Ref. 20

1шт.

20

218-5010

O-RING,0.116" Thk x 1.171" ID, -916, Cl 6, 90 Duro

- adapter

1шт.

21

218-5176

ELBOW,45 Degree Elbow, 1-5/16" - 12 Male JIC x 1-5/16" - 12 Female JIC

- 45 degree

1шт.

22

S401536

HOSE

- return, to filter tube, 30" (762 mm) long

1шт.

23

218-5071

HYD CONNECTOR,3/4" - 16 Male JIC x 1-5/16" - 12 Male ORB

ADAPTER - one spool valve ports, Includes: Ref. 24

2шт.

24

218-5010

O-RING,0.116" Thk x 1.171" ID, -916, Cl 6, 90 Duro

- adapter

1шт.

25

218-5173

ELBOW,45 Degree Elbow, 3/4" - 16 Male JIC x 3/4" - 16 Female JIC

- 45 degree

1шт.

26

S11231

HOSE ASSY.

HOSE - one spool valve to swivel, 68" (1727 mm) long

2шт.

27

218-796

REDUCER,37 Degree, 5/8" x 3/8" Tube

ADAPTER - hose to swivel

2шт.

28

218-346

TUBE NUT,37 Degree, 1 1/16"-12, Type B

NUT - adapter

2шт.

29

S618678

LINK

SWIVEL ASSEMBLY - parts list Figure 230

1шт.

30

218-5121

ELBOW,90 Degree Elbow, 3/4" - 16 Male JIC x 7/8" - 14 Male ORB

- 90 degree, adjustable, Includes: Ref. 31

2шт.

31

237-6010

O-RING,0.097" Thk x 0.755" ID, -910, Cl 6, 90 Duro

- elbow

1шт.

32

S11226

HOSE

- to check valve, 20" (508 mm) long

2шт.

33

218-5106

90 ELBOW,90 Degree Elbow, 3/4" - 16 Male JIC x 3/4" - 16 Male ORB

- 90 degree, check valve ports, Includes: Ref. 34

2шт.

34

218-5006

O-RING,0.087" Thk x 0.644" ID, -908, Cl 6, 90 Duro

8-1, 90 Duro, .644" ID x .087" Thk, elbow

1шт.

35

218-5059

HYD CONNECTOR,3/4"-16, 37 Degree x 3/4"-16, O-Ring

ADAPTER - straight, Incl. Ref 36

2шт.

36

218-5006

O-RING,0.087" Thk x 0.644" ID, -908, Cl 6, 90 Duro

8-1, 90 Duro, .644" ID x .087" Thk, adapter

1шт.

37

218-5230

ELBOW,90 Degree, 3/4"-16, 37 Degree x 3/4"-16, 37 Degree Fem Sw

- 90 degree, swivel

2шт.

38

S119046

BAR

BRACKET - check valve mounting

1шт.

39

113-15

BOLT,Hex, 1/4" - 20 x 2-1/4", Gr 5

- hex head, 1/4" - 20 NC x 2-1/4"

2шт.

40

195-102

WASHER,1/4"

- flat, 1/4"

4шт.

41

86625061

NUT,1/4"-20, GB

NUT - hex, self-locking, 1/4" - 20 NC

2шт.

42

113-219

BOLT,Hex, 3/8" - 16 x 2", Gr 5

2шт.

43

131-52

NUT,3/8"-16, GC

NUT - hex, self-locking, 3/8" - 16 NC

2шт.

44

S11226

HOSE

- to leveler cylinders, 20" (508 mm) long

2шт.

45

218-5106

90 ELBOW,90 Degree Elbow, 3/4" - 16 Male JIC x 3/4" - 16 Male ORB

- 90 degree, at leveler cylinders, Includes: Ref. 46

2шт.

46

218-5006

O-RING,0.087" Thk x 0.644" ID, -908, Cl 6, 90 Duro

8-1, 90 Duro, .644" ID x .087" Thk, elbow

1шт.

47

S611706

CYLINDER

- leveler, parts list Figure 240

2шт.

48

S516156

CHECK VALVE

- leveler, parts list Figure 224

1шт.

Выбрано товаров: 48