Запчасти Case 1280B (188) - FAST HOIST LINES (08) - HYDRAULICS

Схема запчастей Case 1280B - (188) - FAST HOIST LINES (08) - HYDRAULICS
FIT
1:1
100%

Артикул

Название

Примечание

Количество

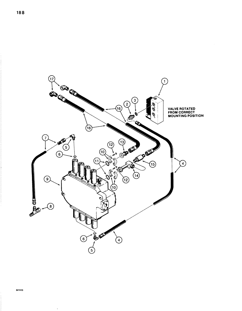
1

REF

INSTRUCTION

SOLENOID CONTROL VALVE - parts list Figure 218

1шт.

2

218-5057

HYD CONNECTOR,9/16" - 18 JIC x 9/16" - 18 ORB

ADAPTER - straight, Incl. Ref. 3

1шт.

3

218-5005

O-RING,0.078" Thk x 0.468" ID, -906, Cl 6, 90 Duro

6-1, 90 Duro, .468" ID x .078" Thk, adapter

1шт.

4

S241219

HOSE ASSY.

HOSE - solenoid control valve to inside control valve, 50" (1270 mm) long

1шт.

5

218-5105

ELBOW,90 Degree Elbow, 9/16" - 18 Male JIC x 9/16" - 18 Male ORB

- inside control valve, at spool ends, Includes: Ref. 6

2шт.

6

218-5005

O-RING,0.078" Thk x 0.468" ID, -906, Cl 6, 90 Duro

6-1, 90 Duro, .468" ID x .078" Thk, elbow

1шт.

7

S241219

HOSE ASSY.

HOSE - control circuit return, 50" (1270 mm) long

1шт.

8

218-5222

TEE,37 Degree, 9/16"-18, x 9/16"-18, Fem Sw Run

return hose to manifold return tube at reservoir 37º, 9/16"-18, x 9/16"-18, Fem Sw Run

1шт.

9

S514301

VALVE

CONTROL VALVE - inside, parts list Figure 202

1шт.

10

A12306

FLANGE

SPLIT FLANGE - tube

4шт.

11

D31968

O-RING,0.139" Thk x 1.296" ID, -219, Cl 6, 90 Duro

- tube

2шт.

12

113-208

BOLT,Hex, 3/8" - 16 x 1-1/4", Gr 5

8шт.

13

S232093

FITTING

TUBE - upper control valve port

1шт.

14

S236457

TUBE,1" OD x 5.06" L

- lower control valve port

1шт.

15

S93154

VALVE

CHECK VALVE - lower control valve port, Includes: Ref. 15A

1шт.

15a

A13084

O-RING,12.37" ID x 1.443" OD x 0.103"

- valve body to valve fitting, not shown

1шт.

16

S8628

HOSE

- inside control valve to outside control valve, 36" (914 mm) long

2шт.

17

218-5234

ELBOW,90 Degree, 1 5/16"-12, 37 Degree x 1 5/16"-12, 37 Degree Fem Sw

- 90 degree

2шт.

Выбрано товаров: 18