Запчасти Case 1187 (173A) - BOOM CYLINDER CIRCUIT (07) - HYDRAULIC SYSTEM

Схема запчастей Case 1187 - (173A) - BOOM CYLINDER CIRCUIT (07) - HYDRAULIC SYSTEM
FIT
1:1
100%

Артикул

Название

Примечание

Количество

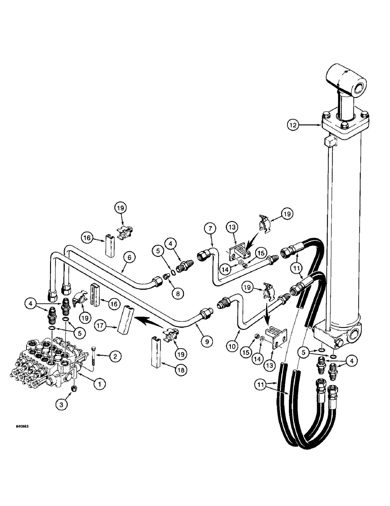
1

REF

INSTRUCTION

CONTROL VALVE - outside, parts list Figure 222

1шт.

2

113-450

BOLT,Hex, 1/2" - 13 x 3-3/4", Gr 5

- hex head, 1/2" - 13 NC x 4"(replaces 113-431)

3шт.

Replaced by 113-450

1шт.

3

131-70

NUT,1/2"-13, GB

NUT - hex, self-locking, 1/2" - 13 NC

3шт.

4

218-5069

HYD CONNECTOR,1-5/16" - 12 Male JIC x 1-5/16" - 12 Male ORB

Adapter - straight, Incl. Ref. 5

5шт.

5

218-5010

O-RING,0.116" Thk x 1.171" ID, -916, Cl 6, 90 Duro

- adapter

1шт.

6

S515900

TUBE ASSY.,1.25" OD

TUBE - valve to boom cylinder, closed end, at valve

1шт.

7

S515895

TUBE ASSY.,1.25" OD x 20.8, 9.4" L

TUBE - valve to boom cylinder, closed end, at cylinder

1шт.

8

S79252

REGULATOR

RESTRICTOR - oil flow, boom cylinder

1шт.

9

S515798

TUBE ASSY.,1.25" OD

TUBE - valve to boom cylinder, rod end, at valve

1шт.

10

S515896

TUBE ASSY.,1.25" OD x 22.9, 9.4" L

TUBE - valve to boom cylinder, rod end, at cylinder

1шт.

11

S8628

HOSE

- tube to boom cylinder, 36" (914 mm) long

2шт.

12

S617367

CYLINDER

- hydraulic, boom, parts list Figure 266

1шт.

13

S242296

BRACKET

CHANNEL - tube clamp, Serial Range: bolted-turntable

2шт.

14

S95569

WASHER

- flat, hardened, 1/2"

4шт.

15

131-70

NUT,1/2"-13, GB

NUT - hex, self-locking, 1/2" - 13 NC

4шт.

16

S98413

SUPPORT

CHANNEL - tube clamp, weld on, 5" long

2шт.

17

S98267

BRACKET

CHANNEL - tube clamp, weld on, 6" long

1шт.

18

S105626

CHANNEL

- tube clamp, weld on, 7" long

1шт.

19

S93266

CLAMP

- tube

6шт.

Выбрано товаров: 20