Запчасти Case 1187 (174) - ARM AND TOOL CYLINDER CIRCUITS, TUBES FROM CONTROL VALVES AT TURNTABLE (07) - HYDRAULIC SYSTEM

Схема запчастей Case 1187 - (174) - ARM AND TOOL CYLINDER CIRCUITS, TUBES FROM CONTROL VALVES AT TURNTABLE (07) - HYDRAULIC SYSTEM
FIT
1:1
100%

Артикул

Название

Примечание

Количество

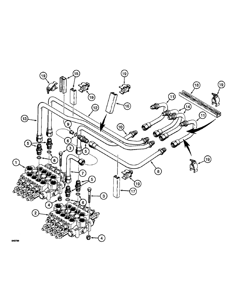
1

REF

INSTRUCTION

CONTROL VALVE - outside, parts list Figure 222

1шт.

2

REF

INSTRUCTION

CONTROL VALVE - inside, parts list Figure 220

1шт.

3

113-450

BOLT,Hex, 1/2" - 13 x 3-3/4", Gr 5

- hex head, 1/2" - 13 NC x 4"(replaces 113-431)

6шт.

Replaced by 113-450

1шт.

4

131-70

NUT,1/2"-13, GB

NUT - hex, self-locking, 1/2" - 13 NC

6шт.

5

218-5069

HYD CONNECTOR,1-5/16" - 12 Male JIC x 1-5/16" - 12 Male ORB

Adapter - straight, Incl. Ref. 6

5шт.

6

218-5010

O-RING,0.116" Thk x 1.171" ID, -916, Cl 6, 90 Duro

- adapter

1шт.

7

S241152

TUBE ASSY.,1.25" OD x 9.7, 6.1" L

TUBE - valve to arm cylinder, closed end, at valve

1шт.

8

S515795

TUBE ASSY.,1.25" OD x 18.4" L

TUBE - valve to arm cylinder, closed end, at cylinder

1шт.

9

S79252

REGULATOR

RESTRICTOR - oil flow, arm cylinder

1шт.

10

S515796

TUBE ASSY.,1.25" OD

TUBE - valve to arm cylinder, rod end, at cylinder

1шт.

11

S240971

TUBE ASSY.,1.25" OD x 25, 5.9" L

TUBE - valve to arm cylinder, at tube clamp channel

2шт.

12

S515802

TUBE ASSY.,1.25" OD

TUBE - valve to tool cylinder, closed end

1шт.

13

S515897

TUBE ASSY.,1.25" OD x 13.8, 13.2" L

TUBE - valve to tool cylinder, rod end

1шт.

14

S240971

TUBE ASSY.,1.25" OD x 25, 5.9" L

TUBE - valve to tool cylinder, at tube clamp channel

2шт.

15

S98413

SUPPORT

CHANNEL - tube clamp, weld on, 5" long

2шт.

16

S98267

BRACKET

CHANNEL - tube clamp, weld on, 6" long

2шт.

17

S105626

CHANNEL

- tube clamp, weld on, 7" long

1шт.

18

S99409

CHANNEL

- tube clamp, weld on, 16" long

1шт.

19

S93266

CLAMP

- tube

22шт.

Выбрано товаров: 20