Запчасти Case 1187 (014) - AIR CLEANER AND RELATED PARTS, FOR CASE ENGINE (01) - ENGINE

Схема запчастей Case 1187 - (014) - AIR CLEANER AND RELATED PARTS, FOR CASE ENGINE (01) - ENGINE
FIT
1:1
100%

Артикул

Название

Примечание

Количество

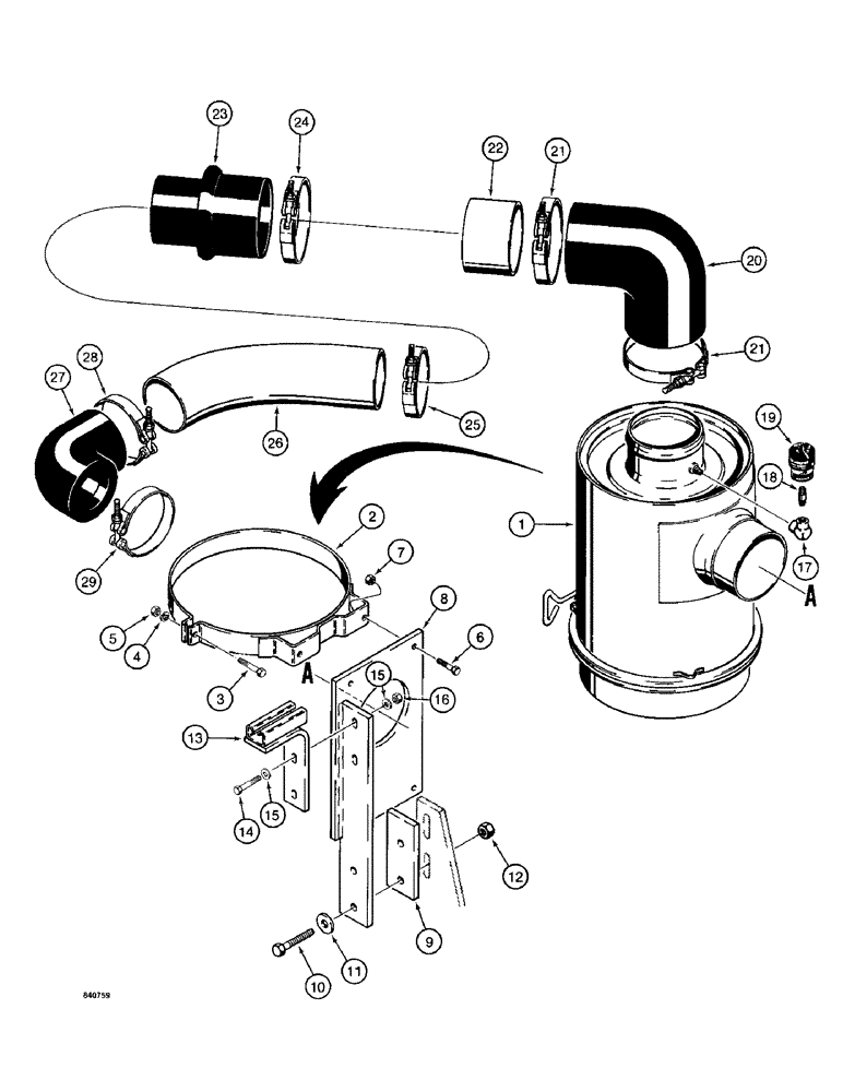
1

S617625

AIR CLEANER

- parts list Figure 16

1шт.

2

A56089

SUPPORT

BAND - air cleaner, replace hardware with Refs. 3-5 below

2шт.

3

113-120

BOLT,Hex, 5/16" - 18 x 1-3/4", Gr 5

2шт.

4

192-20

LOCK WASHER,Helical Spring, 0.318" ID, CST, ZND

WASHER, LOCK, 5/16"

2шт.

5

9635082

NUT,5/16" - 18, Gr 5

2шт.

6

113-208

BOLT,Hex, 3/8" - 16 x 1-1/4", Gr 5

4шт.

7

131-52

NUT,3/8"-16, GC

NUT - hex, self-locking, 3/8" - 16 NC

4шт.

8

S241396

BRACKET

- air cleaner mounting

1шт.

9

S119180

SPACER

- mounting bracket, lower, if used

1шт.

10

113-421

BOLT,Hex, 1/2" - 13 x 2", Gr 5

2шт.

11

S95569

WASHER

- flat, 1/2", hardened

2шт.

12

131-70

NUT,1/2"-13, GB

NUT - hex, self-locking, 1/2" - 13 NC

2шт.

13

S241397

BRACKET

- 90 degree, upper, tube clamp support

1шт.

14

113-233

BOLT,Hex, 3/8" - 16 x 1-3/4", Gr 5

2шт.

15

195-104

WASHER,3/8"

- flat, 3/8"

4шт.

16

131-52

NUT,3/8"-16, GC

NUT - hex, 3/8" - 16 NC

2шт.

17

217-1050

90 ELBOW,1/8" - 27 NPTF Female

- 90 degree, restriction indicator line

1шт.

18

221-106

PIPE,Nipple, 1/8" NPT x 1 1/2"

NIPPLE - 1/8" NPT x 1-1/4", restriction indicator line

1шт.

19

A59569

INDICATOR

RESTRICTION INDICATOR - air cleaner

1шт.

20

S115133

ELBOW

- 90 degree, rubber, air cleaner outlet

1шт.

21

214-363

CLAMP,#140, 5.25"-5.56", T-Bolt

- elbow

2шт.

22

S115136

TUBE,5" OD x 3" L

- air cleaner

1шт.

23

S106022

REDUCER

- rubber

1шт.

24

214-363

CLAMP,#140, 5.25"-5.56", T-Bolt

- reducer, large end

1шт.

25

214-361

CLAMP,#108, 4.25"-4.56", T-Bolt

- reducer, small end

1шт.

26

S119433

TUBE,4" OD x 8" L

- formed

1шт.

27

S112515

ELBOW

- 90 degree, rubber, at turbocharger

1шт.

28

214-361

CLAMP,#108, 4.25"-4.56", T-Bolt

- at pipe

1шт.

29

214-379

CLAMP,#84, 3.50"-3.81", T-Bolt

- at turbocharger

1шт.

Выбрано товаров: 29