Запчасти Case 1187 (292) - SWING GEARBOX LUBRICATION SYSTEM (04) - UNDERCARRIAGE

Схема запчастей Case 1187 - (292) - SWING GEARBOX LUBRICATION SYSTEM (04) - UNDERCARRIAGE
FIT
1:1
100%

Артикул

Название

Примечание

Количество

S516470

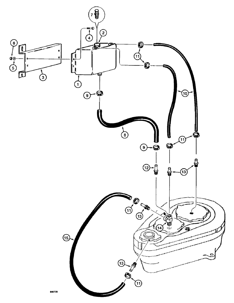
CONTAINER

RESERVOIR ASSEMBLY - lubricant, Includes: Ref. 1 and 2

1шт.

1

NSS

NOT SOLD SEPARAT

RESERVOIR - lubricant

1шт.

2

N8793

CAP

- reservoir

1шт.

3

S242000

BRACKET

- reservoir

1шт.

4

113-113

BOLT,Hex, 5/16" - 18 x 7/8", Gr 5

4шт.

5

195-103

WASHER,5/16"

- flat, 5/16"

4шт.

6

231-1445

NUT,5/16"-18, GB

NUT - hex, self-locking, 5/16" - 18 NC

4шт.

7

L33264

BREATHER

- reservoir

1шт.

8

REF

INSTRUCTION

HOSE - gearbox cover, 19" (483 mm) long, cut from S118576, see below

1шт.

9

214-253

HOSE CLAMP,#10, 0.56" - 1.06", Type F Worm

CLAMP - hose, used with 5/8" ID hoses

2шт.

10

REF

INSTRUCTION

HOSE - to bearing covers, 28" (711 mm) long, cut from S118378, see below

2шт.

11

214-274

HOSE CLAMP,#04, 0.25" - 0.62", Type F Worm

used with 1/4" ID hoses #4, 0.25/0.62 Type F Worm

6шт.

12

217-381

FITTING,5/8" Hose Barb x 3/4" Male NPTF

STEM FITTING - gearbox cover, used with 5/8" ID hose

1шт.

13

217-150

FITTING,1/4" Hose Barb x 1/8" Male NPTF

STEM FITTING - bearing covers, used with 1/4" ID hose

4шт.

14

217-1061

TEE,1/8" - 27 Female x 1/8" - 27 Male Run

- gearbox bearing cover, 1/8" NPT

1шт.

15

REF

INSTRUCTION

HOSE - crossover, tee to bearing cover, 24" (610 mm) long, cut from S118378, see below

1шт.

S118576

HOSE,0.62" ID BULK

0.625" ID x 300.00" Bulk

1шт.

S118378

HOSE,0.25" ID BULK, SAE 30R2 Type 3

0.25" ID x 168.00" Bulk, SAE 30R2 Type 3

1шт.

Выбрано товаров: 18